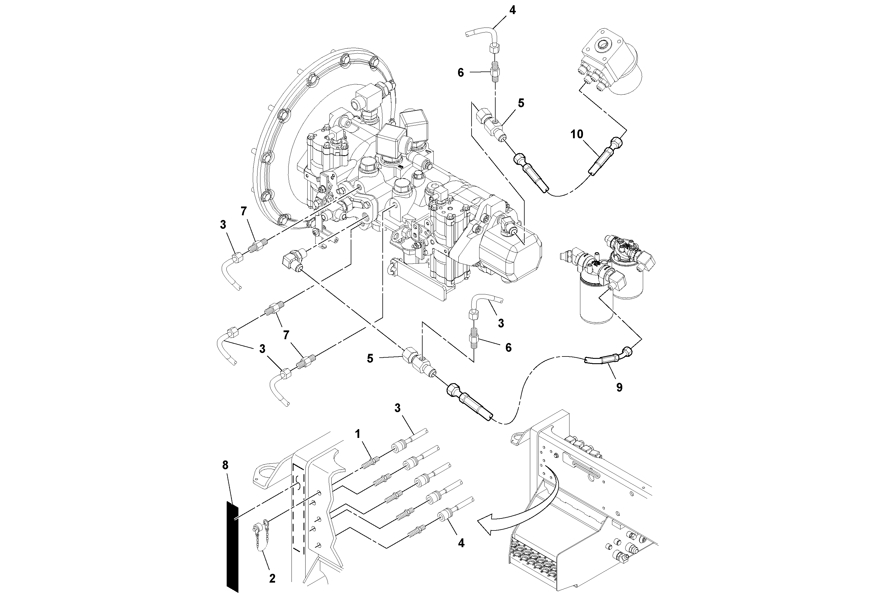
Запчасти Volvo SD45D/SD45F S/N 197409 - 78183 Hydraulic Pressure check connection Installation

Схема запчастей Volvo SD45D/SD45F S/N 197409 - - 78183 Hydraulic Pressure check connection Installation
FIT
1:1
100%

Артикул

Название

Примечание

Количество

1

RM 59961821

Адаптер

1шт.

10

RM 13256011

Hose assembly

1шт.

2

RM 59924043

Cap

1шт.

3

RM 13255179

Шланг

1шт.

4

RM 13256029

Шланг

1шт.

5

RM 13208004

Nipple

1шт.

6

RM 59929182

Адаптер

1шт.

6

RM 59929182

Адаптер

1шт.

7

RM 59922419

Адаптер

1шт.

7

RM 59922419

Адаптер

1шт.

8

RM 13256037

Decal

HYDRAULIC TEST PORT

1шт.

9

RM 58926908

Шланг

1шт.

Выбрано товаров: 12