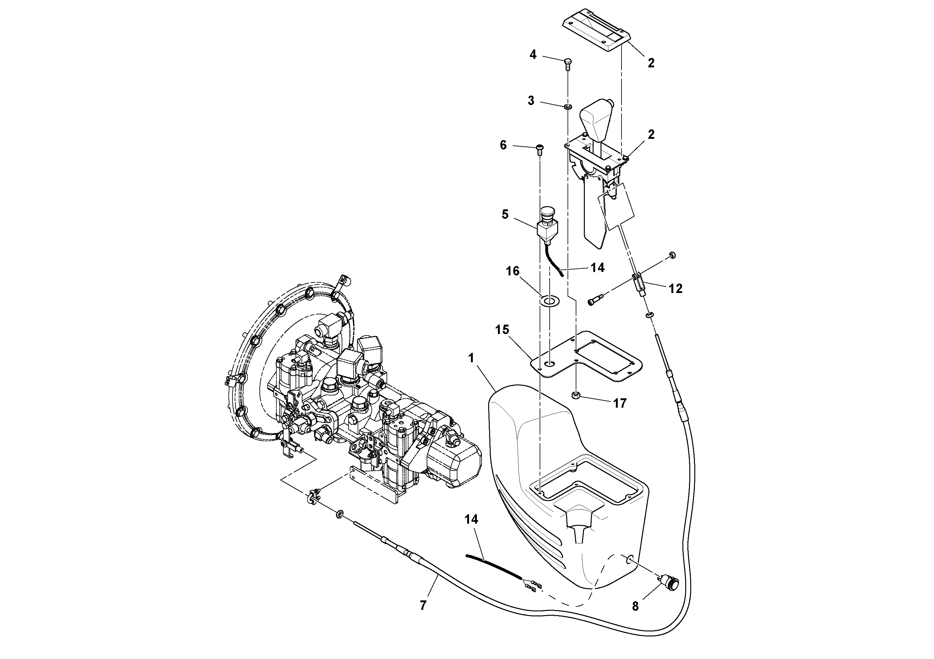
Запчасти Volvo SD45D/SD45F S/N 197409 - 59821 Console Assembly

Схема запчастей Volvo SD45D/SD45F S/N 197409 - - 59821 Console Assembly
FIT
1:1
100%

Артикул

Название

Примечание

Количество

RM 43908573

Control box

S/N 189817-200769

1шт.

RM 13186176

Instrument console

S/N -189817

1шт.

RM 13186242

Крышка

1шт.

RM 13186390

Instrument console

1шт.

RM 13186374

Крышка

1шт.

RM 13266895

Переключатель

1шт.

RM 13382445

Переключатель

VIB

1шт.

RM 59148569

Винт шестигранник (торцевой ключ)

S/N -189817

1шт.

RM 59148569

Винт шестигранник (торцевой ключ)

S/N -189817

1шт.

RM 43973213

Cable harness

S/N -200769

1шт.

1

RM 43859339

Control box

S/N 200769-

1шт.

14

RM 43990241

Cable harness

S/N 200769-

1шт.

15

RM 13884408

Panel

S/N 189817-

1шт.

16

RM 59239897

Decal

1шт.

16

RM 59239897

Decal

1шт.

17

RM 96704580

Lock nut

1шт.

17

RM 96704580

Lock nut

1шт.

2

RM 43843556

Control Lever

1шт.

3

RM 96738554

Плоская шайба

1шт.

3

RM 96738554

Плоская шайба

1шт.

4

RM 96702386

Винт шестигранник

1шт.

4

RM 96702386

Винт шестигранник

1шт.

6

RM 59148569

Винт шестигранник (торцевой ключ)

S/N 189817-

1шт.

6

RM 59148569

Винт шестигранник (торцевой ключ)

S/N 189817-

1шт.

7

RM 13188453

Cable

FSR

1шт.

8

RM 19282102

Соединитель

1шт.

8

RM 19282102

Соединитель

1шт.

Выбрано товаров: 27