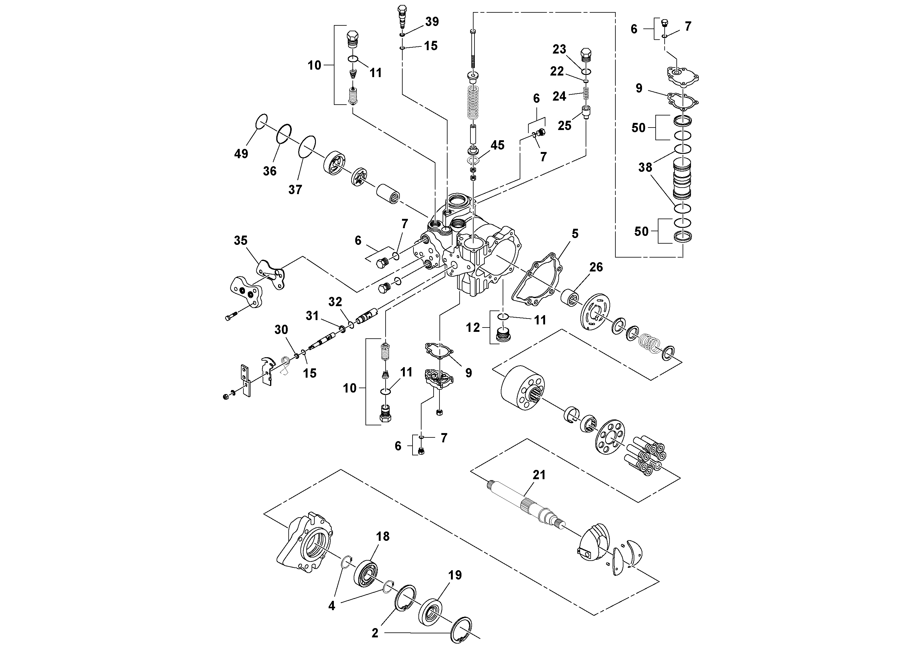
Запчасти Volvo SD45D/SD45F S/N 197409 - 43568 Propulsion Pump

Схема запчастей Volvo SD45D/SD45F S/N 197409 - - 43568 Propulsion Pump
FIT
1:1
100%

Артикул

Название

Примечание

Количество

10

RM 13493788

Клапан

SCR

1шт.

11

RM 59986463

Кольцо уплотнительное (О-кольцо)

1шт.

11

RM 59986463

Кольцо уплотнительное (О-кольцо)

1шт.

12

RM 59949461

Пробка (заглушка)

1шт.

15

RM 13247358

Кольцо уплотнительное (О-кольцо)

1шт.

18

RM 13493796

Ball bearing

1шт.

19

RM 59941203

Кольцо уплотнительное

1шт.

19

RM 59941203

Кольцо уплотнительное

1шт.

2

RM 59785493

Retaining ring

1шт.

21

RM 59949693

Вал

1шт.

22

RM 58220583

Shim kit

1шт.

22

RM 58220583

Shim kit

1шт.

23

RM 59360610

Кольцо уплотнительное (О-кольцо)

1шт.

23

RM 59360610

Кольцо уплотнительное (О-кольцо)

1шт.

24

RM 59034348

Пружина

1шт.

24

RM 59034348

Пружина

1шт.

25

RM 58220633

Клапан предохранительный (разгрузочный, сброса давления)

1шт.

25

RM 58220633

Клапан предохранительный (разгрузочный, сброса давления)

1шт.

26

RM 59785303

Подшипник

1шт.

26

RM 59785303

Подшипник

1шт.

31

RM 13268305

Кольцо

1шт.

32

RM 13268297

Кольцо уплотнительное (О-кольцо)

1шт.

35

RM 13090097

Sealing

1шт.

36

RM 59431734

Кольцо уплотнительное (О-кольцо)

1шт.

37

RM 13066345

Кольцо уплотнительное (О-кольцо)

1шт.

38

RM 59422907

Кольцо

1шт.

38

RM 59422907

Кольцо

1шт.

39

RM 59986422

Back-up ring

1шт.

39

RM 59986422

Back-up ring

1шт.

4

RM 59785519

Кольцо

1шт.

4

RM 59785519

Кольцо

1шт.

45

RM 59888362

Кольцо уплотнительное

1шт.

45

RM 59888362

Кольцо уплотнительное

1шт.

49

RM 13066352

Кольцо уплотнительное (О-кольцо)

1шт.

5

RM 59949511

Прокладка

FRONT

1шт.

5

RM 59949511

Прокладка

FRONT

1шт.

50

RM 59972877

Кольцо уплотнительное (О-кольцо)

1шт.

50

RM 59972877

Кольцо уплотнительное (О-кольцо)

1шт.

6

RM 59933622

Пробка (заглушка)

1шт.

6

RM 59933622

Пробка (заглушка)

1шт.

7

RM 58881863

Кольцо уплотнительное (О-кольцо)

1шт.

7

RM 58881863

Кольцо уплотнительное (О-кольцо)

1шт.

9

RM 59938373

Прокладка

1шт.

9

RM 59938373

Прокладка

1шт.

Выбрано товаров: 44