Запчасти Volvo SD70D/SD70F/SD77DX/SD77F S/N 197387- 90485 Vibration Pump

Схема запчастей Volvo SD70D/SD70F/SD77DX/SD77F S/N 197387- - 90485 Vibration Pump
FIT
1:1
100%

Артикул

Название

Примечание

Количество

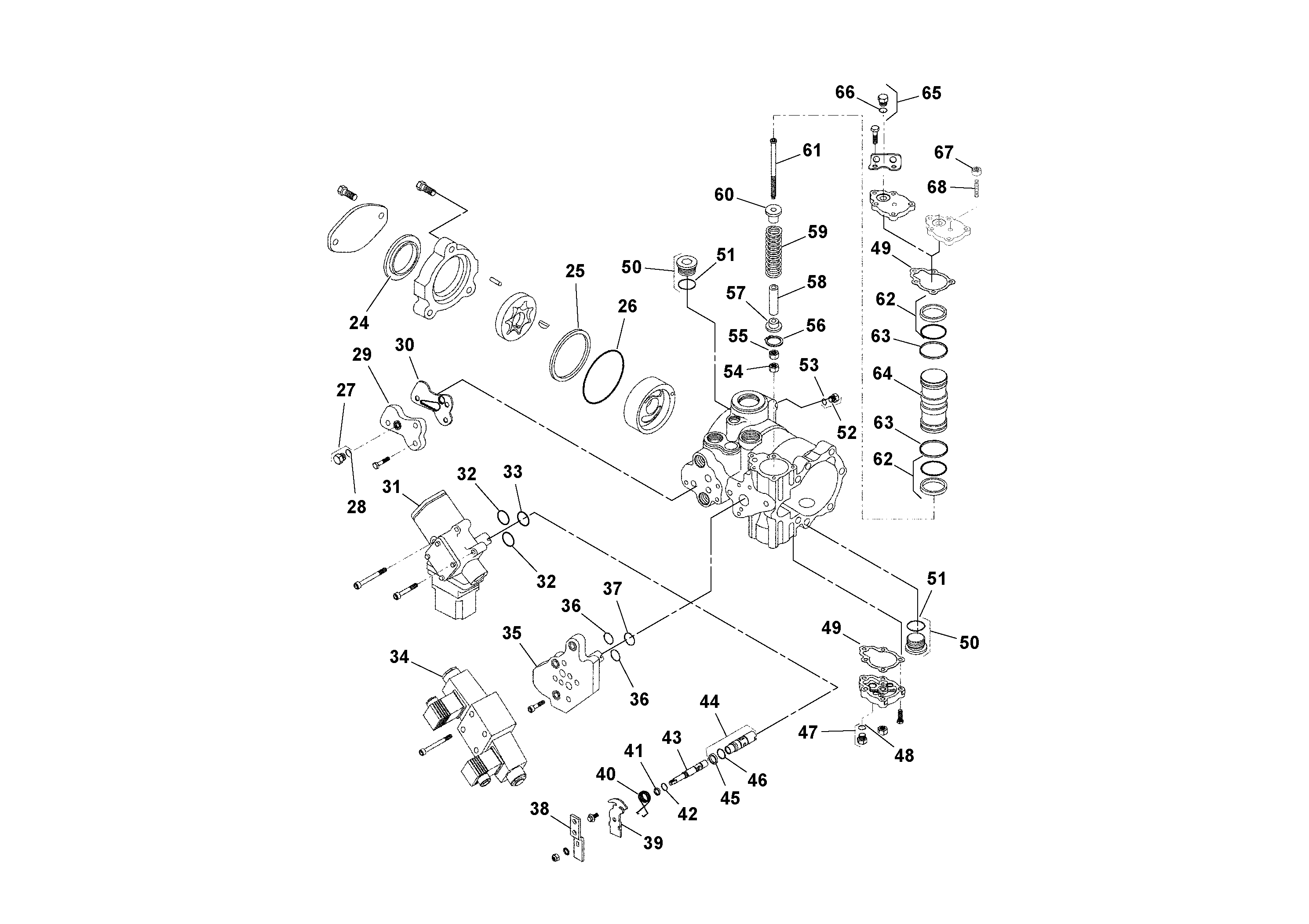
24

RM 59102749

Кольцо уплотнительное

1шт.

25

RM 59785642

Кольцо

1шт.

26

RM 58903741

Кольцо уплотнительное (О-кольцо)

1шт.

26

RM 58903741

Кольцо уплотнительное (О-кольцо)

1шт.

27

RM 59933622

Пробка (заглушка)

1шт.

27

RM 59933622

Пробка (заглушка)

1шт.

28

RM 59698811

Кольцо уплотнительное (О-кольцо)

1шт.

28

RM 59698811

Кольцо уплотнительное (О-кольцо)

1шт.

29

RM 58815614

Адаптер

1шт.

30

RM 58815622

Прокладка

1шт.

30

RM 58815622

Прокладка

1шт.

31

RM 13247341

Клапан

EDC

1шт.

32

RM 95097663

Кольцо уплотнительное (О-кольцо)

1шт.

33

RM 95086062

Кольцо уплотнительное (О-кольцо)

1шт.

47

RM 59933622

Пробка (заглушка)

1шт.

47

RM 59933622

Пробка (заглушка)

1шт.

48

RM 59698811

Кольцо уплотнительное (О-кольцо)

1шт.

48

RM 59698811

Кольцо уплотнительное (О-кольцо)

1шт.

49

RM 59938373

Прокладка

1шт.

49

RM 59938373

Прокладка

1шт.

50

RM 59949461

Пробка (заглушка)

1шт.

51

RM 58220567

Кольцо уплотнительное (О-кольцо)

1шт.

52

RM 58950783

Пробка (заглушка)

1шт.

53

RM 59698811

Кольцо уплотнительное (О-кольцо)

1шт.

53

RM 59698811

Кольцо уплотнительное (О-кольцо)

1шт.

54

RM 54474713

Гайка

1шт.

55

RM 59431684

Гайка

1шт.

56

RM 58950627

Retaining ring

1шт.

57

RM 59871731

Втулка (распорная)

1шт.

57

RM 59871731

Втулка (распорная)

1шт.

58

RM 59947580

Guide tube

1шт.

59

RM 59785121

Пружина

1шт.

59

RM 59785121

Пружина

1шт.

60

RM 59210658

Втулка (распорная)

1шт.

61

RM 59210641

Болт

1шт.

62

RM 59972877

Кольцо уплотнительное (О-кольцо)

1шт.

62

RM 59972877

Кольцо уплотнительное (О-кольцо)

1шт.

63

RM 59422907

Кольцо

1шт.

63

RM 59422907

Кольцо

1шт.

64

RM 59431726

Поршень

1шт.

64

RM 59431726

Поршень

1шт.

65

RM 59933622

Пробка (заглушка)

1шт.

65

RM 59933622

Пробка (заглушка)

1шт.

66

RM 59698811

Кольцо уплотнительное (О-кольцо)

1шт.

66

RM 59698811

Кольцо уплотнительное (О-кольцо)

1шт.

67

RM 59871772

Гайка

1шт.

68

RM 54766381

Servo brake

1шт.

Выбрано товаров: 47