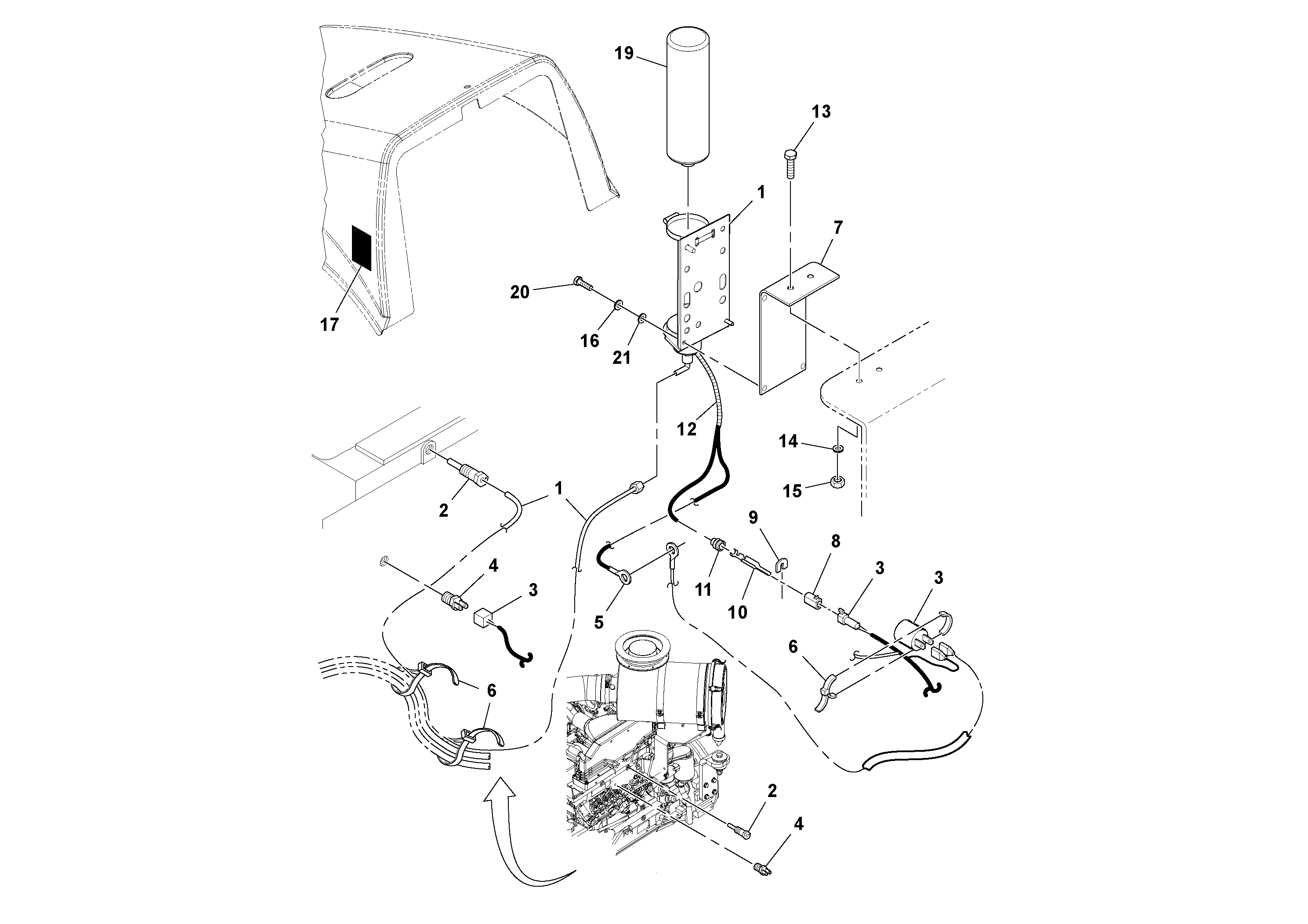
Запчасти Volvo SD70D/SD70F/SD77DX/SD77F S/N 197387- 95955 Cold-start Installation

Схема запчастей Volvo SD70D/SD70F/SD77DX/SD77F S/N 197387- - 95955 Cold-start Installation
FIT
1:1
100%

Артикул

Название

Примечание

Количество

1

RM 59398925

Kit

STARTING

1шт.

10

RM 58814492

Terminal

1шт.

11

RM 59854877

Cable seal

1шт.

12

RM 59396366

Cable tube

1шт.

13

RM 96705587

Винт шестигранник

1шт.

13

RM 96705587

Винт шестигранник

1шт.

14

RM 96741038

Шайба

1шт.

14

RM 96741038

Шайба

1шт.

15

RM 96705009

Lock nut

1шт.

15

RM 96705009

Lock nut

1шт.

16

RM 96741053

Шайба

1шт.

16

RM 96741053

Шайба

1шт.

19

RM 59866970

Ether cartridge

1шт.

2

RM 35309558

Kit

ATOMIZER

1шт.

20

RM 96704564

Винт шестигранник

1шт.

20

RM 96704564

Винт шестигранник

1шт.

21

RM 96704663

Шайба

1шт.

21

RM 96704663

Шайба

1шт.

3

RM 13205430

Cable harness

1шт.

4

RM 59035675

Thermoswitch

THERMO

1шт.

5

RM 95386587

Кольцо

1шт.

6

RM 95373973

Locking wire

1шт.

6

RM 95373973

Locking wire

1шт.

7

RM 13353867

Кронштейн

1шт.

8

RM 58814971

Соединитель

1шт.

9

RM 58814997

Lock

1шт.

Выбрано товаров: 26