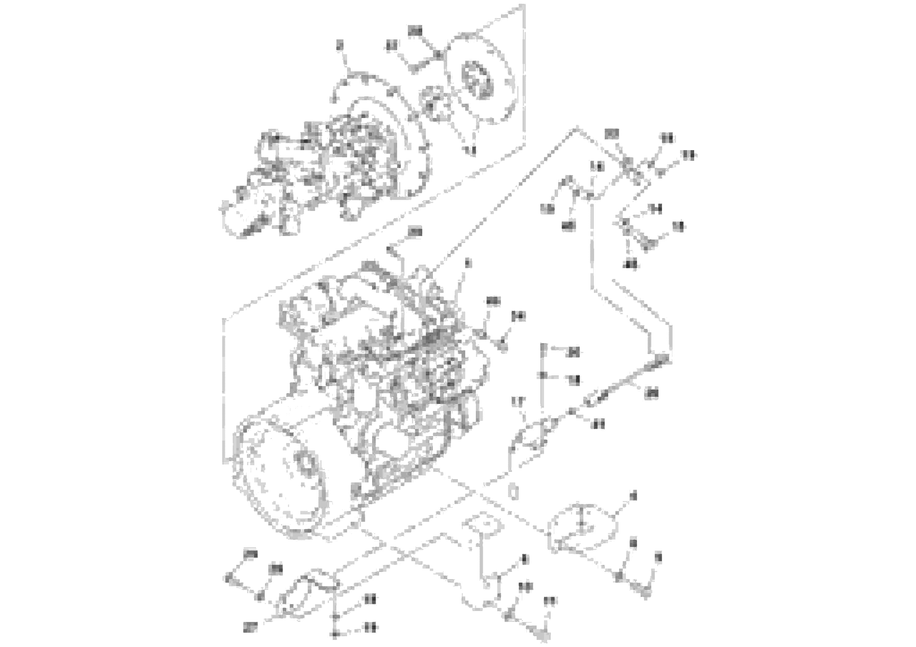
Запчасти Volvo SD70D/SD70F/SD77DX/SD77F S/N 197387- 106475 Двигатель в сборе

Схема запчастей Volvo SD70D/SD70F/SD77DX/SD77F S/N 197387- - 106475 Двигатель в сборе
FIT
1:1
100%

Артикул

Название

Примечание

Количество

RM 43974153

Cable

1шт.

RM 43977420

Alternator

1шт.

RM 43977438

Starter apparatus

1шт.

RM 43977388

Фильтр топливный

1шт.

RM 43974187

Rod End

1шт.

RM 43977982

Фильтр топливный

1шт.

RM 43929033

Соединитель

1шт.

RM 43977362

Fuel pump

1шт.

RM 43977461

Фильтр масляный

1шт.

RM 43977396

Ремень

1шт.

RM 96703004

Болт

1шт.

1

RM 43899061

Двигатель в сборе

1шт.

10

RM 59957134

Шайба

1шт.

10

RM 59957134

Шайба

1шт.

11

RM 95919585

Винт шестигранник

1шт.

11

RM 95919585

Винт шестигранник

1шт.

13

RM 59286336

Маховик

1шт.

14

RM 13501374

Вставка

1шт.

15

RM 13501697

Тяга поворотная

1шт.

17

RM 59009134

Соленоид (электромагнитный клапан)

1шт.

18

RM 96741053

Шайба

1шт.

18

RM 96741053

Шайба

1шт.

19

RM 96704234

Гайка

1шт.

19

RM 96704234

Гайка

1шт.

20

RM 96704564

Винт шестигранник

1шт.

20

RM 96704564

Винт шестигранник

1шт.

26

RM 43973965

Cable

1шт.

27

RM 43966829

Кронштейн

1шт.

28

RM 96741046

Плоская шайба

1шт.

28

RM 96741046

Плоская шайба

1шт.

29

RM 96701917

Винт шестигранник

1шт.

29

RM 96701917

Винт шестигранник

1шт.

30

RM 96704564

Винт шестигранник

1шт.

30

RM 96704564

Винт шестигранник

1шт.

33

RM 43911130

Control lever

1шт.

34

RM 43857994

Адаптер

1шт.

37

RM 95919254

Винт шестигранник

1шт.

4

RM 43901826

Engine anchorage

1шт.

41

RM 95923058

Гайка

1шт.

41

RM 95923058

Гайка

1шт.

45

RM 13501366

Вставка

1шт.

46

RM 20357687

Nipple

1шт.

6

RM 43901461

Engine anchorage

1шт.

8

RM 96738596

Шайба

1шт.

9

RM 43928241

Болт

1шт.

Выбрано товаров: 45