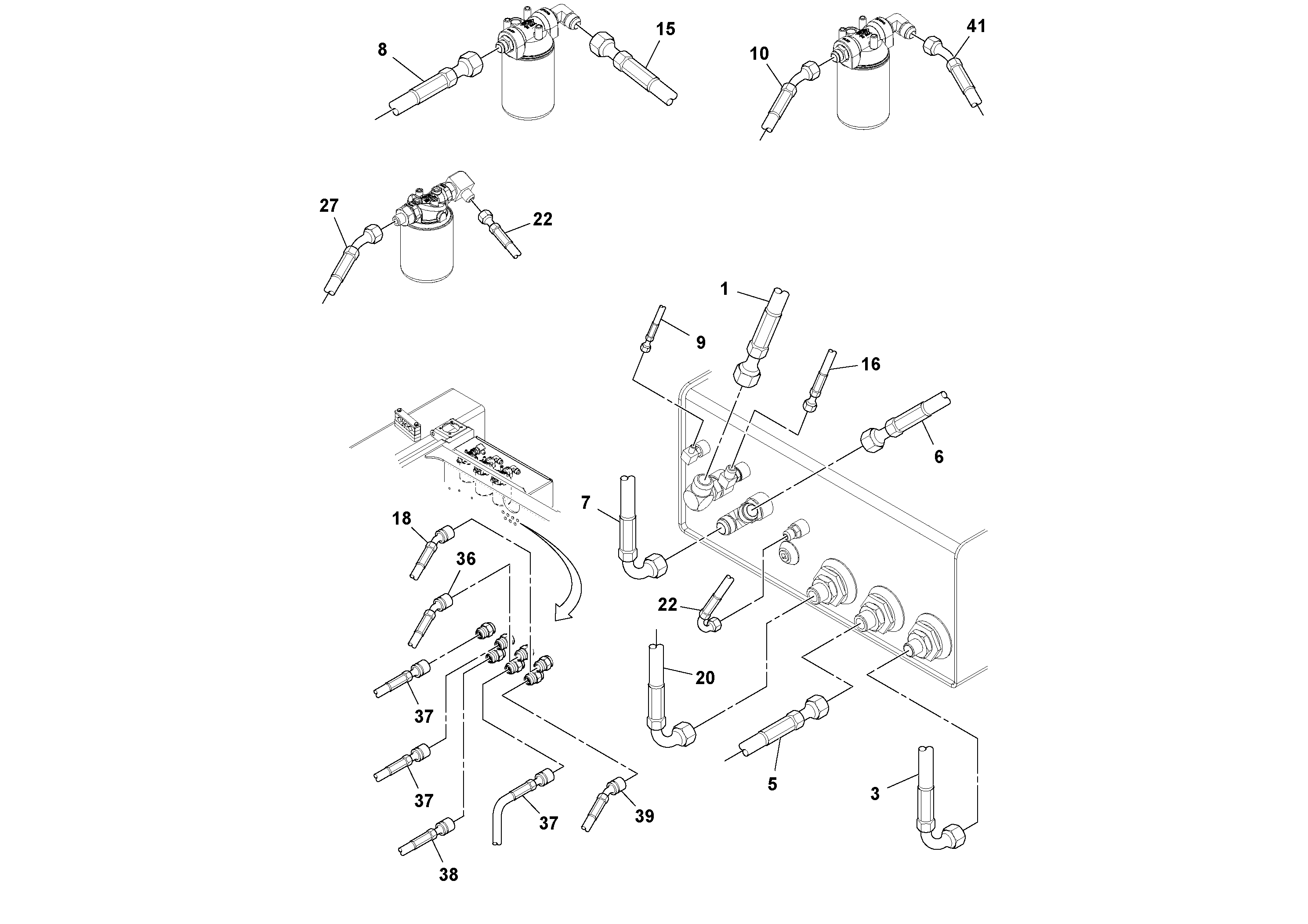
Запчасти Volvo SD70D/SD70F/SD77DX/SD77F S/N 197387- 53566 Hoses Installation

Схема запчастей Volvo SD70D/SD70F/SD77DX/SD77F S/N 197387- - 53566 Hoses Installation
FIT
1:1
100%

Артикул

Название

Примечание

Количество

RM 13207840

Шланг

S/N -200660

1шт.

RM 58946591

Шланг

S/N - 178652

1шт.

RM 13207543

Hose assembly

S/N - 178652

1шт.

RM 13207782

Шланг

S/N - 176884/SD-77

1шт.

RM 43871987

Шланг

SD-77

1шт.

RM 43878503

Шланг

SD-77

1шт.

1

RM 43933241

Шланг

S/N 200660-

1шт.

10

RM 13207824

Шланг

1шт.

15

RM 54537097

Шланг

S/N 178653-

1шт.

16

RM 13460795

Hose assembly

S/N 176885-

1шт.

18

RM 43871995

Шланг

SD-77

1шт.

20

RM 59203406

Hose assembly

SD-77

1шт.

22

RM 13199120

Hose assembly

1шт.

27

RM 13204359

Hose assembly

1шт.

3

RM 13204383

Hose assembly

1шт.

36

RM 43878479

Шланг

SD-77

1шт.

37

RM 59546275

Шланг

1шт.

38

RM 43904473

Шланг

SD-77

1шт.

39

RM 13204755

Hose assembly

1шт.

41

RM 13207832

Шланг

1шт.

5

RM 59546275

Шланг

SD-77

1шт.

6

RM 13204441

Hose assembly

1шт.

7

RM 59203406

Hose assembly

1шт.

8

RM 59106757

Hose assembly

S/N 178653-

1шт.

9

RM 13204755

Hose assembly

SD-77

1шт.

Выбрано товаров: 0