Запчасти Volvo SD70D/SD70F/SD77DX/SD77F S/N 197387- 92874 Audible Alarm Installation

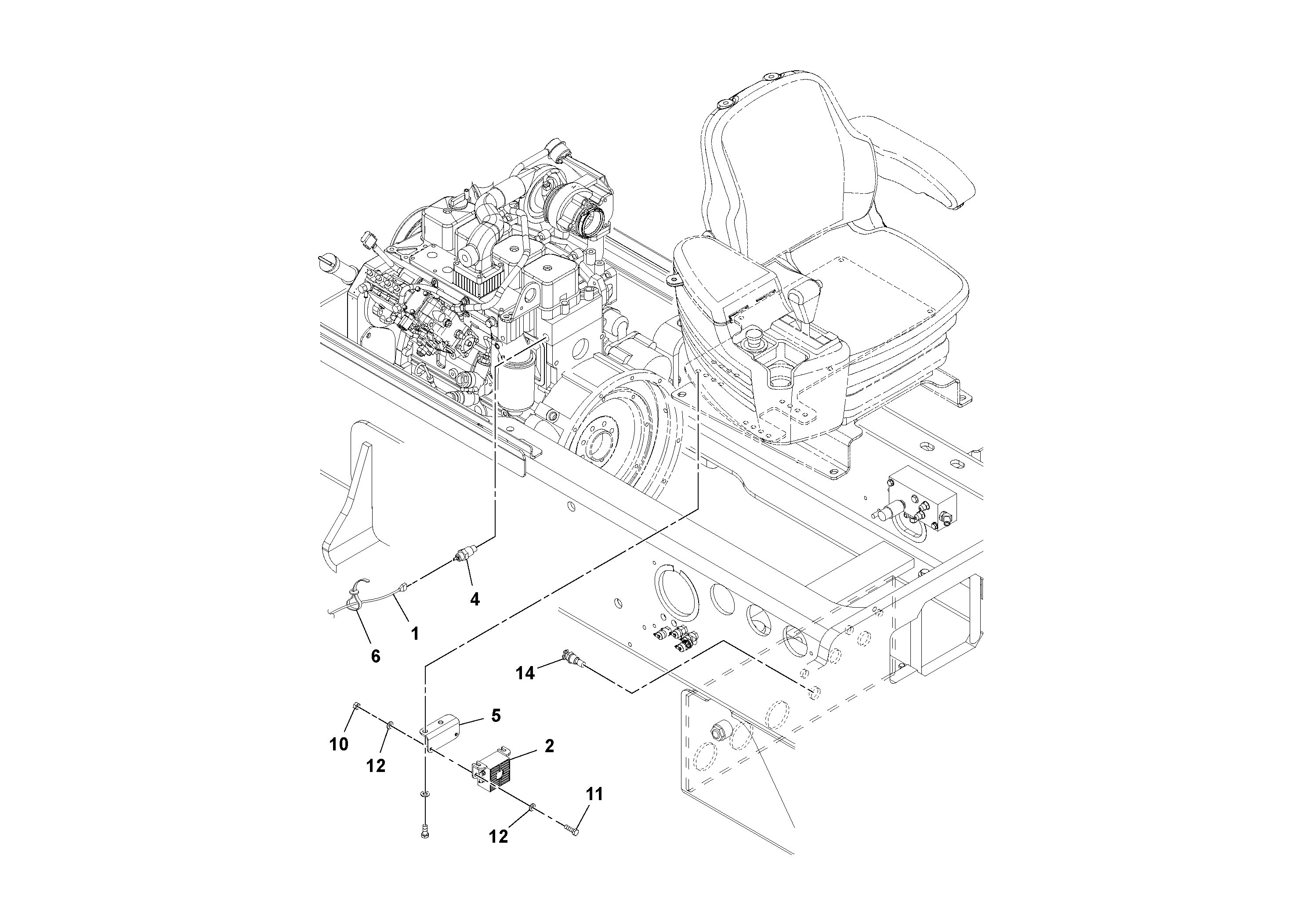
Схема запчастей Volvo SD70D/SD70F/SD77DX/SD77F S/N 197387- - 92874 Audible Alarm Installation
FIT
1:1
100%

Артикул

Название

Примечание

Количество

RM 13426606

Cable harness

S/N - 190739

1шт.

RM 13248901

Cable harness

AUDIBLE ALARM

1шт.

RM 13426622

Cable harness

AUDIBLE ALARM

1шт.

1

RM 19313667

Cable harness

S/N 190740-200660

1шт.

10

RM 96704234

Гайка

1шт.

10

RM 96704234

Гайка

1шт.

11

RM 96714472

Винт шестигранник

1шт.

12

RM 96741053

Шайба

1шт.

12

RM 96741053

Шайба

1шт.

14

RM 13406780

Temperature sensor

WATER TEMPERATURE

1шт.

2

RM 58870924

Anti-theft alarm

1шт.

2

RM 58870924

Anti-theft alarm

1шт.

4

RM 59636738

Sensor

1шт.

5

RM 13214028

Кронштейн

1шт.

6

RM 95373973

Locking wire

1шт.

6

RM 95373973

Locking wire

1шт.

Выбрано товаров: 16