Запчасти Volvo SD70D/SD70F/SD77DX/SD77F S/N 197387- 77935 Мост (ось)

Схема запчастей Volvo SD70D/SD70F/SD77DX/SD77F S/N 197387- - 77935 Мост (ось)
FIT
1:1
100%

Артикул

Название

Примечание

Количество

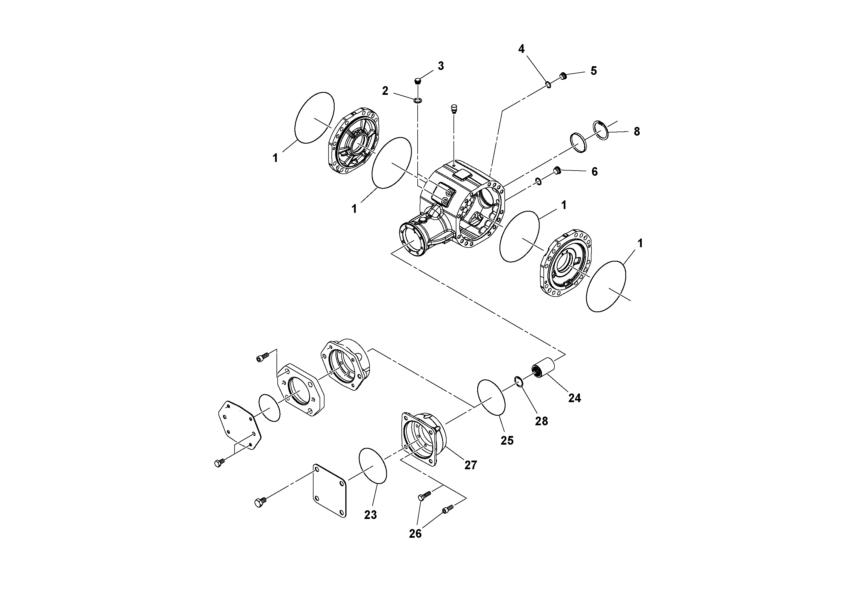
1

RM 13263470

Кольцо уплотнительное (О-кольцо)

1шт.

1

RM 13263470

Кольцо уплотнительное (О-кольцо)

1шт.

2

RM 13243753

Шайба

1шт.

2

RM 13243753

Шайба

1шт.

22

RM 13263363

Болт

1шт.

23

RM 90502592

Кольцо уплотнительное (О-кольцо)

1шт.

23

RM 90502592

Кольцо уплотнительное (О-кольцо)

1шт.

24

RM 13263371

Втулка

1шт.

24

RM 13263371

Втулка

1шт.

25

RM 58916628

Кольцо уплотнительное (О-кольцо)

1шт.

25

RM 58916628

Кольцо уплотнительное (О-кольцо)

1шт.

26

RM 90502949

Болт с круглой головкой (шляпкой)

1шт.

26

RM 90502949

Болт с круглой головкой (шляпкой)

1шт.

27

RM 13266846

Адаптер

1шт.

27

RM 13266846

Адаптер

1шт.

28

RM 13263389

Ring retainer

1шт.

28

RM 13263389

Ring retainer

1шт.

3

RM 59430694

Болт

1шт.

3

RM 59430694

Болт

1шт.

4

RM 59794123

Шайба

1шт.

4

RM 59794123

Шайба

1шт.

5

RM 59146241

Пробка (заглушка)

1шт.

5

RM 59146241

Пробка (заглушка)

1шт.

6

RM 59794115

Пробка (заглушка)

1шт.

6

RM 59794115

Пробка (заглушка)

1шт.

8

RM 59790824

Скоба (хомут)

1шт.

8

RM 59790824

Скоба (хомут)

1шт.

Выбрано товаров: 0