Запчасти Volvo SD77DA S/N 197788- 37924 Audible Alarm Installation

Схема запчастей Volvo SD77DA S/N 197788- - 37924 Audible Alarm Installation
FIT
1:1
100%

Артикул

Название

Примечание

Количество

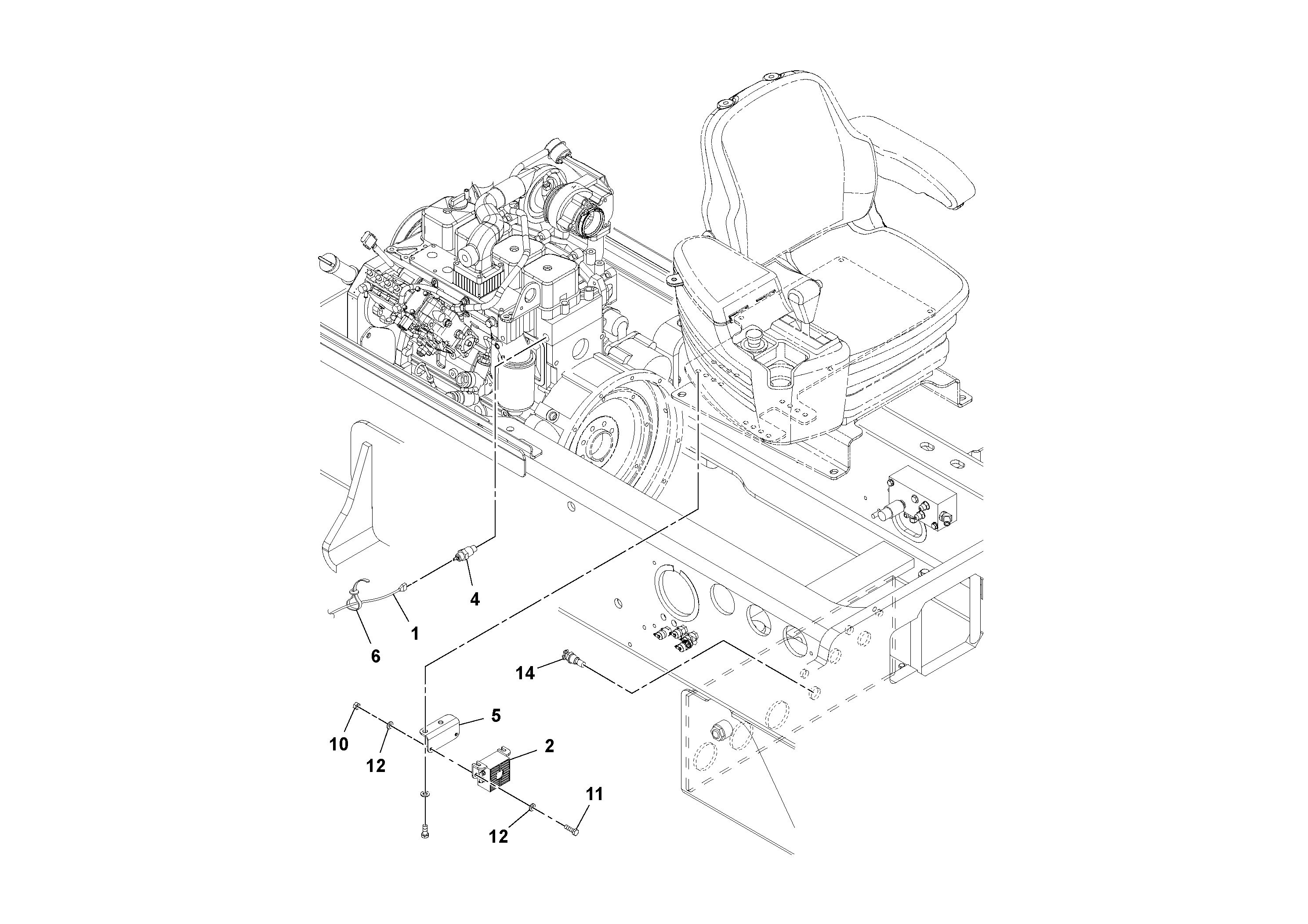
RM 13426622

Cable harness

AUDIBLE ALARM

1шт.

RM 13248901

Cable harness

AUDIBLE ALARM JUMPER

1шт.

RM 59134205

Temperature gauge

WATER TEMP

1шт.

1

RM 19313667

Cable harness

S/N 190421-

1шт.

10

RM 96704234

Гайка

1шт.

10

RM 96704234

Гайка

1шт.

11

RM 96714472

Винт шестигранник

1шт.

12

RM 96741053

Шайба

1шт.

12

RM 96741053

Шайба

1шт.

14

RM 13406780

Temperature sensor

WATER TEMPERATURE

1шт.

15

RM 58879891

Зажим

1шт.

15

RM 58879891

Зажим

1шт.

2

RM 58870924

Anti-theft alarm

1шт.

2

RM 58870924

Anti-theft alarm

1шт.

3

RM 13313648

Timer

1шт.

4

RM 59636738

Sensor

WATER

1шт.

5

RM 13214028

Кронштейн

1шт.

6

RM 95373973

Locking wire

1шт.

6

RM 95373973

Locking wire

1шт.

7

RM 96704598

Lock nut

1шт.

7

RM 96704598

Lock nut

1шт.

8

RM 96701461

Винт шестигранник

1шт.

8

RM 96701461

Винт шестигранник

1шт.

9

RM 96741038

Шайба

1шт.

9

RM 96741038

Шайба

1шт.

Выбрано товаров: 25