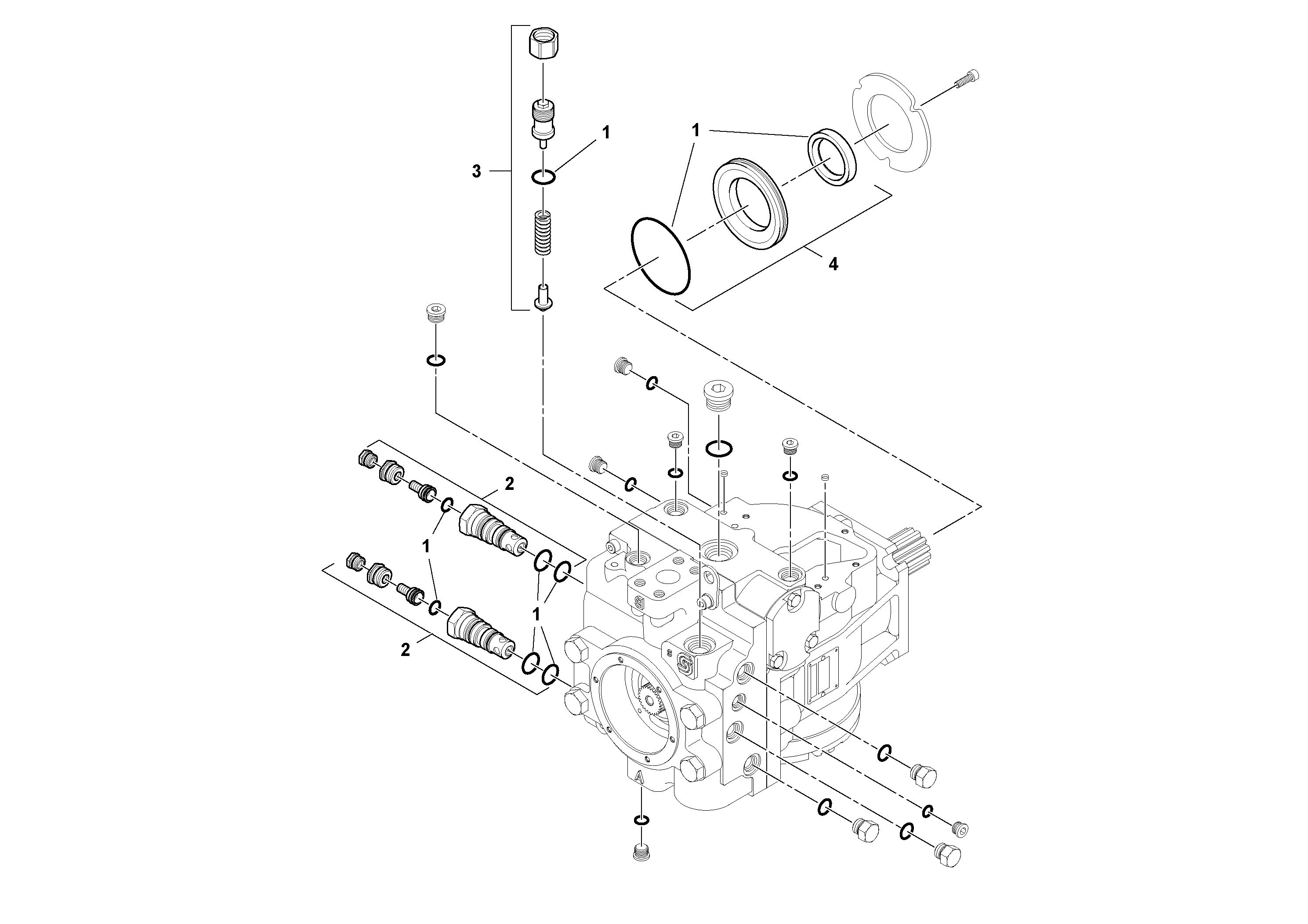
Запчасти Volvo SD77DA S/N 197788- 37992 Propulsion Pump

Схема запчастей Volvo SD77DA S/N 197788- - 37992 Propulsion Pump
FIT
1:1
100%

Артикул

Название

Примечание

Количество

RM 95210258

Кольцо уплотнительное (О-кольцо)

1шт.

RM 95210258

Кольцо уплотнительное (О-кольцо)

1шт.

RM 59360735

Кольцо уплотнительное (О-кольцо)

1шт.

RM 59360735

Кольцо уплотнительное (О-кольцо)

1шт.

1

RM 59985044

Sealing kit

S/N -200873

1шт.

1

RM 59985044

Sealing kit

S/N -200873

1шт.

2

RM 58921495

Клапан

1шт.

2

RM 58921495

Клапан

1шт.

3

RM 59446138

Kit

1шт.

3

RM 59446138

Kit

1шт.

4

RM 19281252

Sealing kit

1шт.

4

RM 19281252

Sealing kit

1шт.

Выбрано товаров: 12