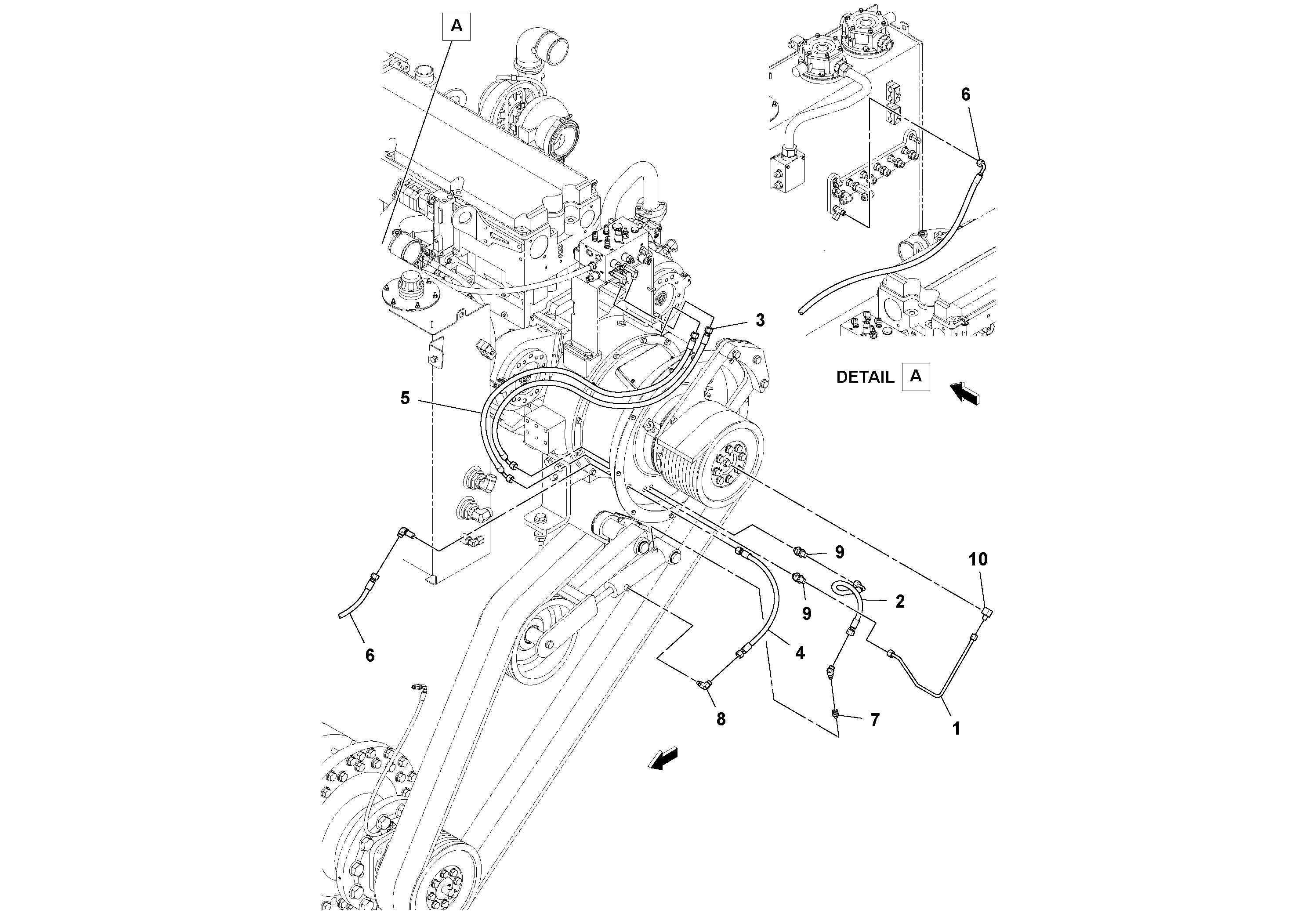
Запчасти Volvo MT2000 S/N 197282,198000- 80342 Plumbing Installation

Схема запчастей Volvo MT2000 S/N 197282,198000- - 80342 Plumbing Installation
FIT
1:1
100%

Артикул

Название

Примечание

Количество

1

RM 43882182

Трубка

1шт.

10

RM 43801075

Фиттинг

1шт.

11

RM 59962316

Фиттинг

1шт.

11

RM 59962316

Адаптер

1шт.

2

RM 46642104

Hose assembly

1шт.

3

RM 13195656

Hose assembly

1шт.

4

RM 19289024

Hose assembly

1шт.

5

RM 19296482

Hose assembly

1шт.

6

RM 19289321

Hose assembly

1шт.

7

RM 59922237

Адаптер

1шт.

8

RM 59922849

Адаптер

1шт.

9

RM 59961839

Адаптер

1шт.

9

RM 59961839

Адаптер

1шт.

Выбрано товаров: 13