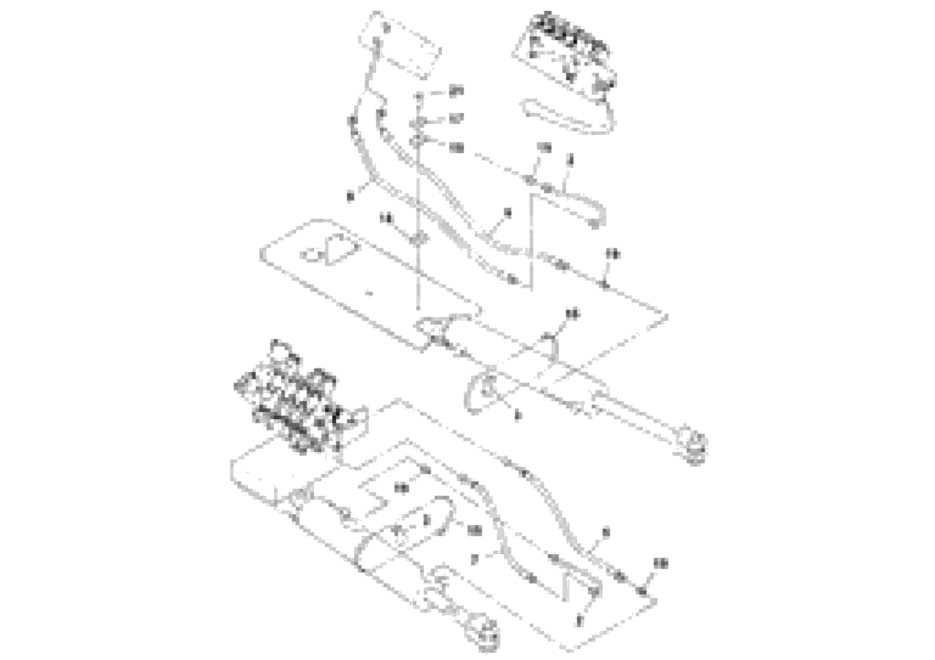
Запчасти Volvo MT2000 S/N 197282,198000- 80966 Plumbing Installation

Схема запчастей Volvo MT2000 S/N 197282,198000- - 80966 Plumbing Installation
FIT
1:1
100%

Артикул

Название

Примечание

Количество

15

RM 20936019

Зажим

1шт.

15

RM 20936019

Зажим

1шт.

19

RM 59919670

Соединитель

1шт.

19

RM 59919670

Адаптер

1шт.

2

RM 13866371

Трубка

1шт.

3

RM 19290451

Зажим

1шт.

5

RM 19298744

Hose assembly

1шт.

6

RM 19298751

Hose assembly

1шт.

7

RM 19298769

Hose assembly

1шт.

8

RM 19298777

Hose assembly

1шт.

Выбрано товаров: 10