Запчасти Volvo MT2000 S/N 197282,198000- 19419 Engine Off Auxiliary Hydraulic Power

Схема запчастей Volvo MT2000 S/N 197282,198000- - 19419 Engine Off Auxiliary Hydraulic Power
FIT
1:1
100%

Артикул

Название

Примечание

Количество

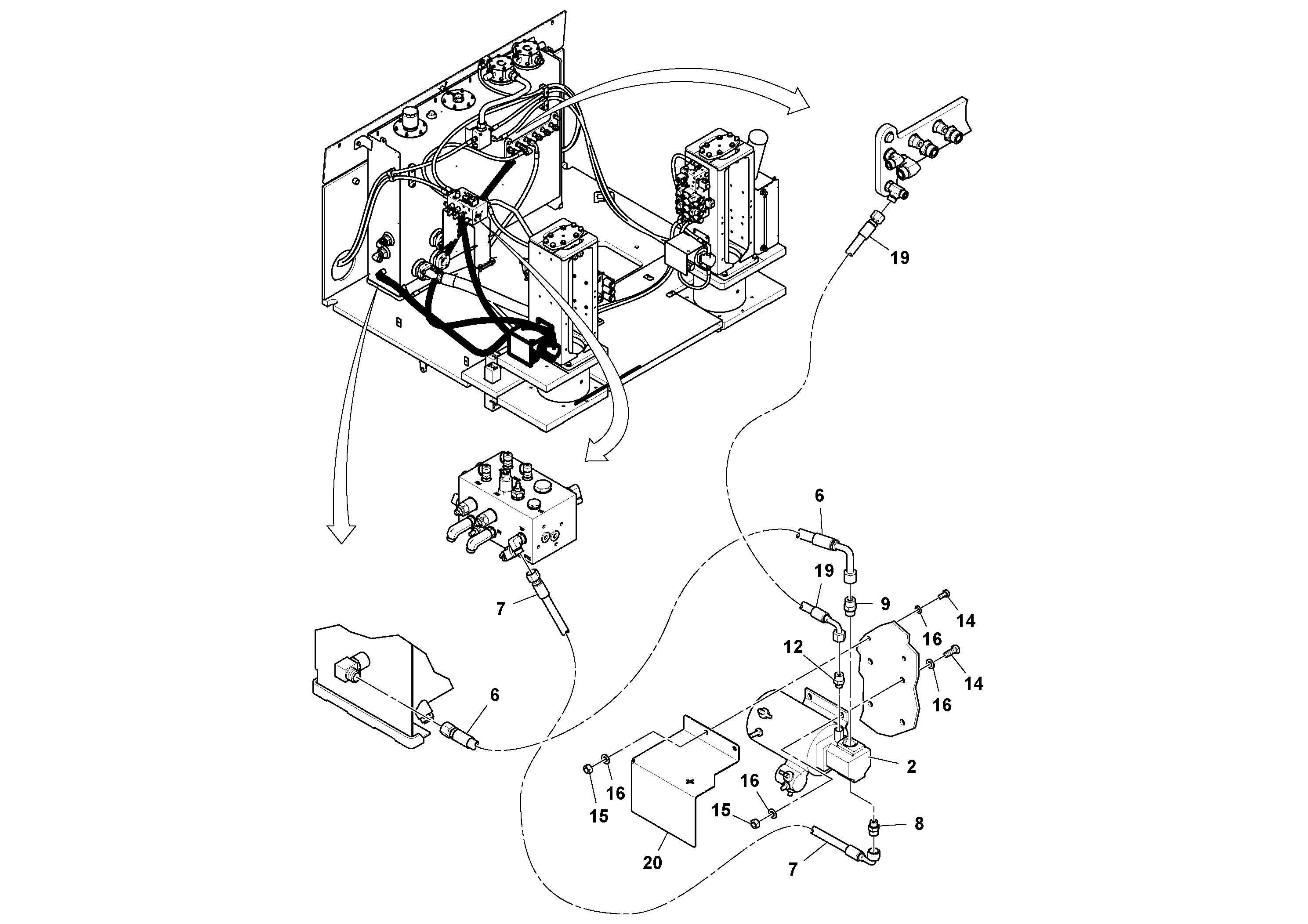
12

RM 59922443

Адаптер

1шт.

14

RM 96702287

Винт шестигранник

1шт.

14

RM 96702287

Винт шестигранник

1шт.

15

RM 96704812

Hexagon nut

1шт.

15

RM 96704812

Hexagon nut

1шт.

16

RM 96741046

Плоская шайба

1шт.

16

RM 96741046

Плоская шайба

1шт.

19

RM 43820273

Hose assembly

1шт.

2

RM 13866132

Насос

1шт.

20

RM 43936061

Крышка

1шт.

6

RM 43879436

Hose assembly

1шт.

7

RM 13181466

Hose assembly

1шт.

8

RM 59919670

Соединитель

1шт.

8

RM 59919670

Адаптер

1шт.

9

RM 59922492

Адаптер

1шт.

9

RM 59922492

Адаптер

1шт.

Выбрано товаров: 16