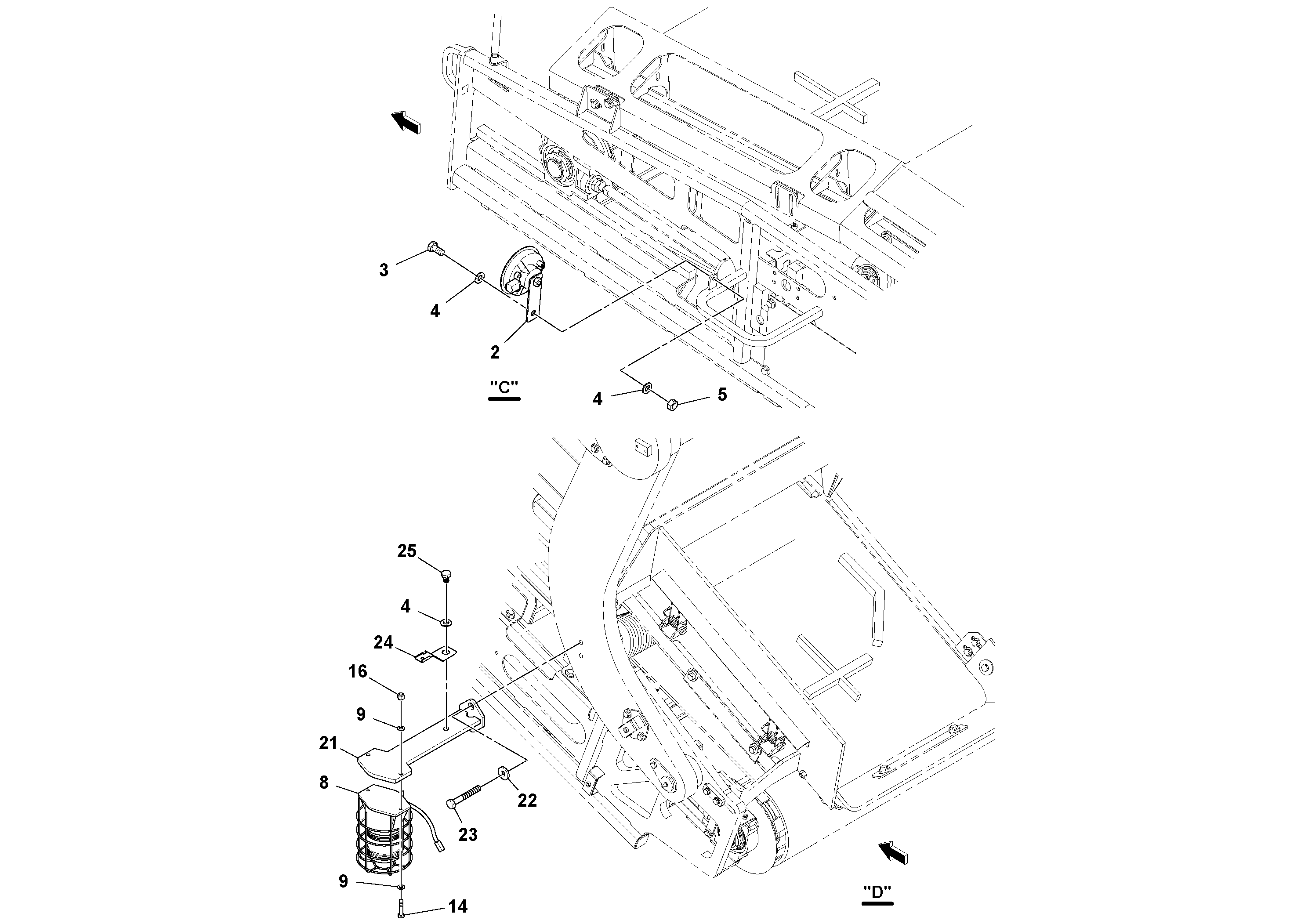
Запчасти Volvo MT2000 S/N 197282,198000- 48569 Audible Alarm Installation

Схема запчастей Volvo MT2000 S/N 197282,198000- - 48569 Audible Alarm Installation
FIT
1:1
100%

Артикул

Название

Примечание

Количество

14

RM 96705744

Винт шестигранник

1шт.

14

RM 96705744

Винт шестигранник

1шт.

16

RM 96704580

Lock nut

1шт.

16

RM 96704580

Lock nut

1шт.

2

RM 18004325

Horn

1шт.

21

RM 43877430

Кронштейн

1шт.

22

RM 96711833

Шайба

1шт.

22

RM 96711833

Шайба

1шт.

23

RM 96704713

Винт шестигранник

1шт.

23

RM 96704713

Винт шестигранник

1шт.

24

VOE 14522575

Скоба (хомут)

1шт.

24

VOE 14522575

Скоба (хомут)

1шт.

25

RM 96705967

Болт

1шт.

3

RM 96702279

Винт шестигранник

1шт.

3

RM 96702279

Винт шестигранник

1шт.

4

RM 96714399

Плоская шайба

1шт.

4

RM 96714399

Плоская шайба

1шт.

5

RM 96704812

Hexagon nut

1шт.

5

RM 96704812

Hexagon nut

1шт.

8

RM 43877638

Lamp

1шт.

9

RM 96727581

Плоская шайба

1шт.

Выбрано товаров: 21