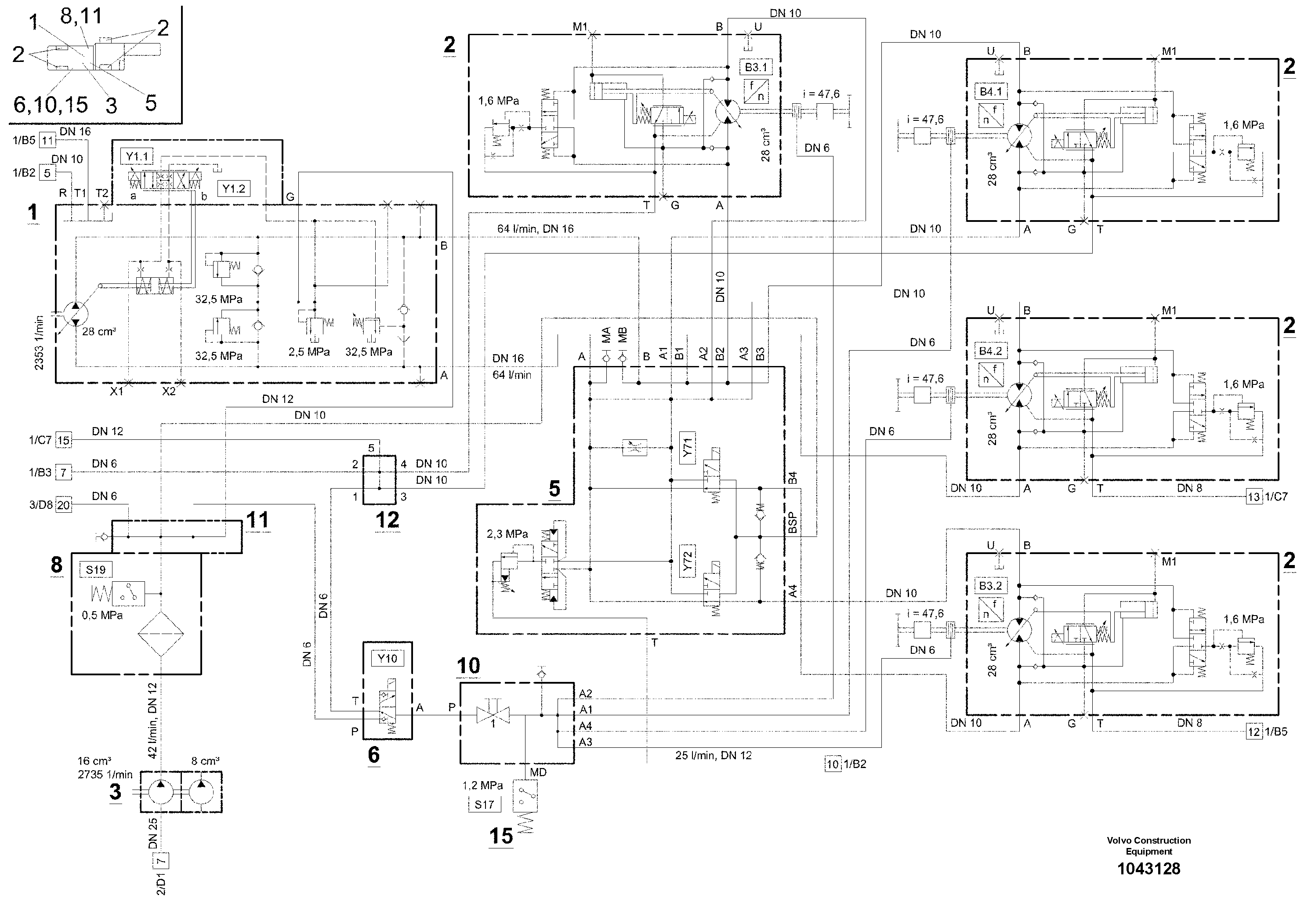
Запчасти Volvo MW500 S/N 20591 - 100281 Hydraulic diagram

Схема запчастей Volvo MW500 S/N 20591 - - 100281 Hydraulic diagram
FIT
1:1
100%

Артикул

Название

Примечание

Количество

1

RM 80699614

Гидронасос (основной насос)

A10VG28EP4

1шт.

10

RM 80771132

Distributor block

1шт.

11

RM 80801053

Feed Pressure Distributor

1шт.

12

RM 80800238

Leak-oil Collector

1шт.

15

RM 13954433

Push button

S/N - 22948

1шт.

15

RM 80906365

Push button

S/N 22949 -

1шт.

16

RM 54726740

Hydraulic fluid filter

S/N -20588

1шт.

16

RM 54726740

Hydraulic fluid filter

S/N -20588

1шт.

17

RM 80605090

Indicator

S/N -20588

1шт.

17

RM 80605090

Indicator

S/N -20588

1шт.

2

RM 80703069

Гидромотор

A6VE28EP2

1шт.

3

RM 80820061

Пилотный (шестерёнчатый) насос

DOUBLE

1шт.

5

RM 80836216

Valve block

1шт.

6

RM 80612880

Valve block

1шт.

6

RM 80612880

Valve block

1шт.

8

RM 80728124

Фильтр пилотный в сборе, гидравлики

1шт.

Выбрано товаров: 16