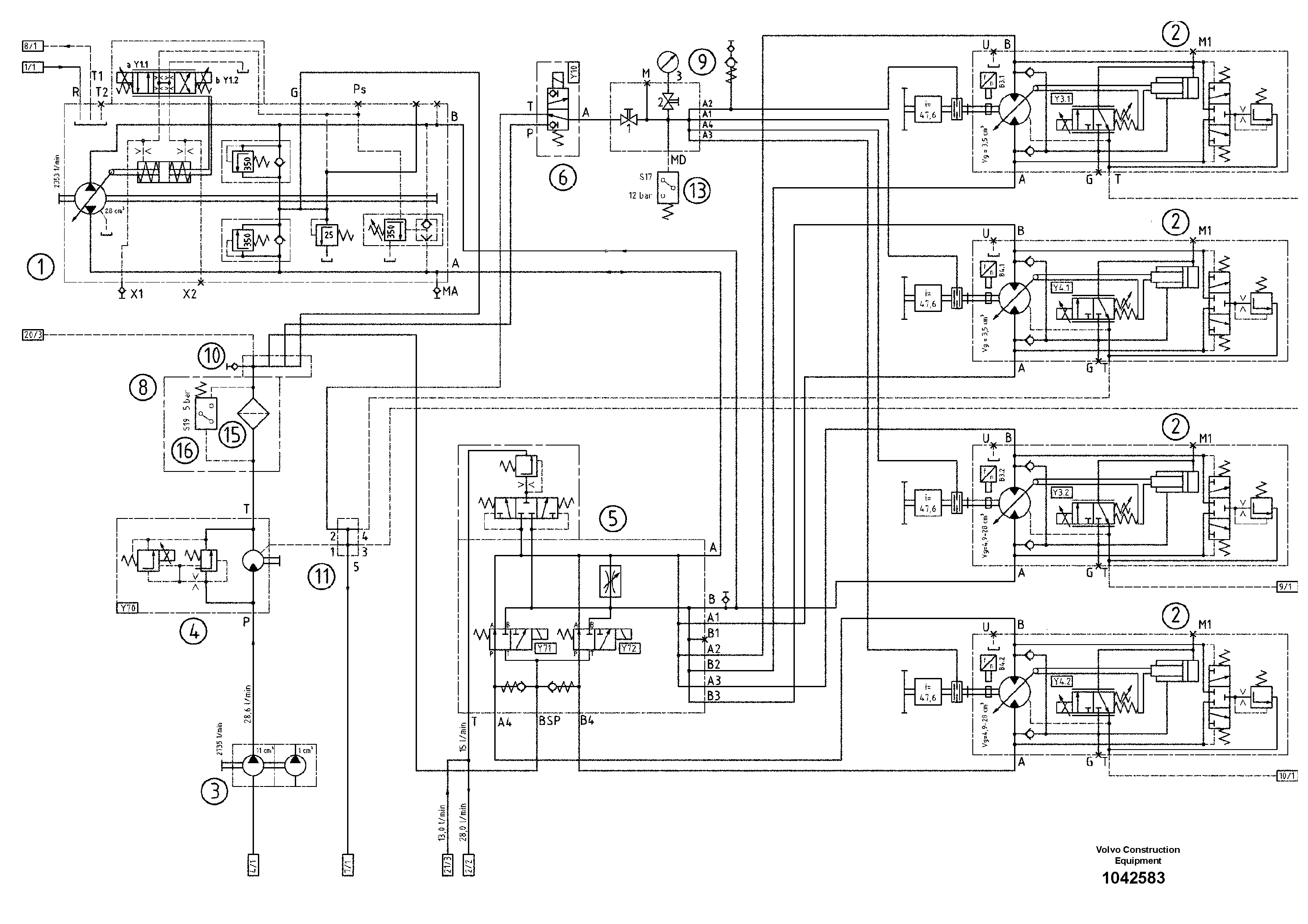
Запчасти Volvo MW500 S/N 20591 - 99071 Hydraulic diagram

Схема запчастей Volvo MW500 S/N 20591 - - 99071 Hydraulic diagram
FIT
1:1
100%

Артикул

Название

Примечание

Количество

1

RM 80699614

Гидронасос (основной насос)

A10VG28EP4

1шт.

10

RM 80801053

Feed Pressure Distributor

1шт.

11

RM 80800238

Leak-oil Collector

1шт.

13

RM 13954433

Push button

1шт.

15

RM 54726740

Hydraulic fluid filter

1шт.

15

RM 54726740

Hydraulic fluid filter

1шт.

16

RM 80605090

Indicator

1шт.

16

RM 80605090

Indicator

1шт.

2

RM 80703069

Гидромотор

A6VE28EP2

1шт.

3

RM 80722085

Пилотный (шестерёнчатый) насос

DOUBLE

1шт.

4

RM 80767387

Gear motor

1шт.

5

RM 80797590

Valve block

1шт.

6

RM 80612880

Valve block

1шт.

6

RM 80612880

Valve block

1шт.

8

RM 80728124

Фильтр пилотный в сборе, гидравлики

1шт.

9

RM 80771132

Distributor block

1шт.

Выбрано товаров: 16