Запчасти Volvo EC14 TYPE 246, 271 104914 Hydr. circuit.( boom / dipper arm / bucket )

Схема запчастей Volvo EC14 TYPE 246, 271 - 104914 Hydr. circuit.( boom / dipper arm / bucket )
FIT
1:1
100%

Артикул

Название

Примечание

Количество

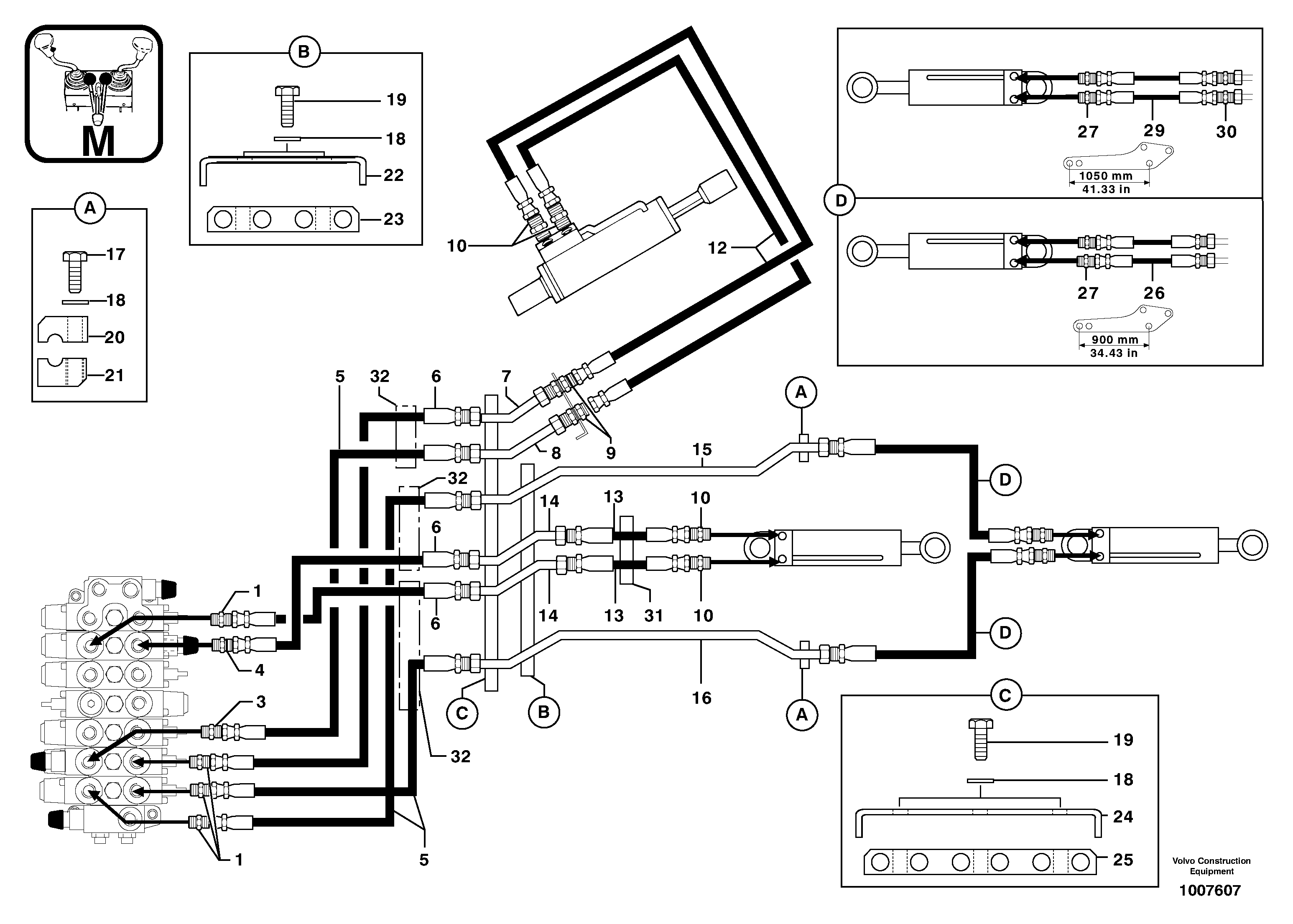
1

PJ 4750421

Переходник масляного фильтра

1шт.

10

VOE 11806380

Переходник масляного фильтра

1шт.

12

PJ 4193045

High pressure hose

5/16"

1шт.

13

PJ 4193046

High pressure hose

5/16"

1шт.

14

PJ 5710111

Трубка

1шт.

15

PJ 5910211

Трубка

LH

1шт.

16

PJ 5910212

Трубка

RH

1шт.

17

VOE 983244

Винт шестигранник

HM8X30

1шт.

17

VOE 983244

Винт шестигранник

HM8X30

1шт.

18

VOE 13955894

Шайба

MU8

1шт.

18

VOE 13955894

Шайба

MU8

1шт.

19

PJ 4380044

Болт

HM8X25

1шт.

20

PJ 4690034

Фланец

1шт.

21

PJ 4690033

Фланец

1шт.

22

PJ 4690025

Фланец

1шт.

23

PJ 4690026

Прокладка

1шт.

24

PJ 4690210

Фланец

1шт.

25

PJ 4690211

Прокладка

1шт.

26

PJ 4190312

High pressure hose

5/16''

1шт.

27

VOE 11806380

Переходник масляного фильтра

1шт.

29

PJ 4190303

High pressure hose

5/16''

1шт.

3

PJ 4770695

Restricting valve

ID = 3mm/0.1181in

1шт.

30

VOE 11806356

Переходник масляного фильтра

1шт.

31

PJ 5040013

Втулка (распорная)

1шт.

32

PJ 5040320

Втулка (распорная)

1шт.

4

PJ 4770692

Restricting valve

ID = 2,5mm/0.0984

1шт.

5

PJ 4192414

Шланг

1/4''

1шт.

6

PJ 4192415

Шланг

1/4''

1шт.

7

PJ 5900151

Трубка

LH

1шт.

8

PJ 5900152

Трубка

RH

1шт.

9

PJ 4750006

Переходник масляного фильтра

1шт.

Выбрано товаров: 31