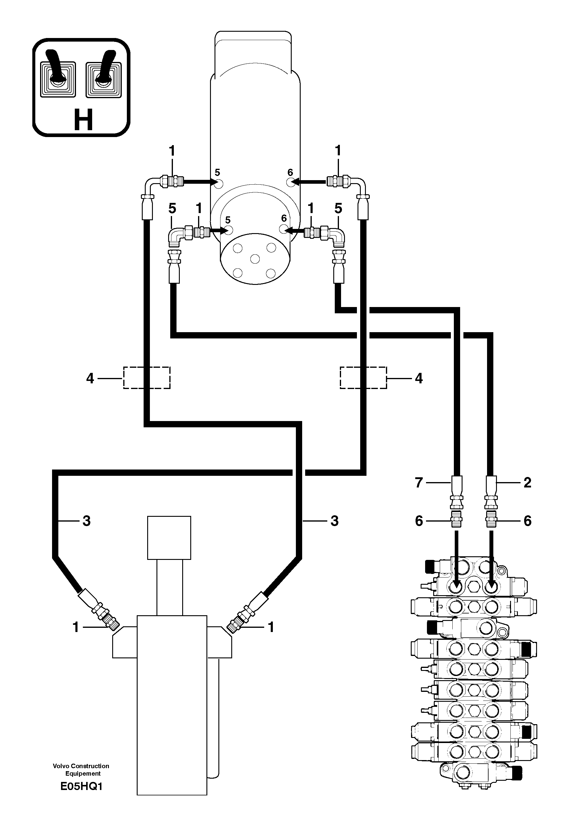
Запчасти Volvo EC14 TYPE 246, 271 21113 Hydr. circuit. ( dozer blade )

Схема запчастей Volvo EC14 TYPE 246, 271 - 21113 Hydr. circuit. ( dozer blade )
FIT
1:1
100%

Артикул

Название

Примечание

Количество

1

VOE 11806380

Переходник масляного фильтра

1шт.

2

PJ 4190345

High pressure hose

5/16''

1шт.

3

VOE 11805883

Шланг

5/16''

1шт.

4

PJ 5140050

Уплотнительная втулка

1шт.

5

PJ 4700006

Elbow

1шт.

6

PJ 4750421

Переходник масляного фильтра

1шт.

7

PJ 4190336

High pressure hose

5/16''

1шт.

Выбрано товаров: 7