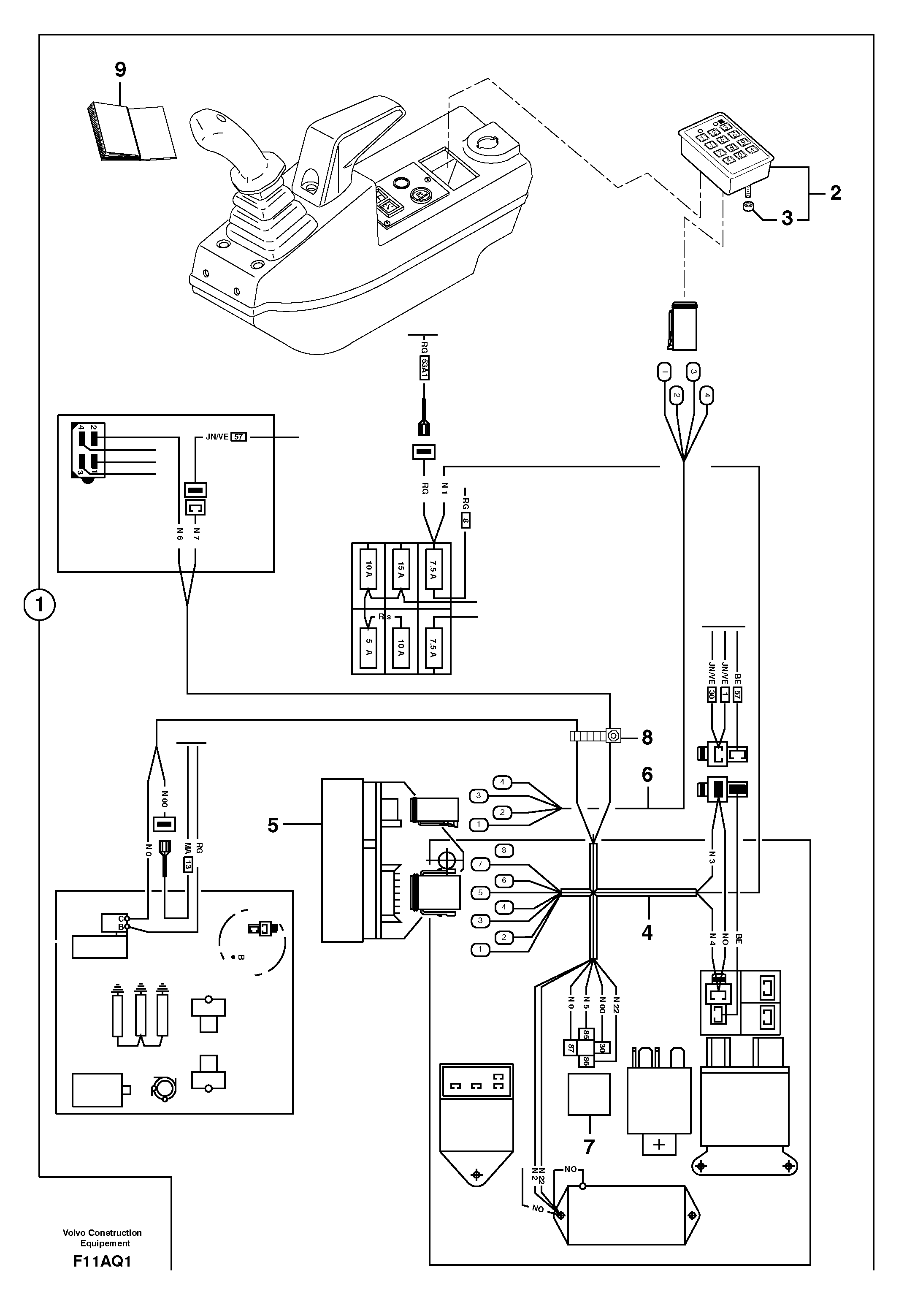
Запчасти Volvo EC14 TYPE 246, 271 24593 Coded keypad ( anti-start ) / without Puma

Схема запчастей Volvo EC14 TYPE 246, 271 - 24593 Coded keypad ( anti-start ) / without Puma
FIT
1:1
100%

Артикул

Название

Примечание

Количество

1

PJ 6532089

Coded keypad kit

1шт.

2

VOE 11803149

Control panel

1шт.

2

VOE 11803149

Control panel

1шт.

3

PJ 4410010

Гайка

HM5

1шт.

4

PJ 5720669

Wire harness

1шт.

5

VOE 11801418

Electronic unit

1шт.

5

VOE 11801418

Electronic unit

1шт.

6

VOE 11803912

Wire harness

1шт.

7

VOE 11806280

Реле

1шт.

8

VOE 11806169

Cable clamp

1шт.

9

PJ 5400629

Instal. instruction

1шт.

Выбрано товаров: 11