Качественные детали и логистика
Оригинальные и аналоговые запчасти с доставкой по России, Казахстану и Беларуси
©2022 PartSell ООО "Система" ИНН 2463123282 ОГРН 1212400004838
Центральный офис: г. Красноярск, Академика Киренского, д.87, пом.4
Телефон: 8 (800) 777-65-74 Email: zakaz@partsell.ru
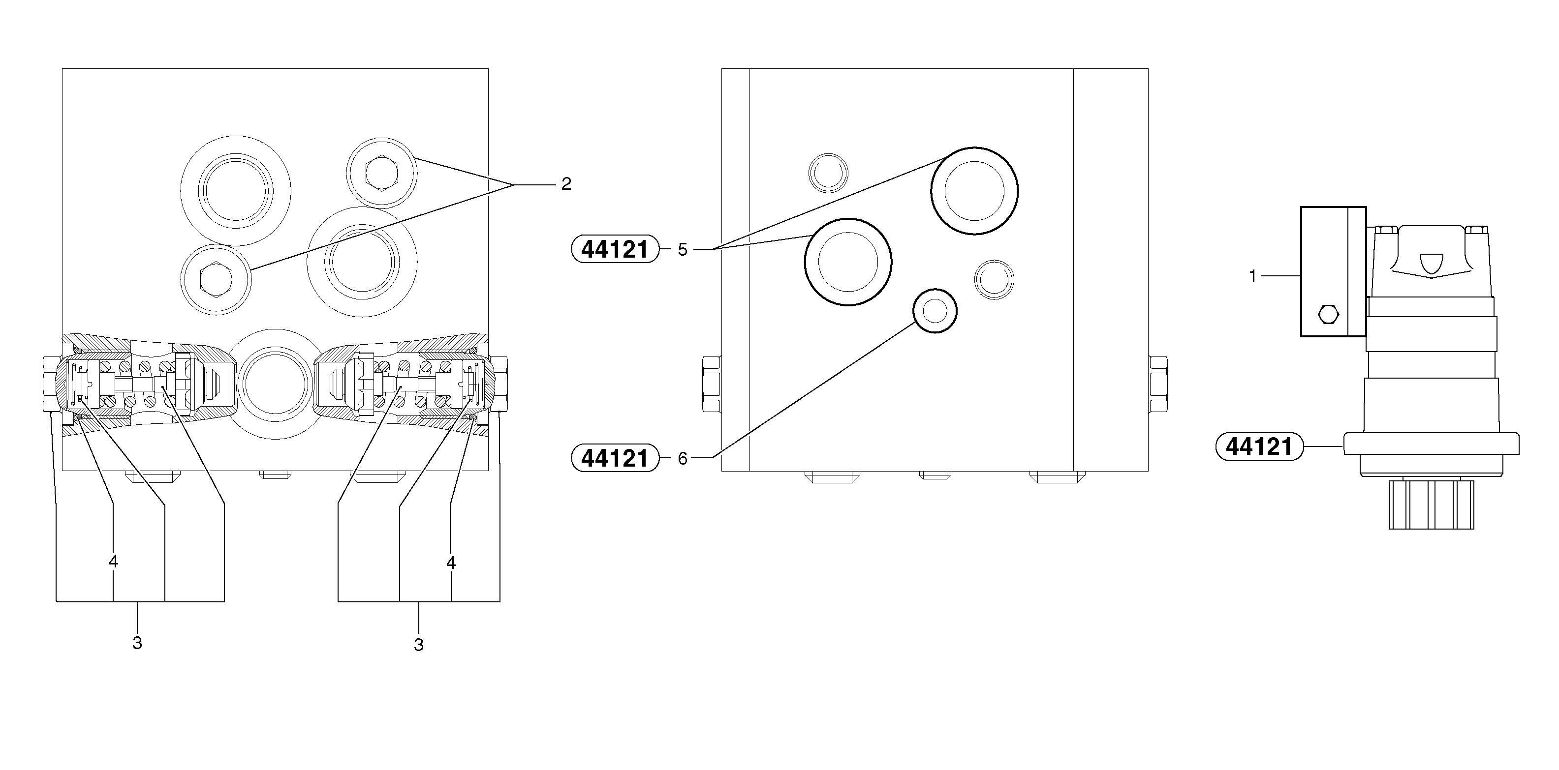
5585 Balancing valve ( slewing )
№
Артикул
Название
Примечание
Количество
1
PJ 6090129
Клапан
1шт.
2
PJ 7416856
Болт
3
PJ 6090130
Клапан предохранительный (разгрузочный, сброса давления)
150 bar, 2175 PSI
4
VOE 11711167
Пробка (заглушка)
Выбрано товаров: 0