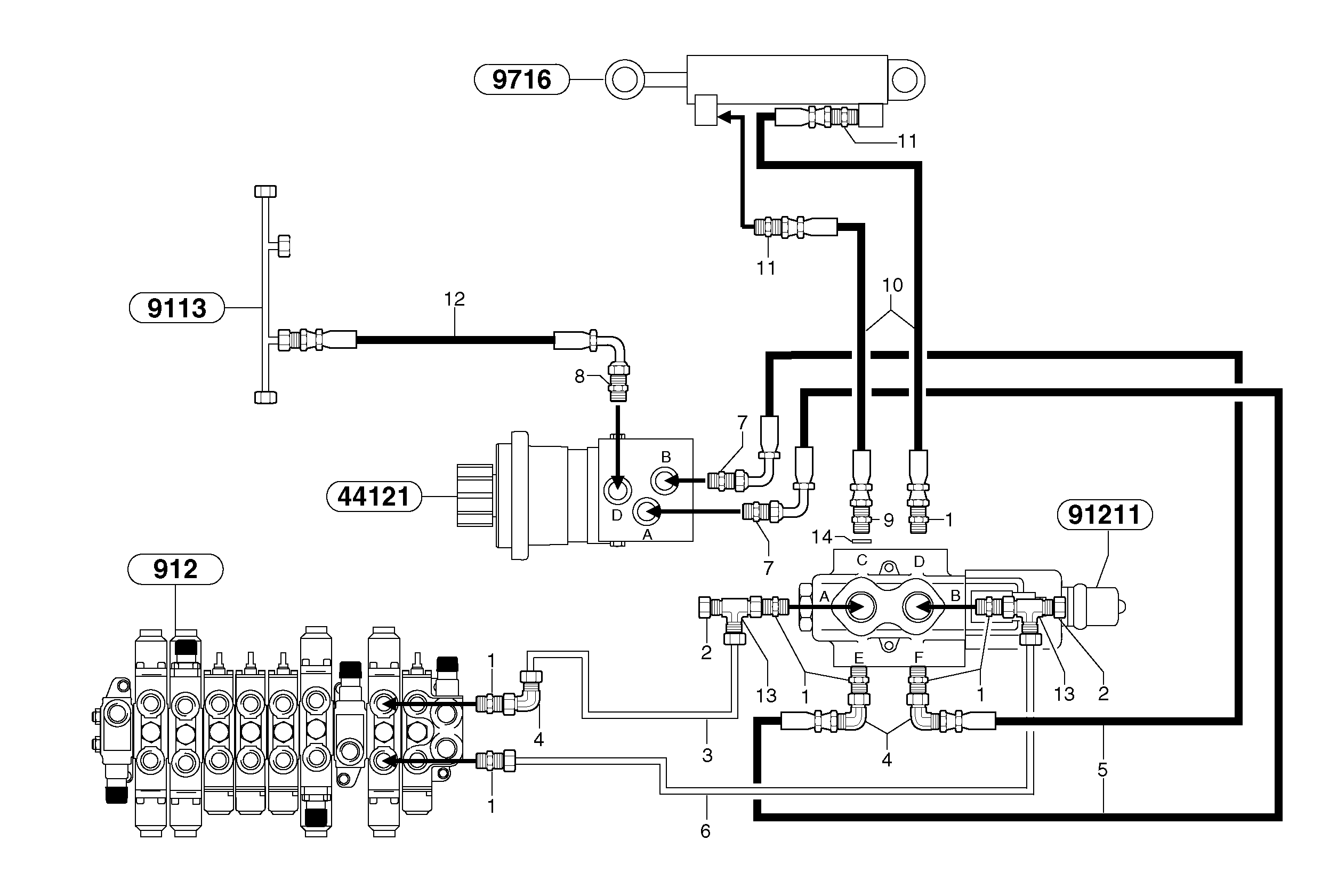
Запчасти Volvo EC15 105692 Hydr. circuit. ( boom slewing / offset ) EC15 TYPE 261 XT/XTV

Схема запчастей Volvo EC15 - 105692 Hydr. circuit. ( boom slewing / offset ) EC15 TYPE 261 XT/XTV
FIT
1:1
100%

Артикул

Название

Примечание

Количество

1

PJ 4750421

Переходник масляного фильтра

1шт.

10

VOE 11806007

Шланг

5/16"

1шт.

11

VOE 11806380

Переходник масляного фильтра

1шт.

12

PJ 4194099

High pressure hose

3/8"

1шт.

13

VOE 11806309

Nipple

1шт.

14

VOE 14042936

Sealing washer

1шт.

14

VOE 14042936

Sealing washer

1шт.

2

PJ 4740021

Пробка (заглушка)

1шт.

3

PJ 5910613

Трубка

1шт.

4

VOE 11806283

Elbow

1шт.

5

VOE 11805984

Шланг

5/16''

1шт.

6

PJ 5910614

Трубка

1шт.

7

VOE 11806397

Переходник масляного фильтра

1шт.

8

PJ 4750250

Переходник масляного фильтра

1шт.

9

VOE 11806431

Nipple

ID = 1,2mm/0.0472in

1шт.

Выбрано товаров: 15