Качественные детали и логистика
Оригинальные и аналоговые запчасти с доставкой по России, Казахстану и Беларуси
©2022 PartSell ООО "Система" ИНН 2463123282 ОГРН 1212400004838
Центральный офис: г. Красноярск, Академика Киренского, д.87, пом.4
Телефон: 8 (800) 777-65-74 Email: zakaz@partsell.ru
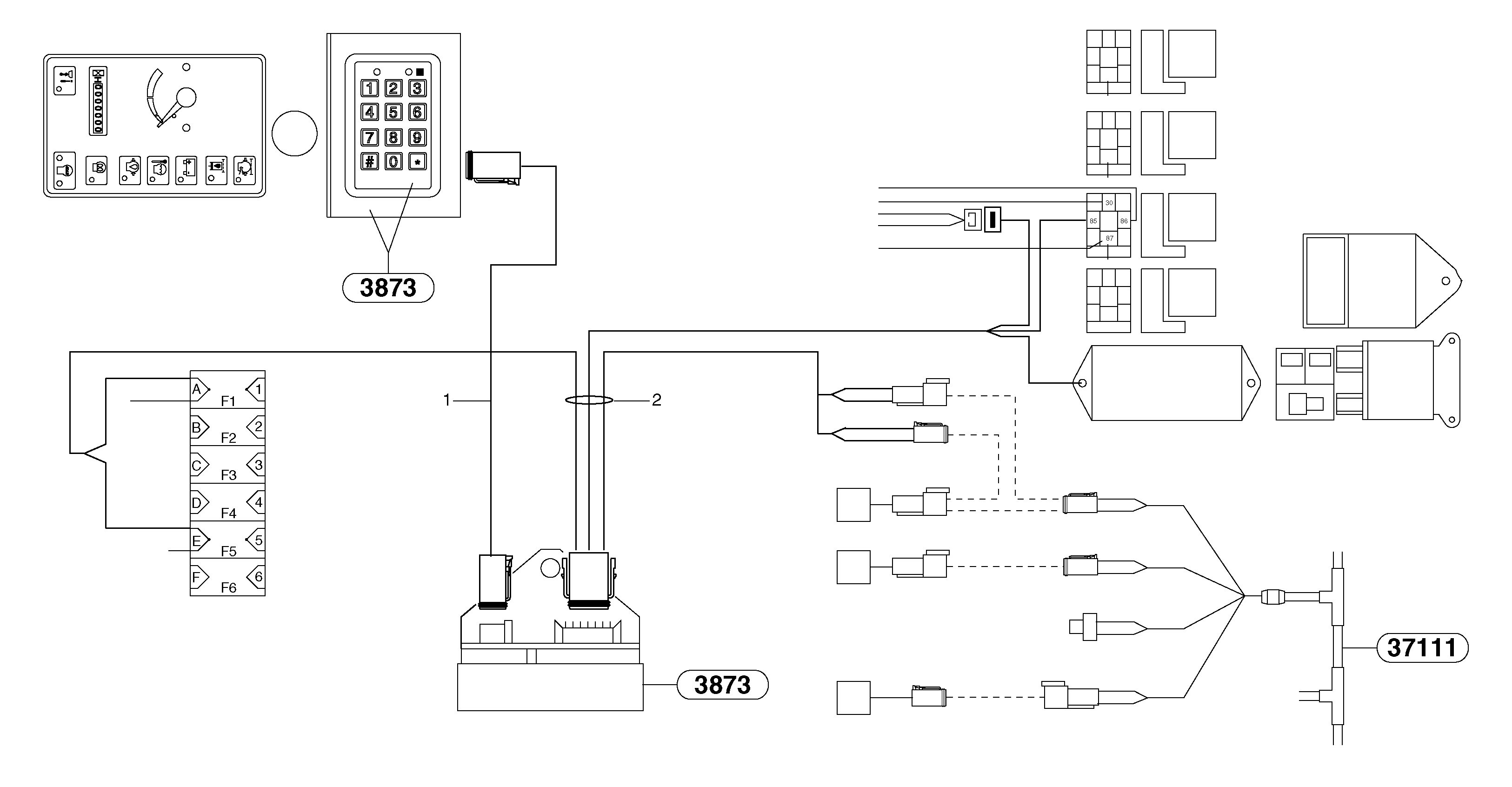
4889 Electrical system / coded keypad
№
Артикул
Название
Примечание
Количество
1
VOE 11803912
Wire harness
1шт.
2
PJ 5720670
Выбрано товаров: 0