Запчасти Volvo EC15 3968 Electrical system / cab EC15 TYPE 265 XR

Схема запчастей Volvo EC15 - 3968 Electrical system / cab EC15 TYPE 265 XR
FIT
1:1
100%

Артикул

Название

Примечание

Количество

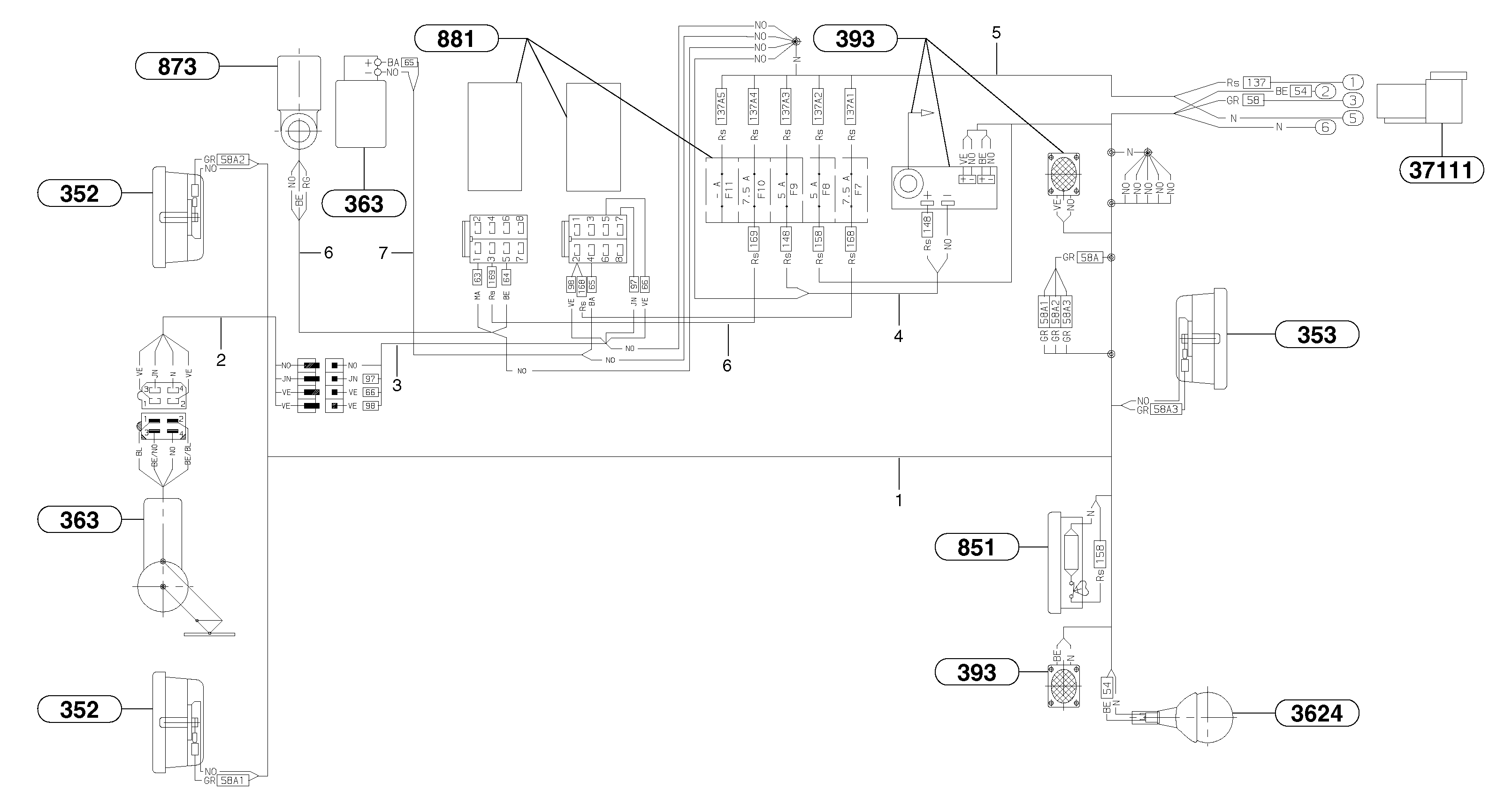
1

PJ 7416823

Cable harness

1шт.

2

PJ 7416826

Cable harness

1шт.

3

PJ 7416825

Cable harness

1шт.

4

PJ 7416829

Cable harness

1шт.

5

PJ 7416827

Cable harness

1шт.

6

PJ 7416828

Cable harness

1шт.

7

PJ 7416824

Cable harness

1шт.

Выбрано товаров: 0