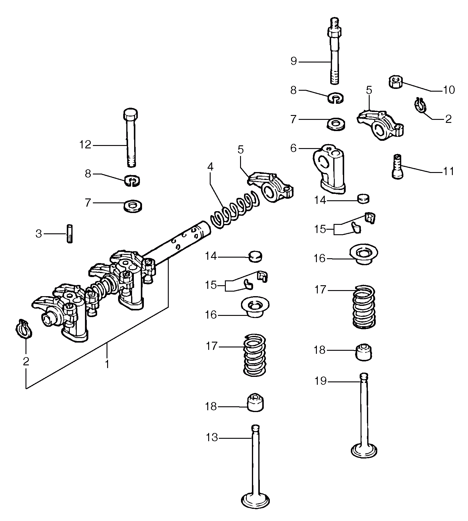
Запчасти Volvo EC15B 18822 Ось (вал) коромысла EC15B TYPE 272 XR

Схема запчастей Volvo EC15B - 18822 Ось (вал) коромысла EC15B TYPE 272 XR
FIT
1:1
100%

Артикул

Название

Примечание

Количество

1

PJ 7418433

Ось (вал) коромысла

1шт.

10

VOE 983302

Гайка

1шт.

10

VOE 983302

Hexagon nut

1шт.

11

PJ 7410658

Болт

1шт.

12

PJ 7411295

Болт

1шт.

13

PJ 7410620

Клапан впускной

1шт.

13

VOE 15047648

Клапан впускной

1шт.

14

PJ 7414924

Cap

1шт.

15

PJ 7410056

Stop

1шт.

16

PJ 7410655

Шайба

1шт.

16

VOE 15042927

Шайба

1шт.

17

PJ 7410638

Пружина

1шт.

18

PJ 7414430

Сальник

1шт.

19

PJ 7410621

Клапан выпускной

1шт.

19

VOE 15043581

Клапан выпускной

1шт.

2

PJ 7410605

Кольцо стопорное

1шт.

3

PJ 7410622

Палец

1шт.

4

PJ 7410612

Пружина

1шт.

5

PJ 7410657

Коромысло клапанов

1шт.

5

VOE 15043547

Коромысло клапанов

1шт.

6

PJ 7410613

Опора

1шт.

7

PJ 7410402

Шайба

1шт.

8

PJ 4470014

Стопорная шайба (кольцо)

1шт.

9

PJ 7410669

Шпилька

1шт.

9

VOE 15043549

Болт

1шт.

Выбрано товаров: 25