Качественные детали и логистика
Оригинальные и аналоговые запчасти с доставкой по России, Казахстану и Беларуси
©2022 PartSell ООО "Система" ИНН 2463123282 ОГРН 1212400004838
Центральный офис: г. Красноярск, Академика Киренского, д.87, пом.4
Телефон: 8 (800) 777-65-74 Email: zakaz@partsell.ru
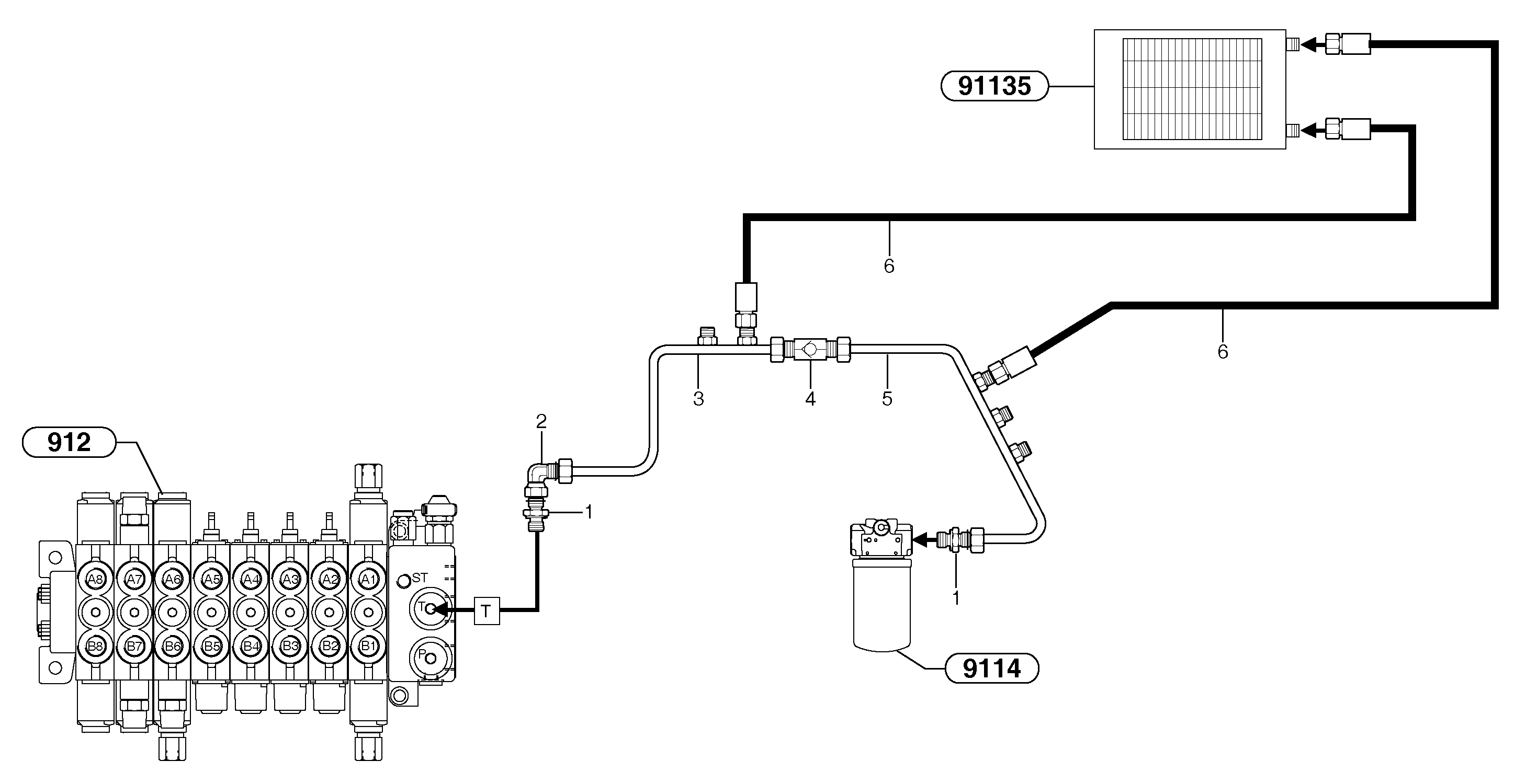
44882 Hydr. circuit. ( Oil cooler )
№
Артикул
Название
Примечание
Количество
1
VOE 11806378
Переходник масляного фильтра
1шт.
2
PJ 4700014
Elbow
3
PJ 6010162
Трубка
4
VOE 11806466
Reed valve
2 bars, 29 PSI
5
VOE 11800946
6
PJ 4194097
High pressure hose
3/8"
Выбрано товаров: 0