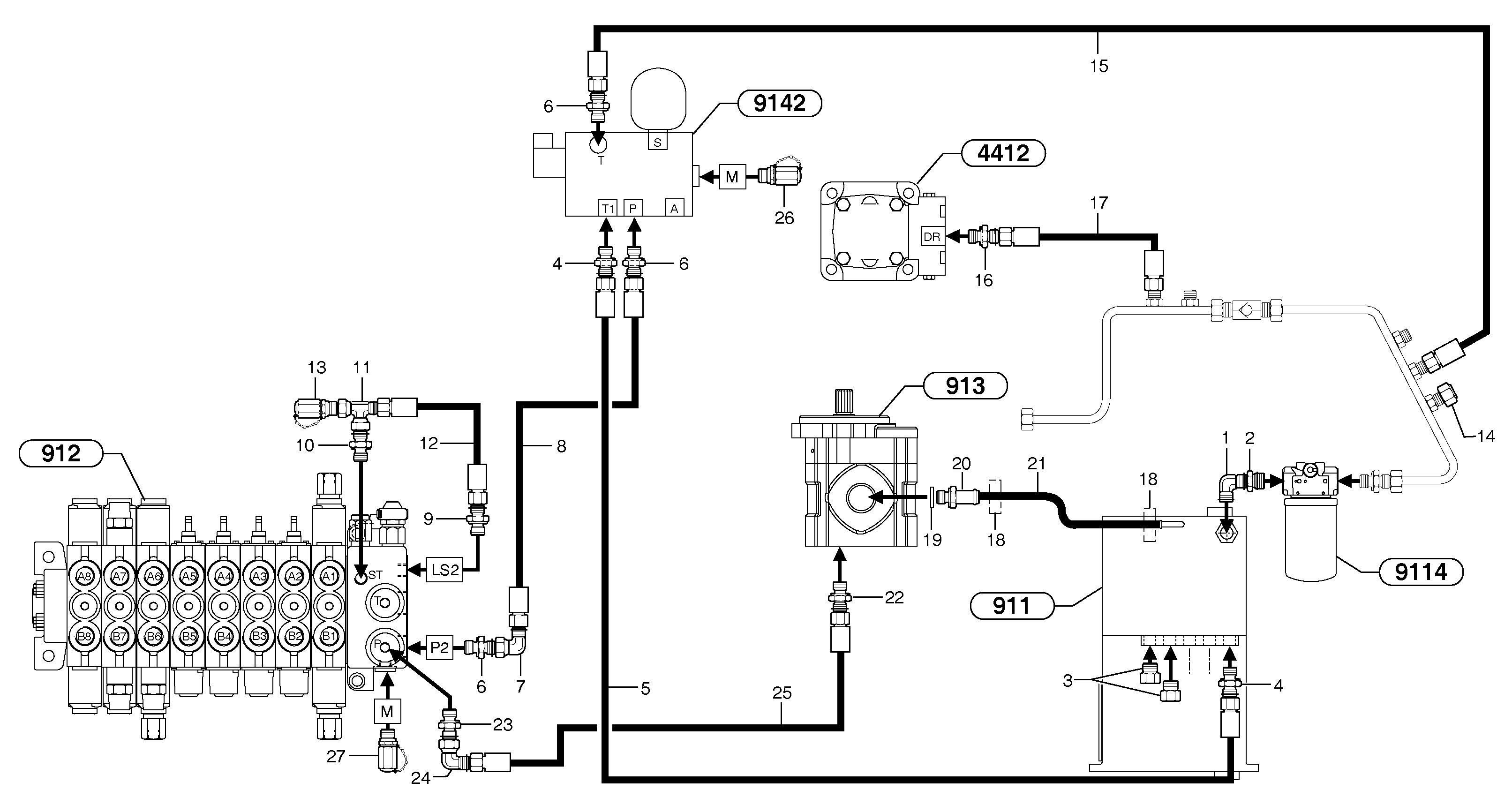
Запчасти Volvo EC15B 84693 Attachments supply and return circuit EC15B TYPE 272 XR

Схема запчастей Volvo EC15B - 84693 Attachments supply and return circuit EC15B TYPE 272 XR
FIT
1:1
100%

Артикул

Название

Примечание

Количество

1

PJ 4700014

Elbow

1шт.

10

VOE 11806380

Переходник масляного фильтра

1шт.

11

VOE 11806315

Nipple

1шт.

12

VOE 11805987

Шланг

5/16''

1шт.

13

VOE 936449

Testing nipple

1шт.

14

VOE 11806333

Пробка (заглушка)

1шт.

15

VOE 11800954

Шланг

5/8"

1шт.

16

PJ 4750250

Переходник масляного фильтра

1шт.

17

PJ 4194099

High pressure hose

3/8"

1шт.

18

PJ 4690125

Зажим

1шт.

19

VOE 944252

Прокладка

1шт.

2

PJ 4750117

Переходник масляного фильтра

1шт.

20

VOE 11800067

Адаптер

1шт.

21

VOE 11800685

Suction hose

1шт.

22

PJ 4750246

Переходник масляного фильтра

1шт.

23

VOE 11801104

Union with seal

1шт.

24

PJ 4700012

Elbow

1шт.

25

VOE 11800953

Шланг

1/2"

1шт.

26

VOE 936440

Testing nipple

1шт.

27

VOE 11802730

Соединитель

1шт.

3

VOE 11802284

Пробка (заглушка)

1шт.

4

PJ 4750055

Переходник масляного фильтра

1шт.

5

VOE 11805975

Шланг

1/4"

1шт.

6

PJ 4750426

Переходник масляного фильтра

1шт.

7

PJ 4700016

Elbow

1шт.

8

VOE 11800952

High pressure hose

5/8"

1шт.

9

VOE 11800962

Nozzle

ID = 0,6mm/0.0236in

1шт.

Выбрано товаров: 27