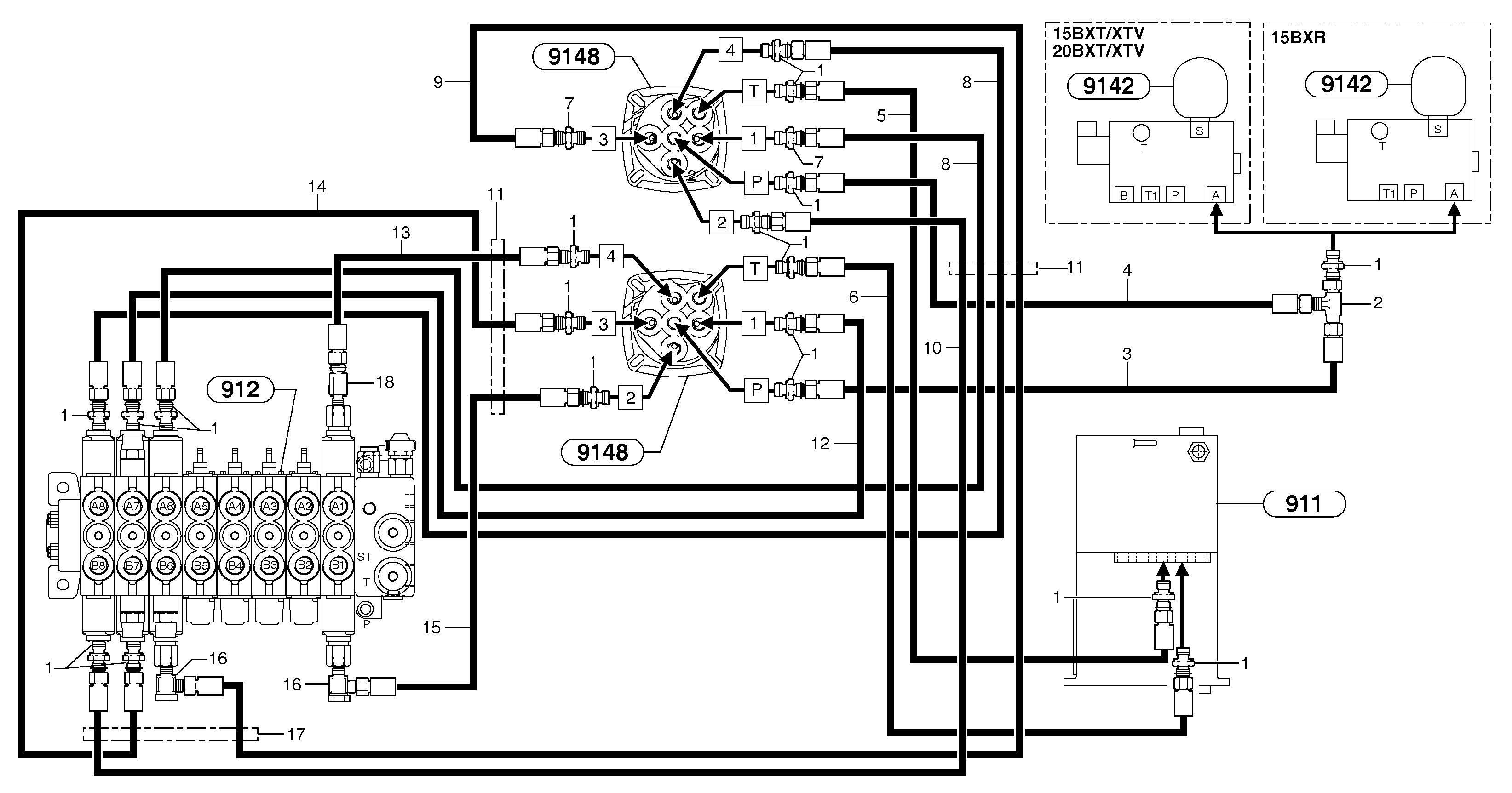
Запчасти Volvo EC15B 38397 Hydr. circuit ( controls attachment ) EC15B TYPE 272 XR

Схема запчастей Volvo EC15B - 38397 Hydr. circuit ( controls attachment ) EC15B TYPE 272 XR
FIT
1:1
100%

Артикул

Название

Примечание

Количество

1

PJ 4750055

Переходник масляного фильтра

1шт.

10

PJ 4192449

Шланг

1/4''

1шт.

11

VOE 11804752

Shield Coil

L = 800mm/31.4960in

1шт.

12

PJ 4192473

Шланг

1/4''

1шт.

13

VOE 11805963

Шланг

1/4''

1шт.

14

PJ 4192524

Шланг

1/4"

1шт.

15

PJ 4192539

Шланг

1/4"

1шт.

16

PJ 4700034

Banjo connection

1шт.

17

VOE 11806418

Втулка (распорная)

1шт.

18

VOE 11801025

Extension bar

1шт.

2

PJ 4720008

Tee

1шт.

3

PJ 4192547

Шланг

1/4"

1шт.

4

VOE 11805963

Шланг

1/4''

1шт.

5

PJ 4192441

Шланг

1/4''

1шт.

6

VOE 11805951

Шланг

1/4"

1шт.

7

PJ 4770691

Restricting valve

ID = 0,5mm/0.0197in

1шт.

8

PJ 4192438

Шланг

1/4''

1шт.

9

PJ 4192440

Шланг

1/4''

1шт.

Выбрано товаров: 18