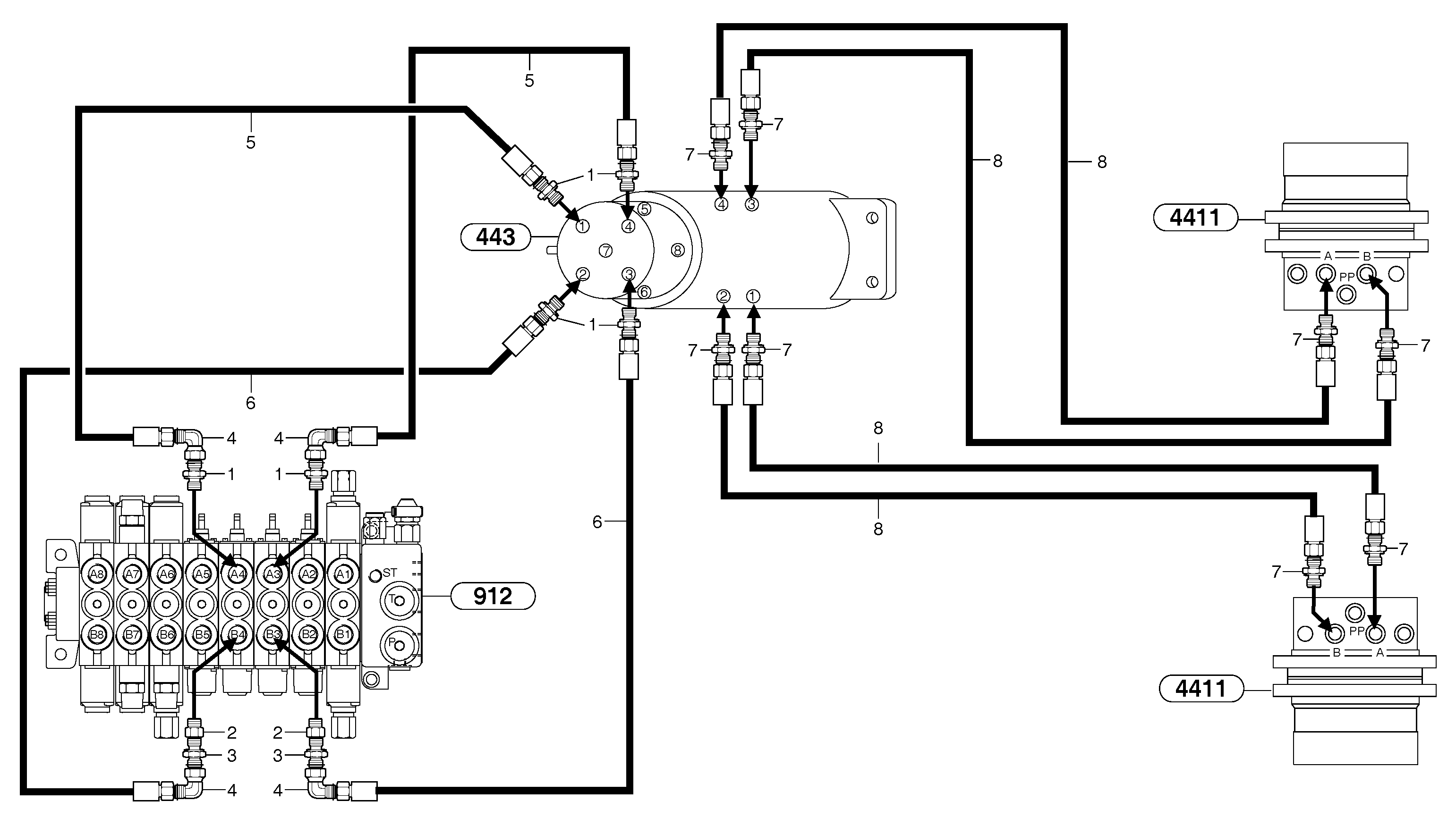
Запчасти Volvo EC15B 41607 Hydr. circuit. ( travelling ) EC15B TYPE 272 XR

Схема запчастей Volvo EC15B - 41607 Hydr. circuit. ( travelling ) EC15B TYPE 272 XR
FIT
1:1
100%

Артикул

Название

Примечание

Количество

1

PJ 4750421

Переходник масляного фильтра

1шт.

2

PJ 4750644

Адаптер

1шт.

3

VOE 11806380

Переходник масляного фильтра

1шт.

4

PJ 4700006

Elbow

1шт.

5

VOE 11800905

Шланг

5/16"

1шт.

6

VOE 11800906

Шланг

5/16"

1шт.

7

PJ 4750421

Переходник масляного фильтра

1шт.

8

VOE 11805988

Шланг

L = 600mm/23.6220in

1шт.

8

VOE 11805891

Шланг

L = 700mm/27.5590in

1шт.

Выбрано товаров: 9