Запчасти Volvo EC15B 17886 Fuel circuit EC15B TYPE 272 XR

Схема запчастей Volvo EC15B - 17886 Fuel circuit EC15B TYPE 272 XR
FIT
1:1
100%

Артикул

Название

Примечание

Количество

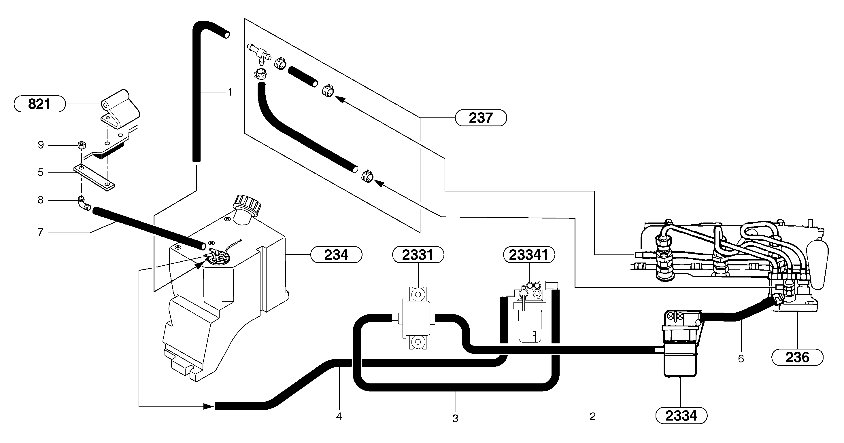
1

VOE 11801991

Трубка

L = 540mm/21.2598in

1шт.

2

VOE 11801991

Трубка

L = 450mm/17.7165in

1шт.

3

VOE 11801991

Трубка

L = 800mm/31.4960in

1шт.

4

VOE 11801991

Трубка

L = 800mm/31.4960in

1шт.

5

VOE 11804943

Attachment

1шт.

6

VOE 11801991

Трубка

L = 400mm/15.7480in

1шт.

7

VOE 11802782

Трубка

L = 260mm/10.2362in

1шт.

8

VOE 11802319

Elbow

1шт.

9

VOE 11802318

Гайка

Hm M10

1шт.

9

VOE 11802318

Гайка

Hm M10

1шт.

Выбрано товаров: 0