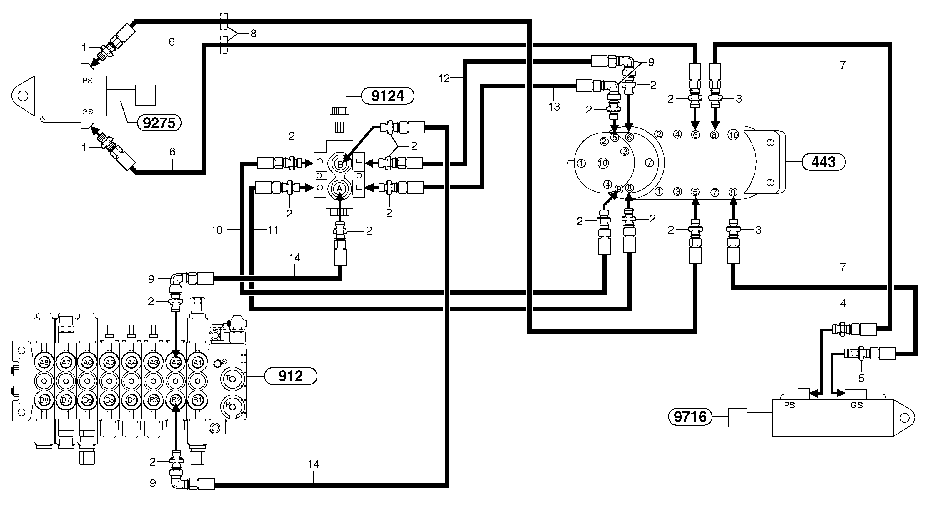
Запчасти Volvo EC15B 102500 Hydr. circuit. ( dozer blade ) variable track EC15B TYPE 272 XT/XTV

Схема запчастей Volvo EC15B - 102500 Hydr. circuit. ( dozer blade ) variable track EC15B TYPE 272 XT/XTV
FIT
1:1
100%

Артикул

Название

Примечание

Количество

1

VOE 11806380

Переходник масляного фильтра

1шт.

10

VOE 11805877

Шланг

5/16''

1шт.

11

VOE 11805984

Шланг

5/16''

1шт.

12

VOE 11805878

Шланг

5/16''

1шт.

13

VOE 11805987

Шланг

5/16''

1шт.

14

VOE 11806693

Шланг

5/16

1шт.

2

PJ 4750421

Переходник масляного фильтра

1шт.

3

PJ 4750341

Переходник масляного фильтра

1шт.

4

PJ 4750055

Переходник масляного фильтра

1шт.

5

VOE 11806495

Nipple

ID = 1,7mm/0.0669in

1шт.

6

VOE 11805881

Шланг

5/16''

1шт.

7

VOE 11805967

Шланг

1/4"

1шт.

8

PJ 5140050

Уплотнительная втулка

1шт.

9

VOE 11806283

Elbow

1шт.

Выбрано товаров: 14