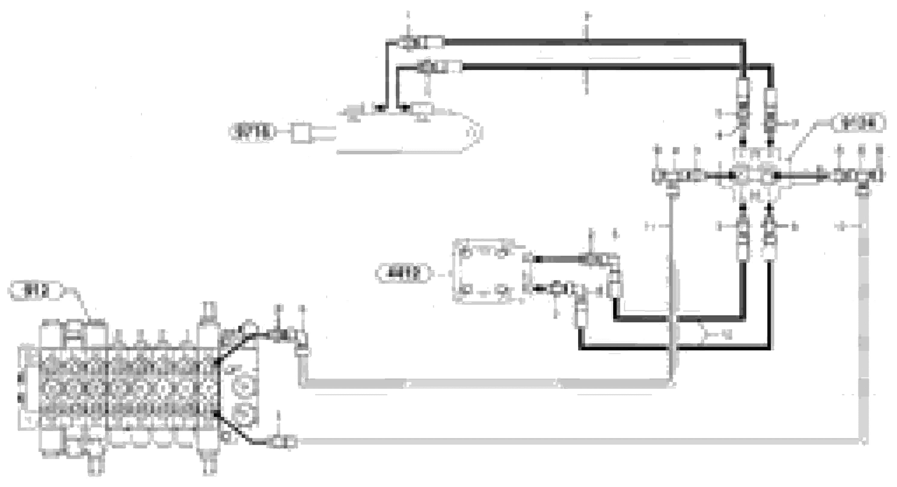
Запчасти Volvo EC15B 93522 Hydr. circuit. ( boom slewing / offset ) EC15B TYPE 272 XT/XTV

Схема запчастей Volvo EC15B - 93522 Hydr. circuit. ( boom slewing / offset ) EC15B TYPE 272 XT/XTV
FIT
1:1
100%

Артикул

Название

Примечание

Количество

1

VOE 11806380

Переходник масляного фильтра

1шт.

10

VOE 11800905

Шланг

5/16"

1шт.

11

VOE 11800677

Трубка

1шт.

12

VOE 11800676

Трубка

1шт.

2

VOE 11806397

Переходник масляного фильтра

1шт.

3

PJ 4750421

Переходник масляного фильтра

1шт.

4

VOE 14042936

Sealing washer

1шт.

4

VOE 14042936

Sealing washer

1шт.

5

VOE 11806431

Nipple

ID = 1,2mm/0.0472in

1шт.

6

VOE 11806283

Elbow

1шт.

7

VOE 11806007

Шланг

5/16"

1шт.

8

VOE 11806309

Nipple

1шт.

9

PJ 4740021

Пробка (заглушка)

1шт.

Выбрано товаров: 13