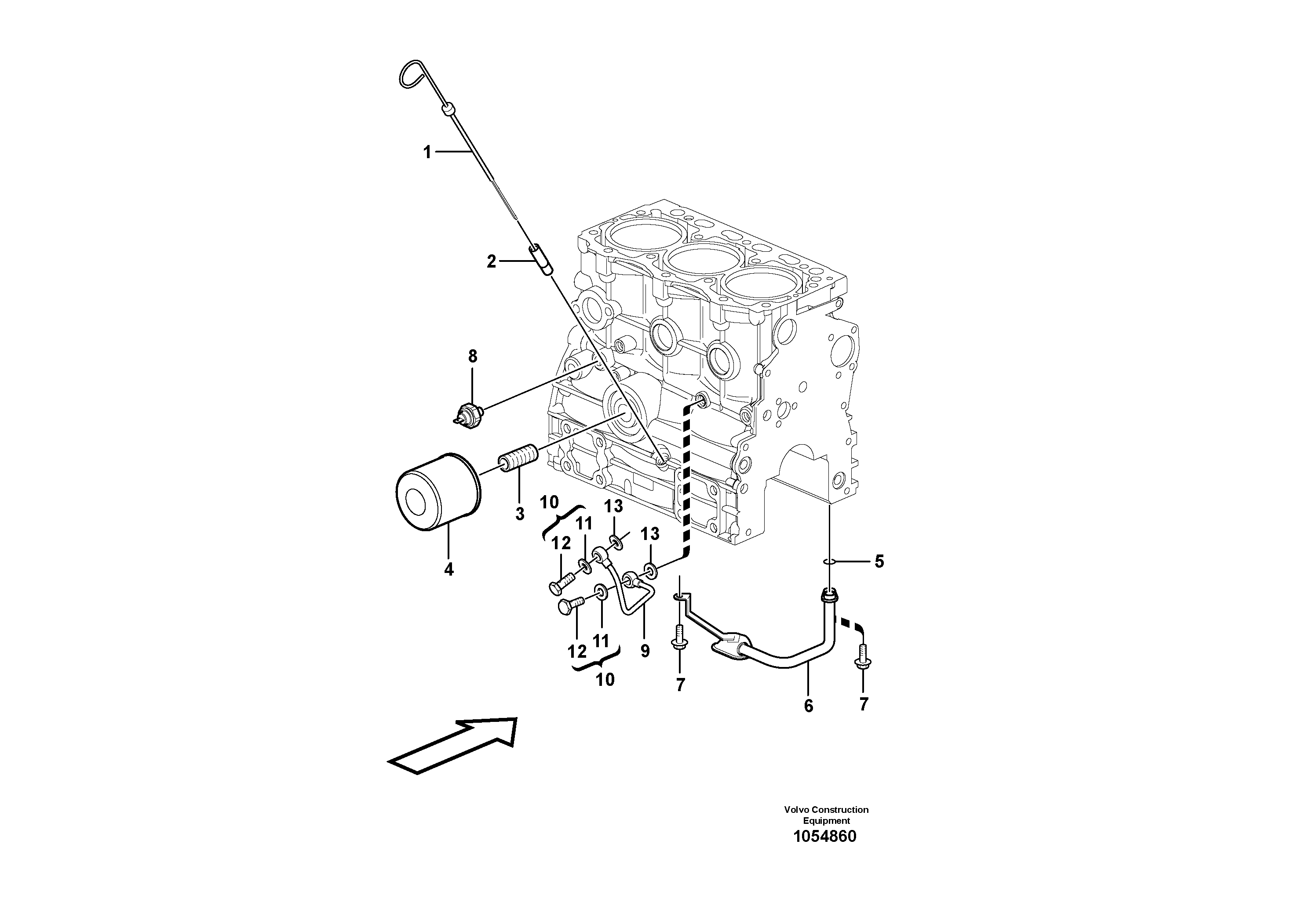
Запчасти Volvo EC15C 79897 Система масляной смазки EC15C

Схема запчастей Volvo EC15C - 79897 Система масляной смазки EC15C
FIT
1:1
100%

Артикул

Название

Примечание

Количество

1

VOE 15161653

Dipstick

1шт.

10

VOE 14521571

Bolt

1шт.

10

VOE 14521571

Болт

1шт.

11

VOE 11714476

Sealing washer

1шт.

11

VOE 11714476

Сальник

1шт.

12

SA 8210-05600

Болт

1шт.

13

VOE 11714476

Sealing washer

1шт.

13

VOE 11714476

Сальник

1шт.

2

VOE 11715318

Dipstick tube

1шт.

2

VOE 11715318

Dipstick tube

1шт.

3

VOE 11713441

Шпилька

1шт.

3

VOE 11713441

Шпилька

1шт.

4

VOE 11713228

Filter cartridge

1шт.

5

VOE 11713304

Кольцо уплотнительное (О-кольцо)

1шт.

6

VOE 11713436

Oil strainer

1шт.

7

VOE 11713437

Болт

1шт.

8

VOE 15066081

Oil pressure sensor

1шт.

8

VOE 15066081

Oil pressure sensor

1шт.

9

VOE 11713439

Oil return pipe

1шт.

Выбрано товаров: 19