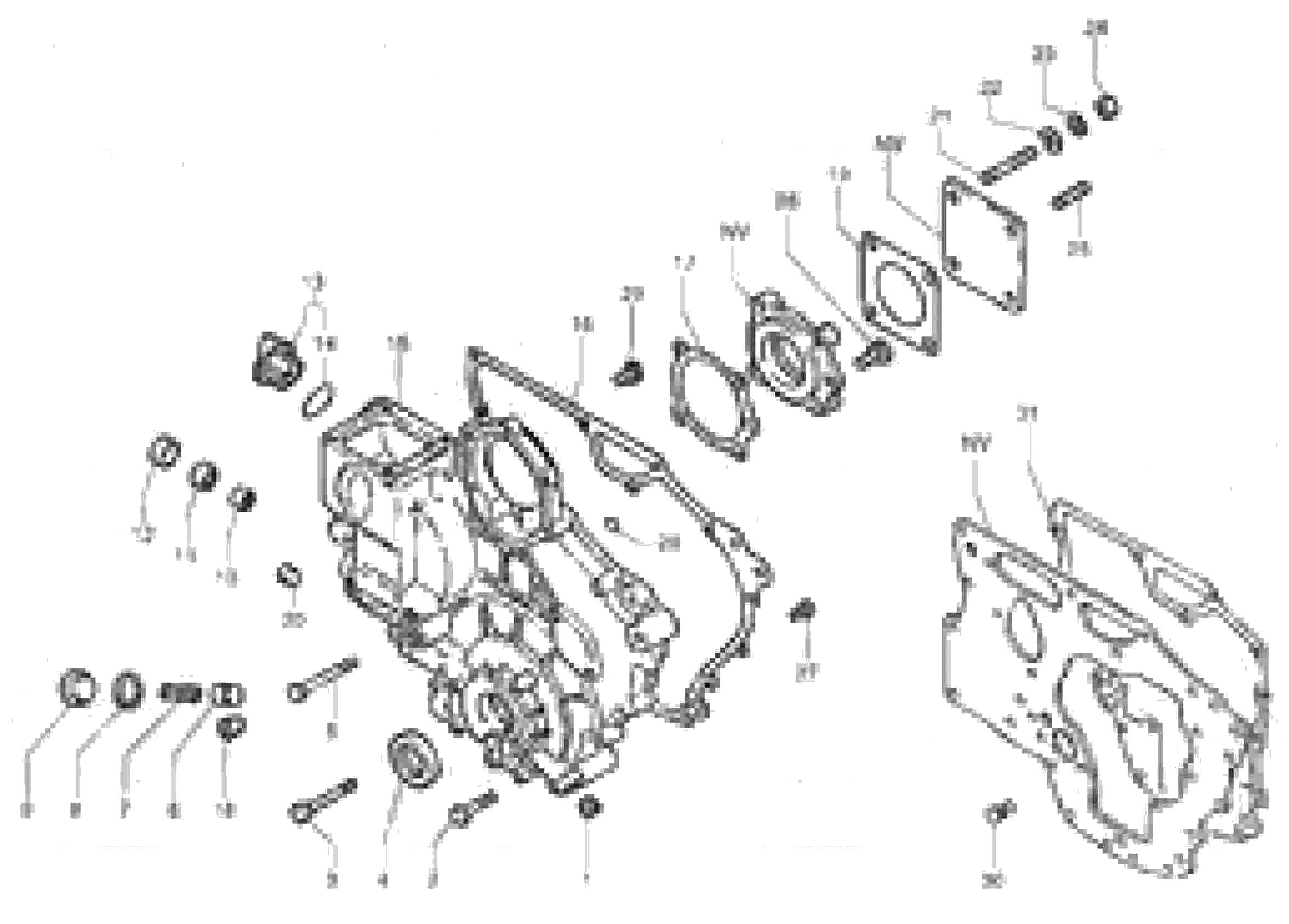
Запчасти Volvo EC20 TYPE 263 XT/XTV 9084 Timing gear casing

Схема запчастей Volvo EC20 TYPE 263 XT/XTV - 9084 Timing gear casing
FIT
1:1
100%

Артикул

Название

Примечание

Количество

1

PJ 7410408

Пробка (заглушка)

1шт.

10

PJ 7410623

Needle bearing

1шт.

11

PJ 7410624

Needle bearing

1шт.

12

PJ 7410627

Пробка (заглушка)

1шт.

13

PJ 7410610

Пробка (заглушка)

1шт.

14

PJ 7410604

Кольцо уплотнительное (О-кольцо)

1шт.

15

PJ 7415741

Поддон картера (маслосборник)

1шт.

16

PJ 7418368

Сальник

1шт.

17

PJ 7410636

Сальник

1шт.

18

PJ 7410407

Пробка (заглушка)

1шт.

19

PJ 7410177

Сальник

1шт.

2

PJ 7410592

Болт

1шт.

20

PJ 7410691

Пробка (заглушка)

1шт.

21

PJ 7410401

Шпилька

1шт.

22

PJ 7410124

Шайба

1шт.

23

PJ 7410126

Стопорная шайба (кольцо)

1шт.

24

PJ 7410117

Гайка

1шт.

25

PJ 7410115

Шпилька

1шт.

26

PJ 7410102

Болт

1шт.

27

PJ 7410101

Болт

1шт.

28

PJ 7410603

Кольцо уплотнительное (О-кольцо)

1шт.

29

PJ 7410097

Болт

1шт.

3

PJ 7410593

Болт

1шт.

30

PJ 7410101

Болт

1шт.

31

PJ 7410646

Сальник

1шт.

4

PJ 7410580

Сальник

1шт.

5

PJ 7410594

Болт

1шт.

6

PJ 7410047

Plunger

1шт.

7

PJ 7410659

Пружина

1шт.

8

PJ 7410040

Сальник

1шт.

9

PJ 7410579

Пробка (заглушка)

1шт.

Выбрано товаров: 31