Запчасти Volvo EC20 TYPE 263 XT/XTV 14225 Hydraulic circuit ( platform )

Схема запчастей Volvo EC20 TYPE 263 XT/XTV - 14225 Hydraulic circuit ( platform )
FIT
1:1
100%

Артикул

Название

Примечание

Количество

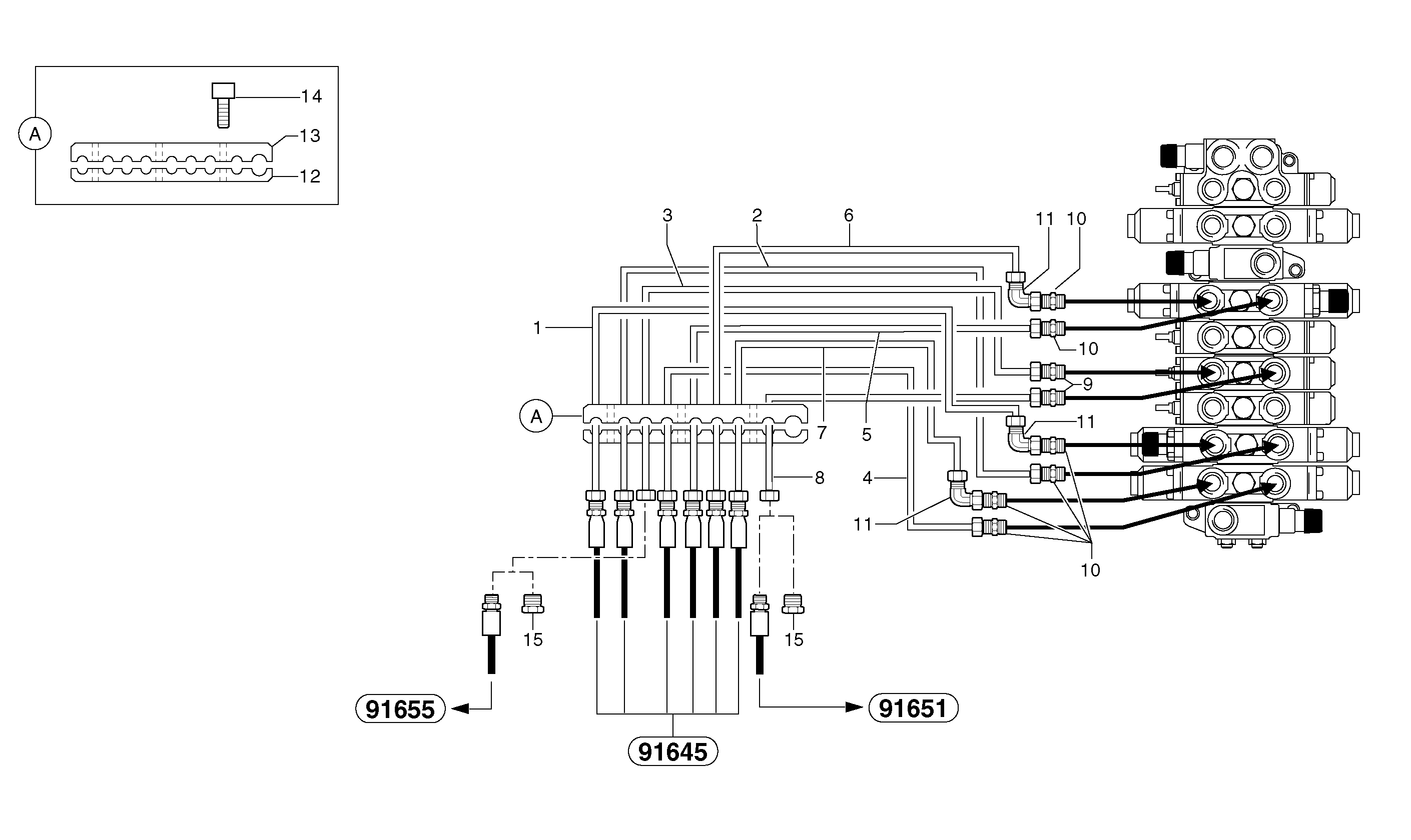
1

PJ 5910610

Трубка

1шт.

10

PJ 4750421

Переходник масляного фильтра

1шт.

11

PJ 4700006

Elbow

1шт.

12

PJ 4690624

Фланец

1шт.

13

PJ 4690625

Фланец

1шт.

14

PJ 4290019

Болт

CHc M8X30

1шт.

15

VOE 11806329

Пробка (заглушка)

1шт.

2

PJ 5910609

Трубка

1шт.

3

PJ 5910605

Трубка

1шт.

4

PJ 5910611

Трубка

1шт.

5

PJ 5910607

Трубка

1шт.

6

PJ 5910608

Трубка

1шт.

7

PJ 5910612

Трубка

1шт.

8

PJ 5910606

Трубка

1шт.

9

VOE 11806376

Переходник масляного фильтра

1шт.

Выбрано товаров: 15