Качественные детали и логистика
Оригинальные и аналоговые запчасти с доставкой по России, Казахстану и Беларуси
©2022 PartSell ООО "Система" ИНН 2463123282 ОГРН 1212400004838
Центральный офис: г. Красноярск, Академика Киренского, д.87, пом.4
Телефон: 8 (800) 777-65-74 Email: zakaz@partsell.ru
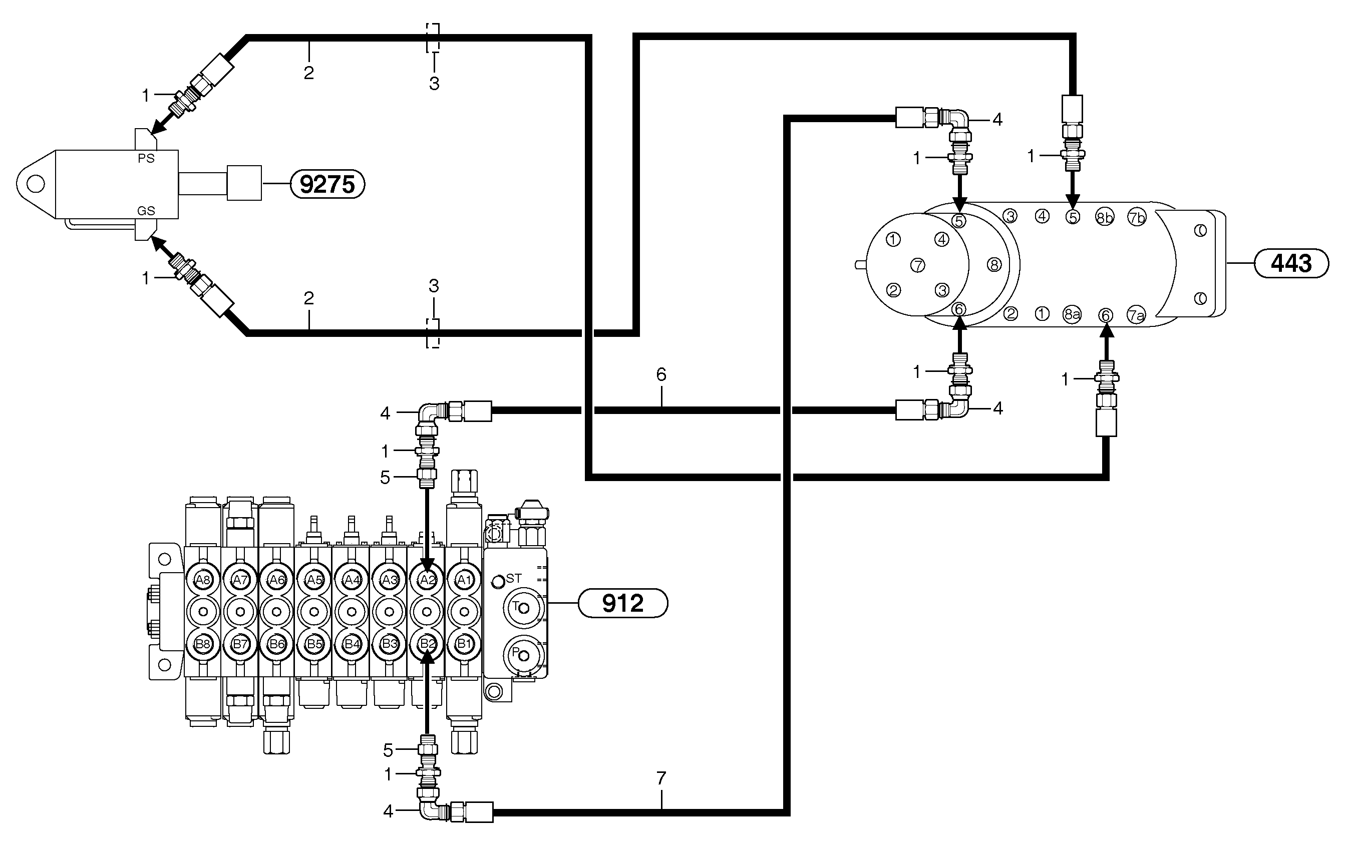
36248 Hydr. circuit. ( dozer blade )
№
Артикул
Название
Примечание
Количество
1
VOE 11806380
Переходник масляного фильтра
1шт.
2
VOE 11805881
Шланг
5/16''
3
PJ 5140050
Уплотнительная втулка
4
PJ 4700006
Elbow
5
PJ 4750644
Адаптер
6
PJ 4190336
High pressure hose
7
PJ 4193031
Выбрано товаров: 0