Запчасти Volvo EC20B TYPE 272 XT/XTV 32928 Fuel circuit

Схема запчастей Volvo EC20B TYPE 272 XT/XTV - 32928 Fuel circuit
FIT
1:1
100%

Артикул

Название

Примечание

Количество

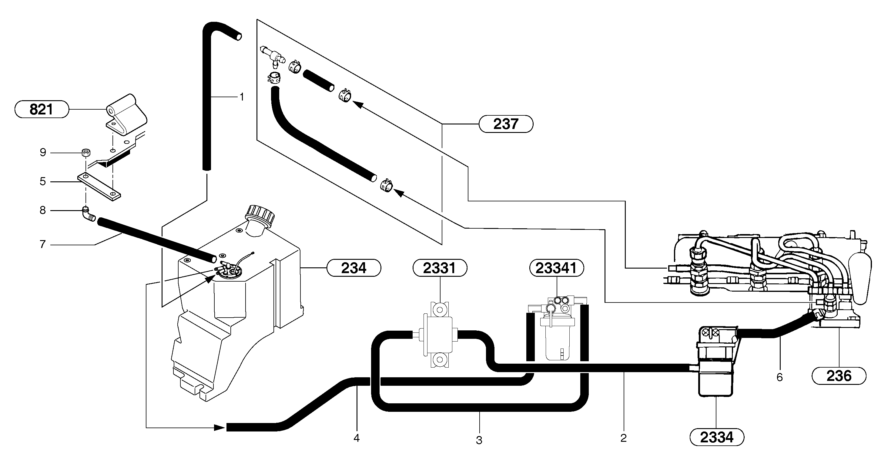
1

VOE 11801991

Трубка

L = 540mm/21,2598in

1шт.

2

VOE 11801991

Трубка

L = 450mm/17,7165in

1шт.

3

VOE 11801991

Трубка

L = 800mm/31,4960in

1шт.

4

VOE 11801991

Трубка

L = 800mm/31,4960in

1шт.

5

VOE 11804943

Attachment

1шт.

6

VOE 11801991

Трубка

L = 400mm/15,7480in

1шт.

7

VOE 11802782

Трубка

L = 260mm/10,2362in

1шт.

8

VOE 11802319

Elbow

1шт.

9

VOE 11802318

Гайка

Hm M10

1шт.

9

VOE 11802318

Гайка

Hm M10

1шт.

Выбрано товаров: 10