Качественные детали и логистика
Оригинальные и аналоговые запчасти с доставкой по России, Казахстану и Беларуси
©2022 PartSell ООО "Система" ИНН 2463123282 ОГРН 1212400004838
Центральный офис: г. Красноярск, Академика Киренского, д.87, пом.4
Телефон: 8 (800) 777-65-74 Email: zakaz@partsell.ru
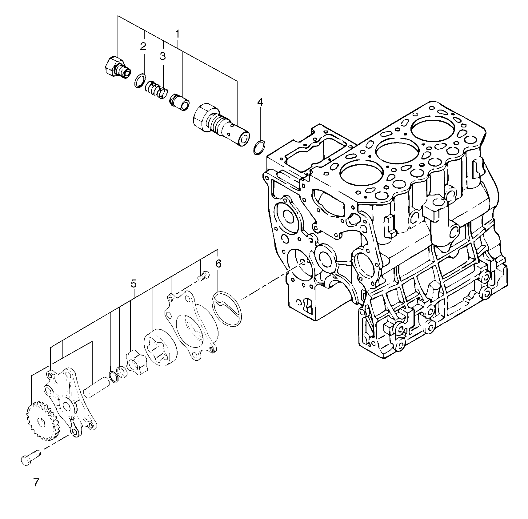
21678 Lubricating oil pump
№
Артикул
Название
Примечание
Количество
1
PJ 7416512
Клапан
1шт.
4
PJ 7415325
Кольцо уплотнительное (О-кольцо)
S3L2-63ES, ENG - 65746
PJ 7418390
S3L2-63ES, ENG 65747 -
S3L2-W263ES, ENG 70161 -
5
PJ 7415486
Насос масляный
6
PJ 7415484
Сальник
7
PJ 7417819
Болт
Выбрано товаров: 0