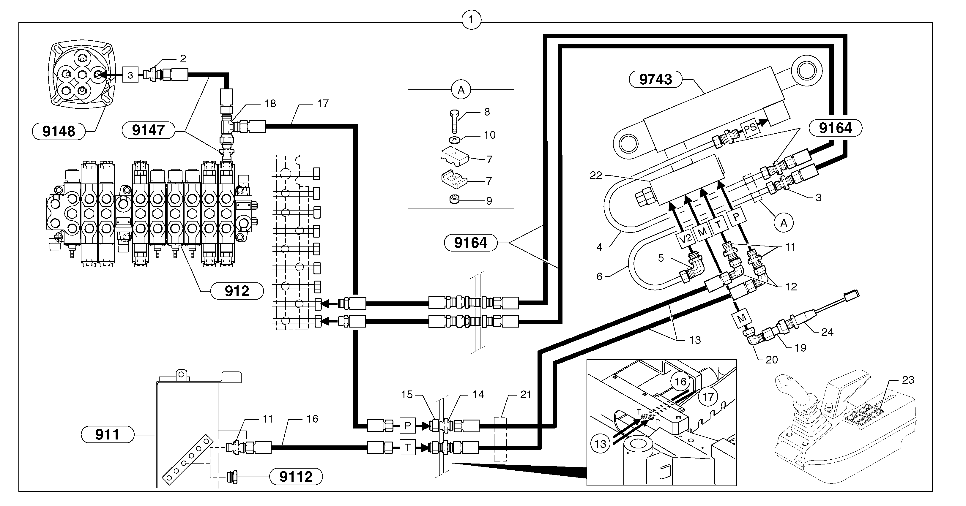
Запчасти Volvo EC25 TYPE 281 46860 Handling operations Ce / without Puma

Схема запчастей Volvo EC25 TYPE 281 - 46860 Handling operations Ce / without Puma
FIT
1:1
100%

Артикул

Название

Примечание

Количество

1

PJ 6930177

Handling

1шт.

10

VOE 960148

Шайба

MU10

1шт.

10

VOE 960148

Шайба

MU10

1шт.

11

VOE 13933883

Nipple

1шт.

11

VOE 13933883

Nipple

1шт.

12

VOE 13933905

Elbow nipple

1шт.

12

VOE 13933905

Elbow nipple

1шт.

13

PJ 5471035

Шланг

1/4"

1шт.

14

VOE 935424

Nipple

1шт.

14

VOE 935424

Nipple

1шт.

15

VOE 935428

Lock nut

9/16"

1шт.

15

VOE 935428

Lock nut

9/16"

1шт.

16

PJ 5471018

Шланг

1/4"

1шт.

17

VOE 11802818

Шланг

1/4"

1шт.

18

VOE 13933859

T-nipple

1шт.

19

VOE 11802909

Pressure connection

1шт.

2

VOE 13933883

Nipple

1шт.

2

VOE 13933883

Nipple

1шт.

20

VOE 11802908

Elbow

1шт.

21

VOE 11803561

Зажим

1шт.

3

VOE 935664

Nipple

1шт.

4

VOE 11805460

Трубка

1шт.

5

VOE 11803570

Elbow

1шт.

6

VOE 11805474

Трубка

1шт.

7

VOE 11802977

Зажим

1шт.

8

PJ 4380059

Болт

HM10X50

1шт.

9

VOE 983304

Hexagon nut

HM10

1шт.

9

VOE 983304

Hexagon nut

HM10

1шт.

Выбрано товаров: 28