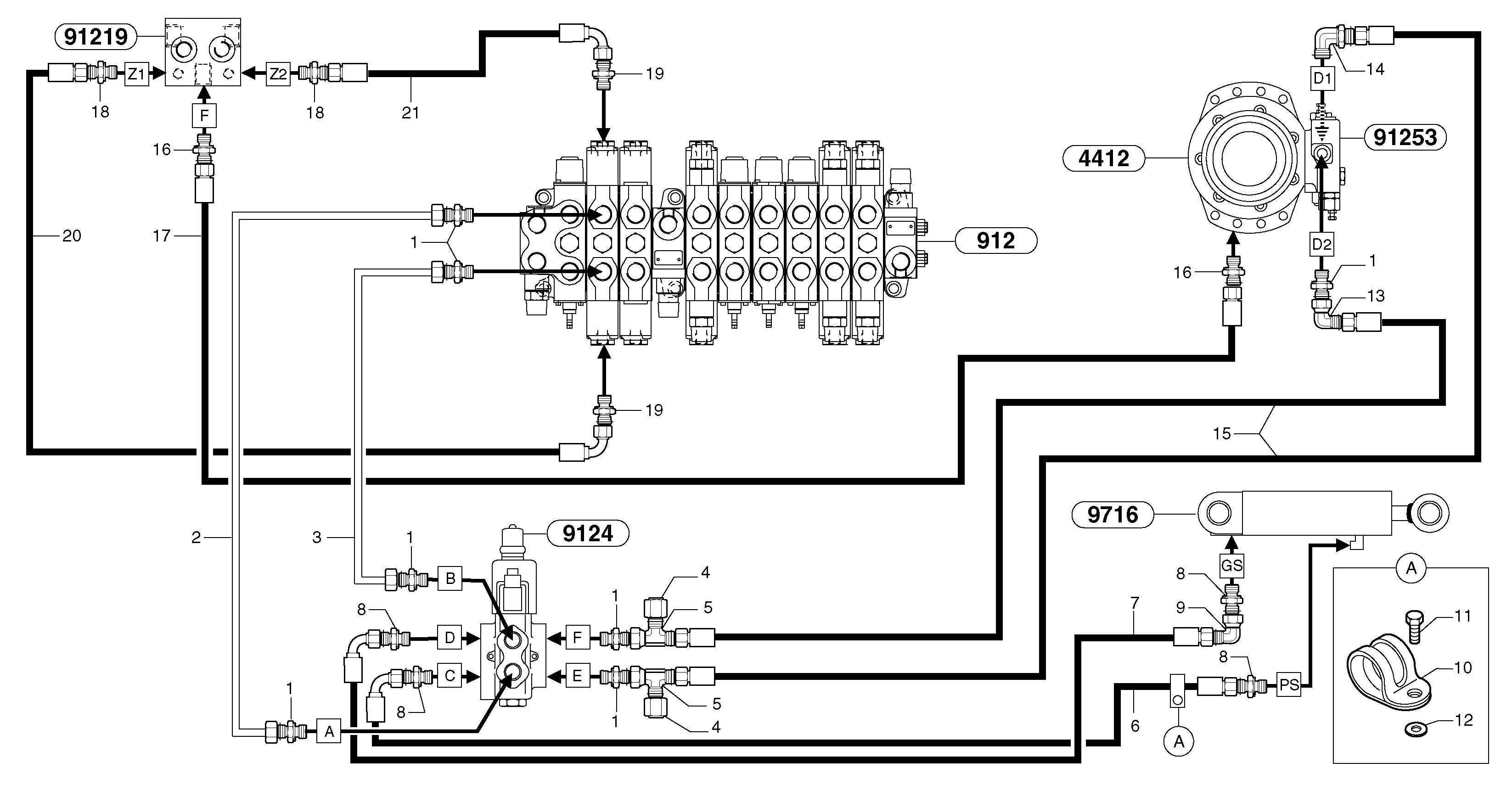
Запчасти Volvo EC25 TYPE 281 93537 Hydr. circuit. ( boom slewing / offset )

Схема запчастей Volvo EC25 TYPE 281 - 93537 Hydr. circuit. ( boom slewing / offset )
FIT
1:1
100%

Артикул

Название

Примечание

Количество

1

VOE 11802650

Фиттинг

1шт.

10

VOE 11806210

Зажим

1шт.

11

PJ 4380043

Болт

HM8X20

1шт.

12

VOE 13955894

Шайба

MU8

1шт.

12

VOE 13955894

Шайба

MU8

1шт.

13

VOE 13933872

Elbow nipple

1шт.

13

VOE 13933872

Elbow nipple

1шт.

14

VOE 11802724

Переходник масляного фильтра

1шт.

15

VOE 11805888

Шланг

3/8"

1шт.

16

VOE 11802651

Переходник масляного фильтра

1шт.

17

VOE 11802743

Шланг

5/16"

1шт.

18

VOE 11806445

Переходник масляного фильтра

1шт.

19

VOE 13933883

Nipple

1шт.

19

VOE 13933883

Nipple

1шт.

2

PJ 5910786

Трубка

1шт.

20

VOE 936969

Hose assembly

1/4"

1шт.

20

VOE 936969

Hose assembly

1/4"

1шт.

21

VOE 936979

Hose assembly

1/4"

1шт.

21

VOE 936979

Hose assembly

1/4"

1шт.

3

PJ 5910787

Трубка

1шт.

4

VOE 935574

Пробка (заглушка)

1шт.

4

VOE 935574

Пробка (заглушка)

1шт.

5

VOE 13933878

T-nipple

1шт.

6

VOE 11805911

Шланг

5/16"

1шт.

7

VOE 11805908

Шланг

5/16"

1шт.

8

VOE 13933915

Nipple

1шт.

8

VOE 13933915

Nipple

1шт.

9

VOE 13933900

Elbow nipple

1шт.

9

VOE 13933900

Elbow nipple

1шт.

Выбрано товаров: 29