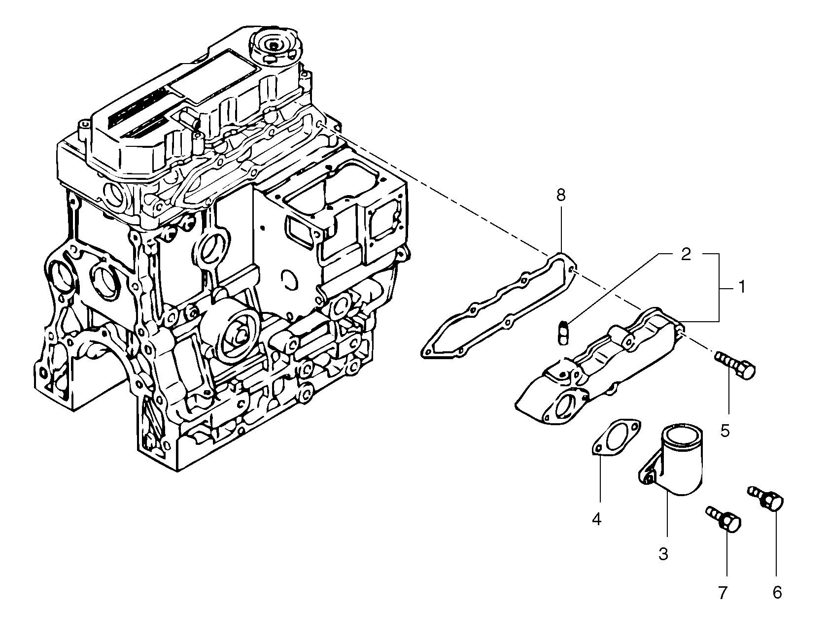
Запчасти Volvo EC25 TYPE 281 103714 Впускной коллектор (труба)

Схема запчастей Volvo EC25 TYPE 281 - 103714 Впускной коллектор (труба)
FIT
1:1
100%

Артикул

Название

Примечание

Количество

1

PJ 7415528

Commutator

1шт.

2

PJ 7410034

Nipple

1шт.

3

PJ 7415478

Intake gasket

1шт.

4

PJ 7415479

Sealing

1шт.

5

PJ 7416526

Attachment kit

1шт.

6

PJ 7416436

Attachment kit

1шт.

7

PJ 7415341

Attachment kit

1шт.

8

PJ 7415527

Sealing

1шт.

Выбрано товаров: 8