Запчасти Volvo EC30 TYPE 282 106624 Hydr. circuit.( boom / dipper arm / bucket )

Схема запчастей Volvo EC30 TYPE 282 - 106624 Hydr. circuit.( boom / dipper arm / bucket )
FIT
1:1
100%

Артикул

Название

Примечание

Количество

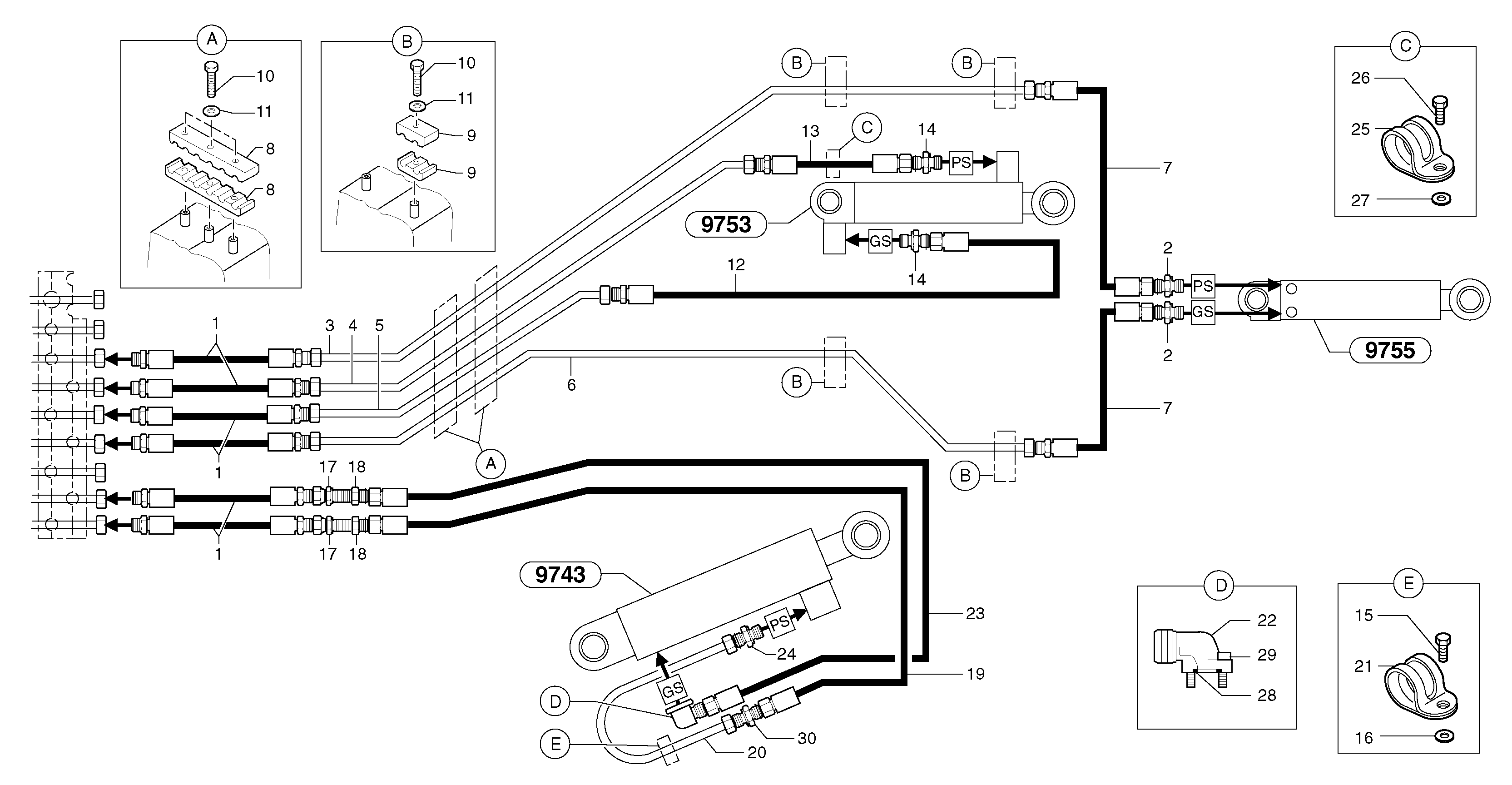
1

VOE 11805893

Шланг

3/8"

1шт.

10

PJ 4380044

Болт

HM8X25

1шт.

11

PJ 4460084

Шайба

1шт.

12

VOE 11802941

Шланг

3/8"

1шт.

13

VOE 11802942

Шланг

3/8"

1шт.

14

VOE 11802650

Фиттинг

1шт.

15

PJ 4380042

Болт

HM8X16

1шт.

16

VOE 13955894

Шайба

MU8

1шт.

16

VOE 13955894

Шайба

MU8

1шт.

17

VOE 11806453

Переходник масляного фильтра

1шт.

18

VOE 11803547

Гайка

13/16"

1шт.

19

VOE 11805889

Шланг

3/8"

1шт.

2

VOE 11802650

Фиттинг

1шт.

20

VOE 11805497

Трубка

1шт.

21

VOE 11806256

Cable Clamp

1шт.

22

PJ 5485009

Фланец

1/2"

1шт.

23

VOE 11805889

Шланг

3/8"

1шт.

24

VOE 11802650

Фиттинг

1шт.

25

VOE 11806263

Cable Clamp

1шт.

26

PJ 4380043

Болт

HM8X20

1шт.

27

VOE 13955894

Шайба

MU8

1шт.

27

VOE 13955894

Шайба

MU8

1шт.

28

VOE 945777

Кольцо уплотнительное (О-кольцо)

1шт.

29

PJ 4290019

Болт

CHc M8X30

1шт.

3

VOE 11805504

Трубка

1шт.

30

VOE 935664

Nipple

1шт.

4

VOE 11805503

Трубка

1шт.

5

VOE 11805500

Трубка

1шт.

6

VOE 11805498

Трубка

1шт.

7

VOE 11805895

Шланг

L = 900mm/35.4330in

1шт.

7

PJ 5473012

High pressure hose

L = 600mm/23.6220in

1шт.

8

VOE 11806252

Фланец

1шт.

9

VOE 11802977

Зажим

1шт.

Выбрано товаров: 33