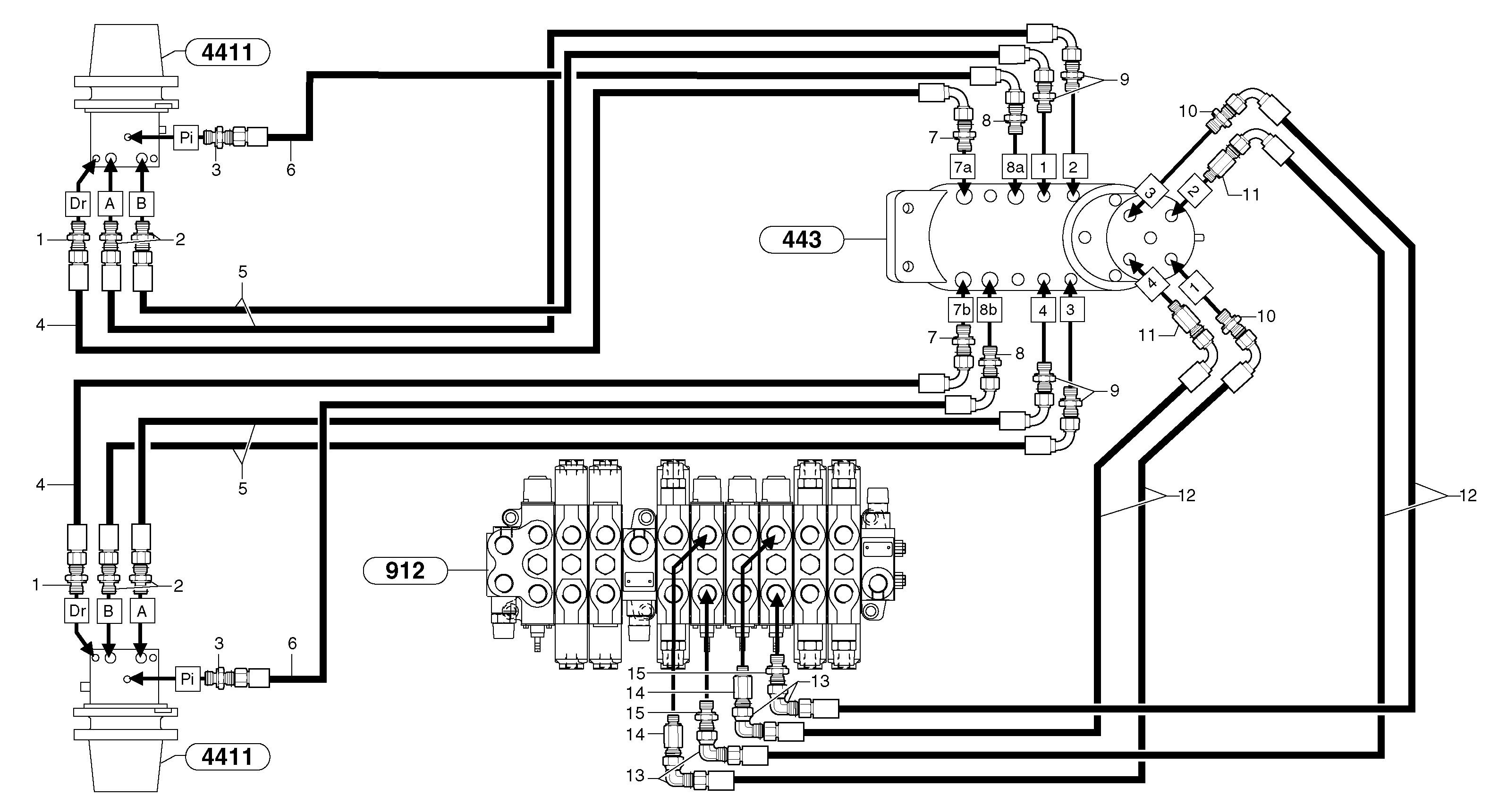
Запчасти Volvo EC30 TYPE 282 33323 Hydr. circuit. ( travelling )

Схема запчастей Volvo EC30 TYPE 282 - 33323 Hydr. circuit. ( travelling )
FIT
1:1
100%

Артикул

Название

Примечание

Количество

1

PJ 4755017

Union with seal

1шт.

10

VOE 11802650

Фиттинг

1шт.

11

VOE 11802654

Переходник масляного фильтра

1шт.

12

VOE 11805892

Шланг

3/8"

1шт.

13

VOE 13933872

Elbow nipple

1шт.

13

VOE 13933872

Elbow nipple

1шт.

14

VOE 11802654

Переходник масляного фильтра

1шт.

15

VOE 11802650

Фиттинг

1шт.

2

VOE 11802995

Переходник масляного фильтра

1шт.

2

VOE 11802995

Переходник масляного фильтра

1шт.

3

PJ 4755016

Union with seal

1шт.

4

VOE 11803015

Шланг

3/8"

1шт.

5

VOE 11805900

Шланг

3/8"

1шт.

6

VOE 11803016

Шланг

1/4"

1шт.

7

VOE 11802653

Переходник масляного фильтра

1шт.

8

VOE 11802651

Переходник масляного фильтра

1шт.

9

VOE 11802650

Фиттинг

1шт.

Выбрано товаров: 17