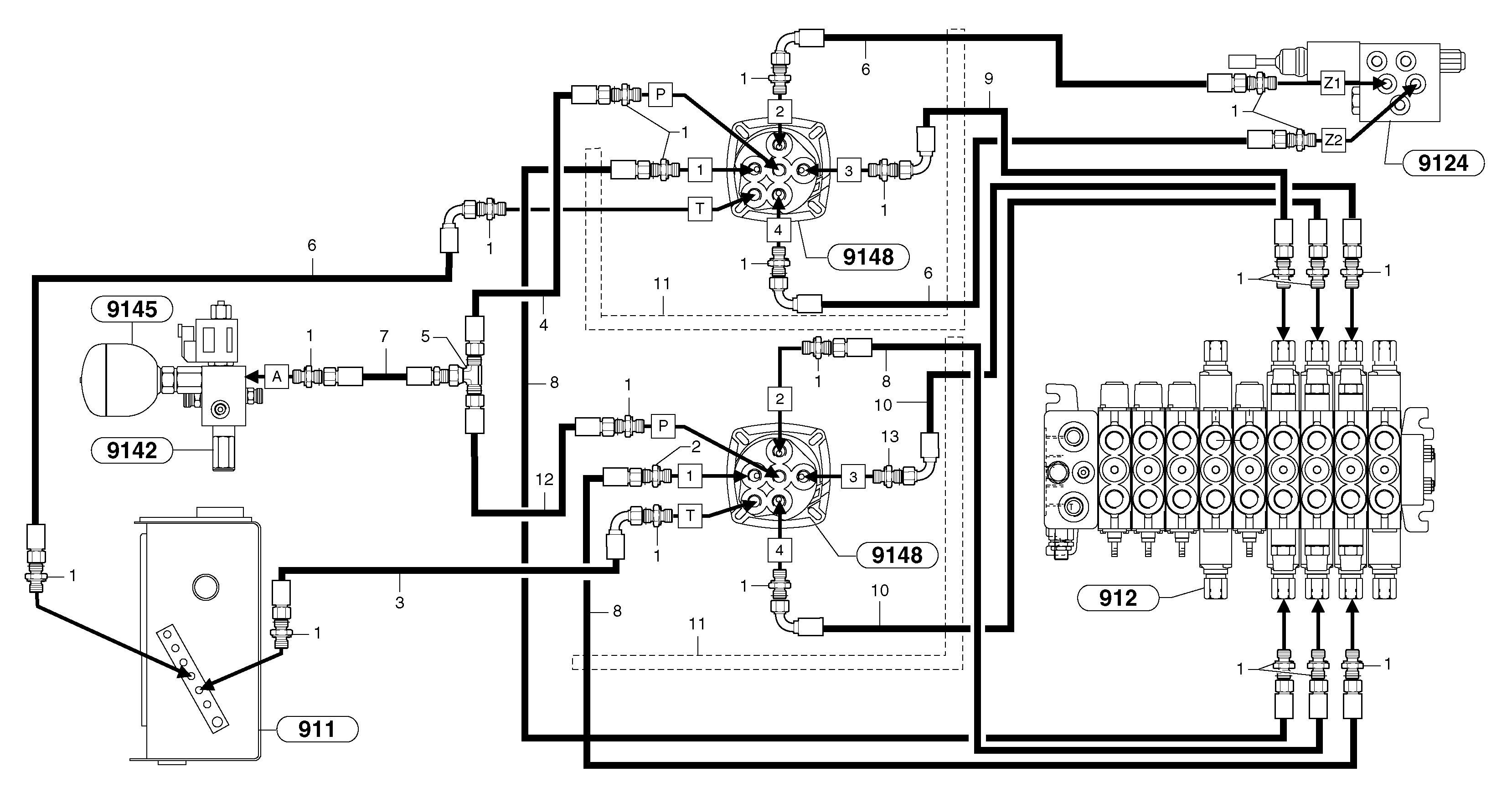
Запчасти Volvo EC45 TYPE 284 97466 Hydraulic circuit ( low pressure )

Схема запчастей Volvo EC45 TYPE 284 - 97466 Hydraulic circuit ( low pressure )
FIT
1:1
100%

Артикул

Название

Примечание

Количество

1

VOE 13933883

Nipple

1шт.

1

VOE 13933883

Nipple

1шт.

10

VOE 936982

Hose assembly

1/4"

1шт.

10

VOE 936982

Hose assembly

1/4"

1шт.

11

VOE 11804752

Shield Coil

1шт.

12

VOE 936969

Hose assembly

1/4"

1шт.

12

VOE 936969

Hose assembly

1/4"

1шт.

13

VOE 11804536

Throttle valve

ID = 0,6mm / 0.0236in

1шт.

2

VOE 11804536

Throttle valve

ID = 0,6mm / 0.0236in

1шт.

3

VOE 936979

Hose assembly

1/4"

1шт.

3

VOE 936979

Hose assembly

1/4"

1шт.

4

VOE 936970

Hose assembly

1/4"

1шт.

5

PJ 4725007

T-piece with seal

1шт.

6

VOE 936981

Hose assembly

1/4"

1шт.

7

VOE 936978

Hose assembly

1/4"

1шт.

7

VOE 936978

Hose assembly

1/4"

1шт.

8

VOE 936976

Hose assembly

1/4"

1шт.

8

VOE 936976

Hose assembly

1/4"

1шт.

9

VOE 936658

Hose assembly

1/4"

1шт.

Выбрано товаров: 19