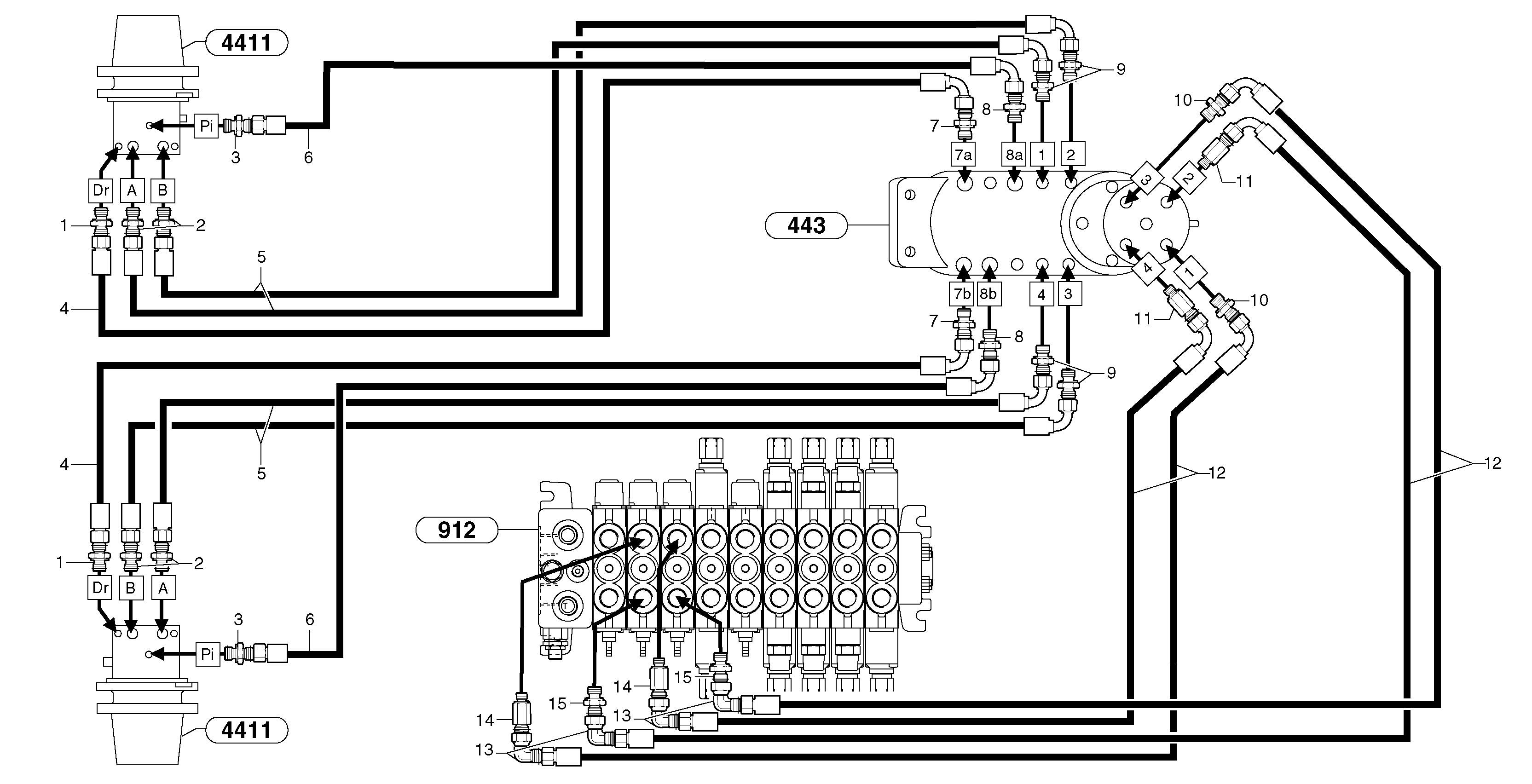
Запчасти Volvo EC45 TYPE 284 37176 Hydr. circuit. ( travelling )

Схема запчастей Volvo EC45 TYPE 284 - 37176 Hydr. circuit. ( travelling )
FIT
1:1
100%

Артикул

Название

Примечание

Количество

1

VOE 11803014

Переходник масляного фильтра

1шт.

10

VOE 11802650

Фиттинг

1шт.

11

VOE 11802654

Переходник масляного фильтра

S/N - 284.16455

1шт.

11

VOE 11802650

Фиттинг

S/N 284.16456 -

1шт.

12

VOE 11805892

Шланг

3/8"

1шт.

13

VOE 13933872

Elbow nipple

1шт.

13

VOE 13933872

Elbow nipple

1шт.

14

VOE 11802654

Переходник масляного фильтра

1шт.

15

VOE 11802650

Фиттинг

1шт.

2

PJ 4755015

Union with seal

1шт.

3

VOE 11802997

Переходник масляного фильтра

1шт.

3

VOE 11802997

Переходник масляного фильтра

1шт.

4

VOE 11805899

Шланг

3/8"

1шт.

5

VOE 11805875

Шланг

1/2"

1шт.

6

VOE 11805926

Шланг

1шт.

7

VOE 11802653

Переходник масляного фильтра

1шт.

8

VOE 11802651

Переходник масляного фильтра

1шт.

9

VOE 11802652

Переходник масляного фильтра

1шт.

Выбрано товаров: 18