Запчасти Volvo EC45 TYPE 284 9407 Hydraulic circuit ( boom )

Схема запчастей Volvo EC45 TYPE 284 - 9407 Hydraulic circuit ( boom )
FIT
1:1
100%

Артикул

Название

Примечание

Количество

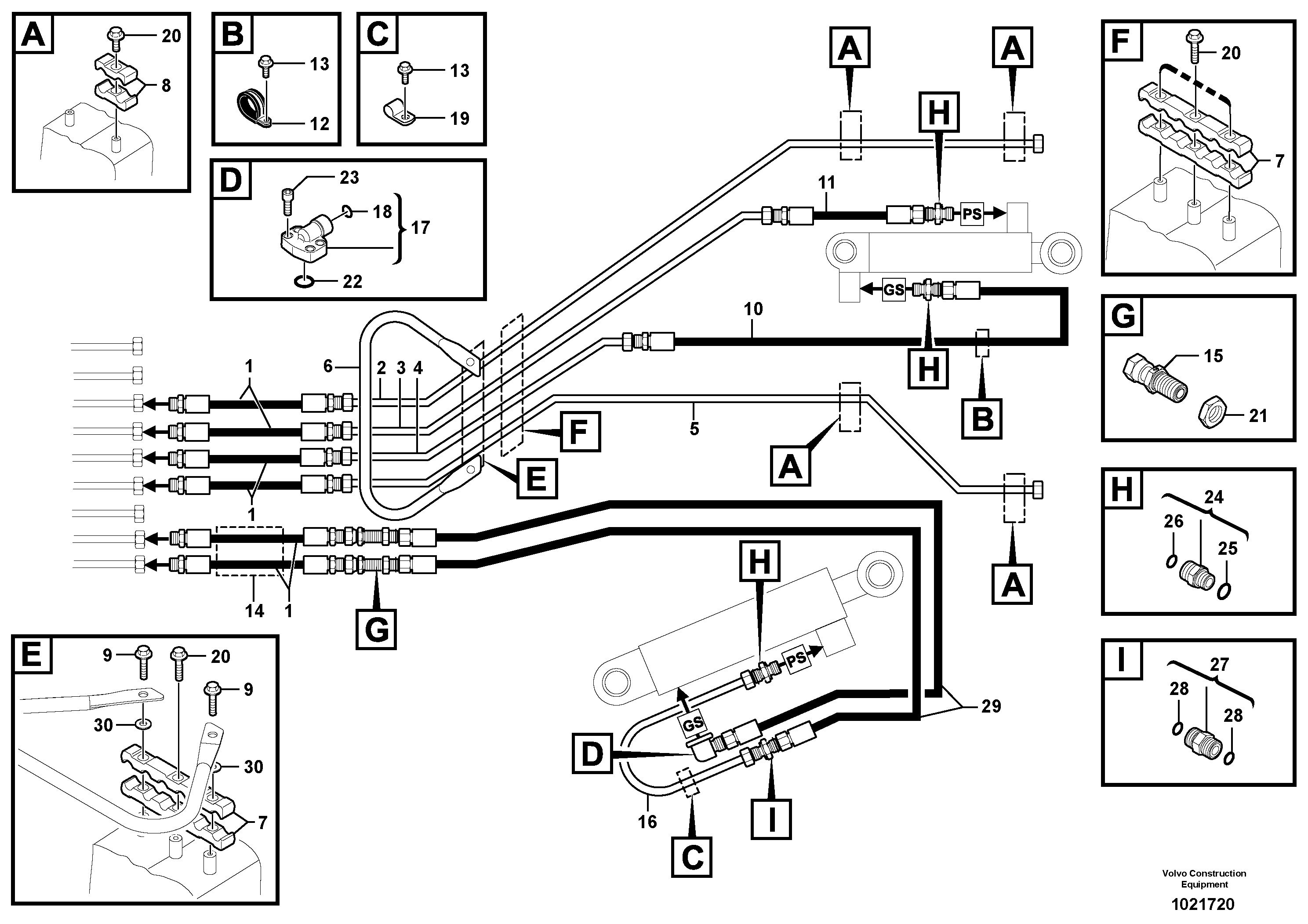
1

VOE 11805902

Шланг

1шт.

10

VOE 11803587

Шланг

1шт.

11

VOE 11805871

Шланг

1шт.

12

VOE 11806210

Зажим

1шт.

13

VOE 946173

Flange screw

1шт.

13

VOE 946173

Flange screw

1шт.

14

VOE 11806418

Втулка (распорная)

1шт.

15

VOE 11806449

Bulkhead grommet

1шт.

16

VOE 11805456

Трубка

1шт.

17

VOE 11802728

Фланец

1шт.

18

VOE 4880663

Кольцо уплотнительное (О-кольцо)

1шт.

18

VOE 4880663

Кольцо уплотнительное (О-кольцо)

1шт.

19

VOE 11806257

Cable clamp

1шт.

2

VOE 11805540

Трубка

1шт.

20

VOE 945444

Flange screw

1шт.

20

VOE 945444

Flange screw

1шт.

21

VOE 11807622

Гайка

1шт.

22

VOE 945777

Кольцо уплотнительное (О-кольцо)

1шт.

23

VOE 984066

Hex. socket screw

1шт.

23

VOE 984066

Винт шестигранник (торцевой ключ)

1шт.

24

VOE 11802734

Nipple

1шт.

24

VOE 11802734

Nipple

1шт.

25

PJ 5600203

Сальник

1шт.

26

VOE 4880663

Кольцо уплотнительное (О-кольцо)

1шт.

26

VOE 4880663

Кольцо уплотнительное (О-кольцо)

1шт.

27

VOE 935665

Nipple

1шт.

28

VOE 4880493

Кольцо уплотнительное (О-кольцо)

1шт.

28

VOE 4880493

Кольцо уплотнительное (О-кольцо)

1шт.

29

VOE 11805874

Шланг

1шт.

3

VOE 11805539

Трубка

1шт.

30

VOE 930872

Шайба

1шт.

30

VOE 930872

Шайба

1шт.

4

VOE 11805546

Трубка

1шт.

5

VOE 11805537

Трубка

1шт.

6

VOE 11806120

Guide

1шт.

7

VOE 11806251

Фланец

1шт.

8

VOE 11803575

Зажим

1шт.

9

VOE 946671

Flange screw

1шт.

9

VOE 946671

Flange screw

1шт.

Выбрано товаров: 39