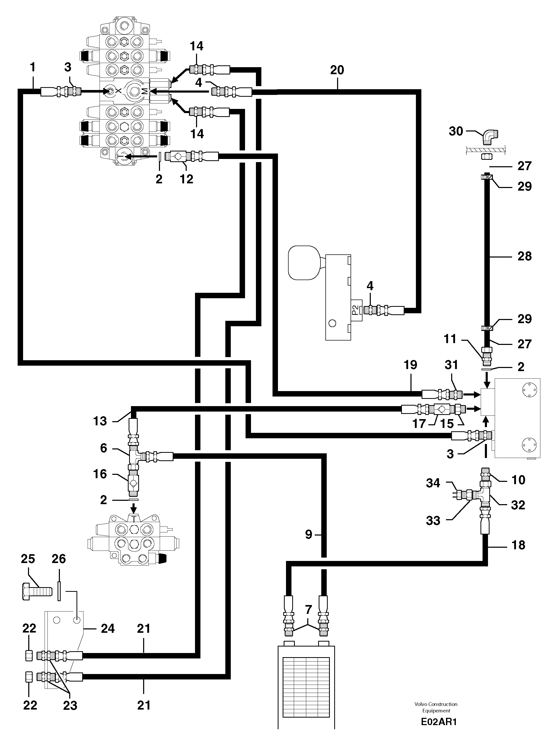
Запчасти Volvo EC50 104612 Attachments supply and return circuit EC50 TYPE 247

Схема запчастей Volvo EC50 - 104612 Attachments supply and return circuit EC50 TYPE 247
FIT
1:1
100%

Артикул

Название

Примечание

Количество

1

PJ 4190255

Шланг

1/4''

1шт.

10

VOE 11806378

Переходник масляного фильтра

1шт.

11

PJ 4750134

Переходник масляного фильтра

1шт.

12

PJ 5330047

Клапан обратный

1шт.

13

PJ 4190728

High pressure hose

3/4''

1шт.

14

PJ 4750156

Переходник масляного фильтра

1шт.

15

PJ 4750117

Переходник масляного фильтра

1шт.

16

PJ 5330048

Non-return valve

1шт.

17

VOE 11806466

Reed valve

1шт.

18

PJ 4190704

High pressure hose

3/4''

1шт.

19

PJ 4190815

High pressure hose

1''

1шт.

2

VOE 944252

Прокладка

1шт.

20

PJ 4190366

High pressure hose

5/16''

1шт.

21

PJ 4190403

High pressure hose

3/8''

1шт.

22

PJ 4740035

Пробка (заглушка)

1шт.

23

VOE 11806350

Переходник масляного фильтра

1шт.

24

PJ 3560340

Опора

1шт.

25

PJ 4380042

Болт

HM8X16

1шт.

26

VOE 13955894

Шайба

MU8

1шт.

26

VOE 13955894

Шайба

MU8

1шт.

27

PJ 6010076

Трубка

1шт.

28

PJ 4190066

Шланг

1''

1шт.

29

VOE 11802432

Фланец

1шт.

3

PJ 4750055

Переходник масляного фильтра

1шт.

30

PJ 4700060

Elbow

1шт.

31

PJ 4750450

Переходник масляного фильтра

1шт.

32

PJ 4720025

Tee

1шт.

33

PJ 4750447

Адаптер

1шт.

34

VOE 11806266

Pressostat

1шт.

4

VOE 11806380

Переходник масляного фильтра

1шт.

6

PJ 4720025

Tee

1шт.

7

PJ 4750438

Переходник масляного фильтра

1шт.

9

PJ 4190752

High pressure hose

3/4''

1шт.

Выбрано товаров: 33