Запчасти Volvo EC50 6163 Supplement concerning handling operations / option EC50 TYPE 247

Схема запчастей Volvo EC50 - 6163 Supplement concerning handling operations / option EC50 TYPE 247
FIT
1:1
100%

Артикул

Название

Примечание

Количество

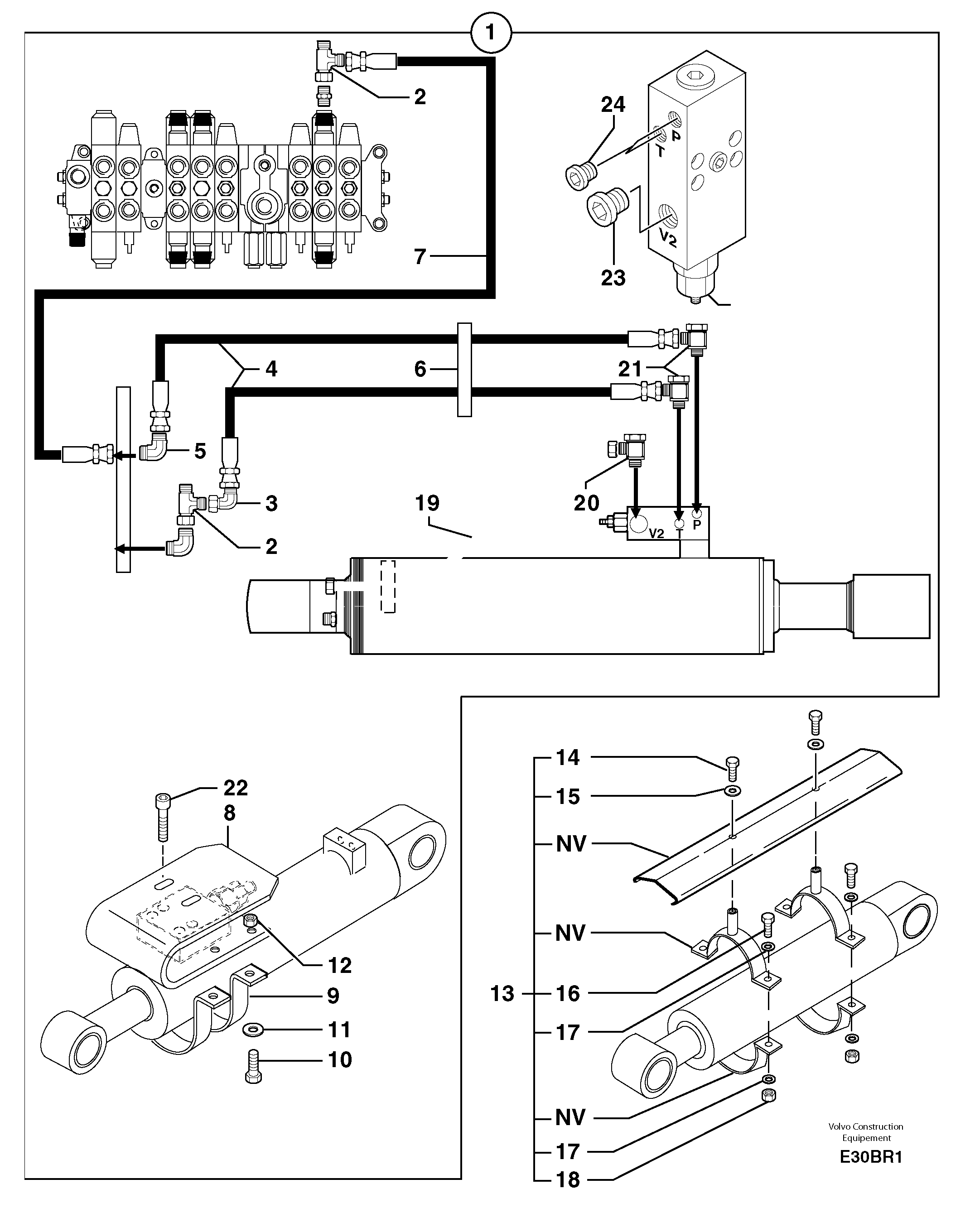
1

PJ 6660247

Safety device

1шт.

10

VOE 983244

Винт шестигранник

HM8X30

1шт.

10

VOE 983244

Винт шестигранник

HM8X30

1шт.

11

VOE 13955894

Шайба

MU8

1шт.

11

VOE 13955894

Шайба

MU8

1шт.

12

VOE 983303

Гайка

HM8

1шт.

12

VOE 983303

Hexagon nut

HM8

1шт.

13

PJ 6660178

Cylinder protec

1шт.

14

PJ 4380054

Болт

HM10X20

1шт.

15

VOE 960148

Шайба

MU10

1шт.

15

VOE 960148

Шайба

MU10

1шт.

16

VOE 983244

Винт шестигранник

HM8X30

1шт.

16

VOE 983244

Винт шестигранник

HM8X30

1шт.

17

VOE 955894

Шайба

ZU8

1шт.

17

VOE 955894

Шайба

ZU8

1шт.

18

VOE 983303

Гайка

HM8

1шт.

18

VOE 983303

Hexagon nut

HM8

1шт.

19

PJ 5910809

Трубка

INCL IN 1

1шт.

2

PJ 4720008

Tee

1шт.

20

PJ 4700046

Banjo connection

INCL IN 1

1шт.

21

PJ 4700034

Banjo connection

INCL IN 1

1шт.

22

PJ 4290015

Болт

INCL IN 1, CHc M8X45

1шт.

23

VOE 11804321

Пробка (заглушка)

INCL IN 1

1шт.

24

VOE 11802284

Пробка (заглушка)

INCL IN 1

1шт.

3

PJ 4700015

Elbow

1шт.

4

PJ 4192541

High pressure hose

1шт.

5

VOE 11806288

Elbow

1шт.

6

VOE 11803561

Зажим

1шт.

7

PJ 4190205

Шланг

1шт.

8

PJ 5040499

Apron

1шт.

9

PJ 4690425

Flange Half

1шт.

Выбрано товаров: 31