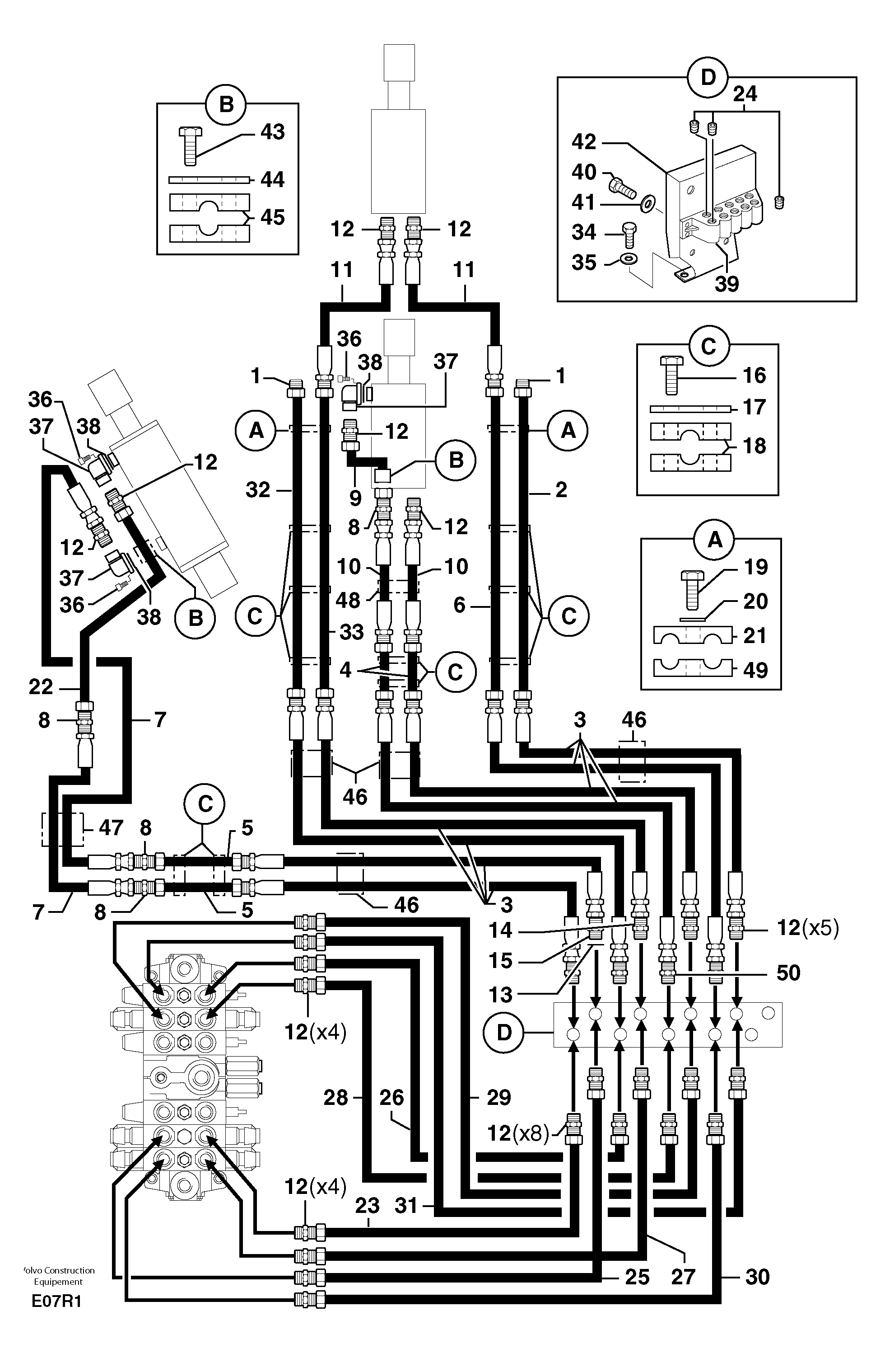
Запчасти Volvo EC50 6694 Hydr. circuit.( boom / dipper arm / bucket ) EC50 TYPE 247

Схема запчастей Volvo EC50 - 6694 Hydr. circuit.( boom / dipper arm / bucket ) EC50 TYPE 247
FIT
1:1
100%

Артикул

Название

Примечание

Количество

1

PJ 4740030

Пробка (заглушка)

1шт.

10

PJ 4195632

High pressure hose

1/2''

1шт.

11

PJ 4190536

High pressure hose

L = 800 mm / 31,4960 in

1шт.

11

PJ 4190539

High pressure hose

L = 1100 mm / 43,3070 in

1шт.

12

VOE 11806402

Переходник масляного фильтра

1шт.

13

VOE 943908

Прокладка

1шт.

14

PJ 4770693

Restricting valve

OD = 3,7 mm / 0,1457 in

1шт.

15

PJ 4770044

Restricting valve

OD = 4,5 mm / 0,1772 in

1шт.

16

PJ 4380047

Болт

HM8X40

1шт.

17

VOE 11806180

Protecting plate

1шт.

18

PJ 4690066

Зажим

1шт.

19

VOE 983244

Винт шестигранник

HM8X30

1шт.

19

VOE 983244

Винт шестигранник

HM8X30

1шт.

2

PJ 5910191

Трубка

1шт.

20

VOE 13955894

Шайба

MU8

1шт.

20

VOE 13955894

Шайба

MU8

1шт.

21

PJ 4690108

Фланец

1шт.

22

PJ 5900143

Трубка

1шт.

23

PJ 5910187

Трубка

1шт.

24

VOE 11806324

Пробка (заглушка)

1шт.

25

PJ 5900139

Трубка

1шт.

26

PJ 5760157

Трубка

1шт.

27

PJ 5910186

Трубка

1шт.

28

PJ 5760156

Трубка

1шт.

29

PJ 5760159

Трубка

1шт.

3

PJ 4195630

High pressure hose

1/2''

1шт.

30

PJ 5910188

Трубка

1шт.

31

PJ 5900140

Трубка

1шт.

32

PJ 5910192

Трубка

1шт.

33

PJ 5910189

Трубка

1шт.

34

PJ 4380054

Болт

HM10X20

1шт.

35

PJ 4490010

Шайба

M10

1шт.

36

PJ 4290019

Болт

CHc M8X30

1шт.

37

PJ 4770071

Фланец

1шт.

38

VOE 945777

Кольцо уплотнительное (О-кольцо)

1шт.

39

PJ 4770068

Корпус клапана

1шт.

4

PJ 5760161

Трубка

1шт.

40

PJ 4380054

Болт

HM10X20

1шт.

41

VOE 960148

Шайба

MU10

1шт.

41

VOE 960148

Шайба

MU10

1шт.

42

PJ 3810678

Опора

1шт.

43

PJ 4380025

Болт

HM6X40

1шт.

43

PJ 4380305

Болт

HM6X45

1шт.

44

VOE 11806177

Protecting plate

1шт.

45

PJ 4690060

Зажим

1шт.

46

PJ 5040322

Втулка (распорная)

1шт.

47

PJ 5040323

Втулка (распорная)

1шт.

48

PJ 5040324

Втулка (распорная)

1шт.

49

PJ 4690107

Фланец

1шт.

5

PJ 5900141

Трубка

1шт.

50

PJ 4770693

Restricting valve

OD = 3,7 mm / 0,1457 in

1шт.

50

PJ 4770694

Restricting valve

OD = 3,0 mm / 0,1181 in

1шт.

6

PJ 5910190

Трубка

1шт.

7

PJ 4195631

High pressure hose

1/2''

1шт.

8

PJ 4750037

Переходник масляного фильтра

1шт.

9

PJ 5910245

Трубка

1шт.

Выбрано товаров: 56