Запчасти Volvo EC50 14541 Timing gear and camshaft EC50 TYPE 247

Схема запчастей Volvo EC50 - 14541 Timing gear and camshaft EC50 TYPE 247
FIT
1:1
100%

Артикул

Название

Примечание

Количество

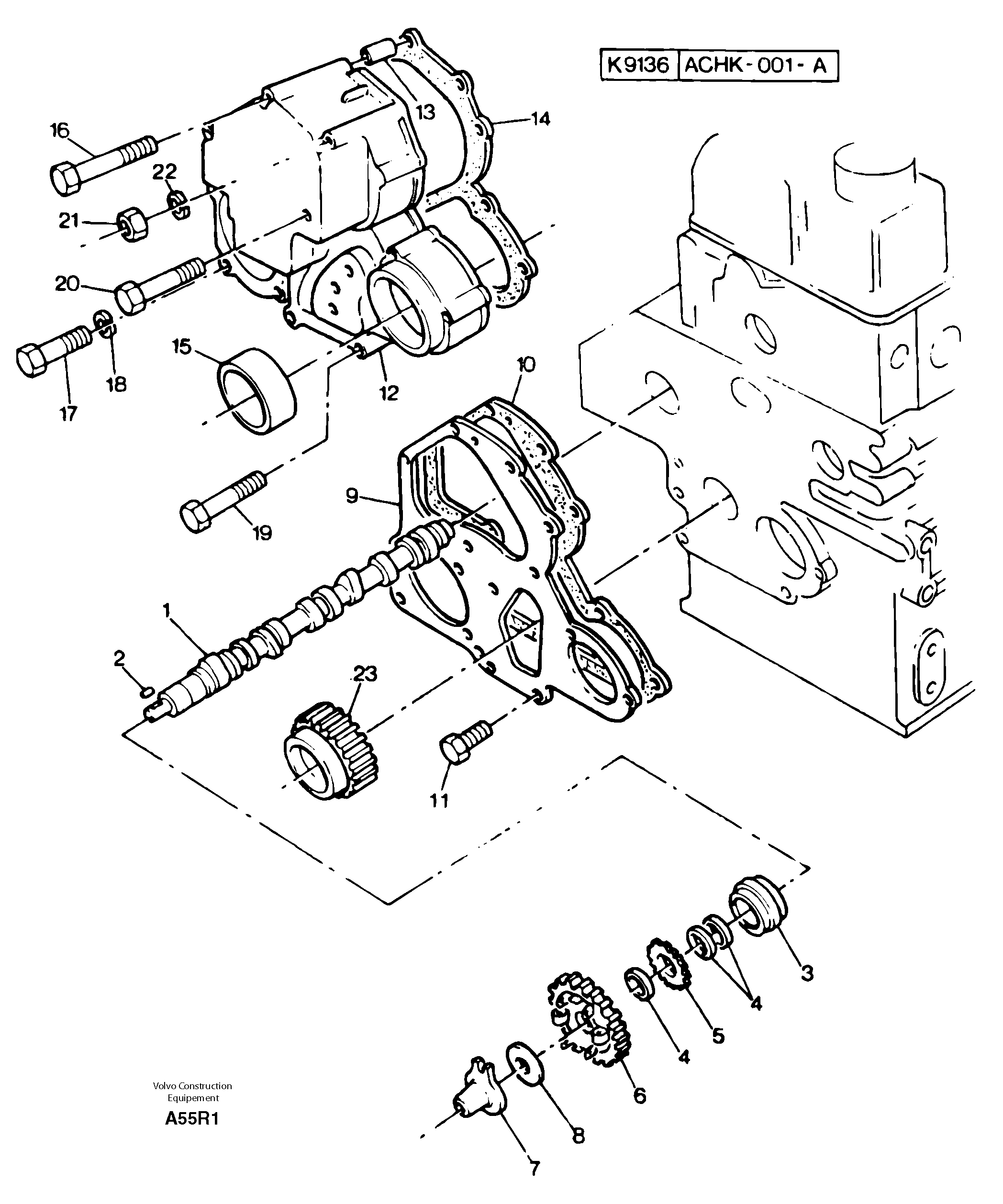
1

PJ 120026320

Распредвал

1шт.

10

PJ 165996361

Сальник

1шт.

11

PJ 011300612

Болт

1шт.

12

PJ 165106092

Поддон картера (маслосборник)

1шт.

13

PJ 030300414

Палец

1шт.

14

PJ 165996351

Сальник

1шт.

15

PJ 198636160

Сальник

1шт.

16

PJ 011300645

Болт

1шт.

19

PJ 011300680

Болт

1шт.

2

PJ 034100508

Key

1шт.

20

PJ 011300660

Болт

1шт.

21

PJ 023100006

Гайка

1шт.

3

PJ 040109057

Bearing Bushing

1шт.

4

PJ 199216230

Вставка

1шт.

5

PJ 120736081

Шестерня

1шт.

6

PJ 120016050

Шестерня

1шт.

7

PJ 125256120

Tappet

1шт.

9

PJ 165166221

Пластина

1шт.

Выбрано товаров: 0